Принцип работы полного привода рено дастер: Полный привод кроссоверов Renault и Nissan: основные проблемы — журнал За рулем
Строение и принцип работы полного привода рено дастер. Как работает полный привод Рено Дастер? Как включить полный привод на дастер
С попаданием на отечественный рынок автомобилей Рено Дастер получил весьма широкую популярность. Связано это с тем, что за относительно невысокие деньги потребитель получает качественный кроссовер с полным приводом. Для многих автолюбителей функция 4х4 является необходимостью, поскольку приходится ездить по бездорожью довольно часто. Особенно это касается фермерских и лесных угодий. Но, какой же принцип работы полного привода на Рено Дастер?
Включение полного привода
Сначала рассмотрим не техническую сторону вопроса, а функциональную. Поскольку современные автомобильные тенденция стремятся к уменьшению расхода горючего, то на автомобилях зачастую устанавливают переключатели с полного привода на обычный.
Этой полезной функциональности не лишился и Рено Дастер. Так, в салоне автомобиля размещена шайба-переключатель, которая позволяет включать разные режимы.
Рассмотрим вопрос более детально:
- Функция Lock. Это как раз и является полным приводом. Она блокирует распределительную муфту и идет принудительная нагрузка на все оси автомобиля. При использовании режима Lock, не рекомендуется ездить быстрее чем 70-80 км/час, чтобы не вызвать поломку муфты-блокиратора.
- Функция 2WD. Само название говорит за себя. В этом режиме включается только передний привод, и он оптимально подходит для езды по трассе.
- Кнопка электромуфты в режиме «2WD»
- Кнопка электромуфты в режиме «AUTO»
Таким образом, видно, что как и блок управления, так и сам водитель может выбирать на каком режиме ездить.
Принцип работы полного привода на Рено Дастер
Если говорить о принципе работы заднего привода, необходимо понимать некоторые технические и конструктивные особенности Рено Дастер. В случае переднего привода, все крутящие моменты уходят через шрусы на передние колеса. А как же работает задний?
В этом случае, на автомобиле установлена раздаточная коробка, которая перенаправляет крутящий момент и на задние колеса.
Система была придумана достаточно давно, еще в далекие 50-е, но принцип остался по наши дни, хотя эти устройства все время совершенствуются.
Классическая схема подключаемого полного привода
В заднем редукторе Рено Дастер установлена муфта, и в случае ее блокировки задний привод не работает. Она может включаться как принудительно водителем, так и с помощью ЭБУ. Рассмотрим все более просто и наглядно: двигатель подает крутящий момент на КПП, а с нее он попадает на распределительную коробку.
Через карданный вал он попадает на задний редуктор, в котором стоит муфта-регулятор включения заднего привода. Если она включена, то работает полный привод, если выключена, то только передний. В заднем редукторе есть своё масло, которое требует замены.
Еще раз напомним, что принудительно использовать муфту-переключатель не стоит в течении длительного срока, поскольку она может выйти со строя под силовой нагрузкой. Поэтому, режим АВТО считается самым оптимальным в использовании.
Там, где необходимо, стоит кратковременно включить ручной режим, а когда он станет не нужным обратно переключить на режим AUTO.
Устройство работы полного привода оказалось простым и понятным. Конечно, если муфта выйдет из строя, то придется заменить узел полностью, что дорого, поэтому стоит соблюдать правила использования режима 4х4.
Посмотрите интересное видео по этой теме:
Когда речь заходит о кроссовере (модная тема!), непременно говорят, что он обязательно должен быть не только универсальным и с большим (на фоне обычных автомобилей) дорожным просветом, но и полноприводным. Пусть даже автомобиль самый что ни на есть городской, а его владелец никогда не съезжает с асфальта. Моноприводные версии обычно поставляют только в самых недорогих комплектациях, а в пресс-парках их держат редко. Может, зря? Ведь, если отбросить бесспорные «за» четырех ведущих колес — проходимость (в основном на рыхлом снегу) и разгонные способности (в тех же условиях), что еще записать в преимущества? Более того, возможно, на асфальте разница в массе и потерях на трение позволит ездить экономичнее? А может, и безопаснее?
ЗАНИМАТЕЛЬНАЯ МАТЕМАТИКА
Мы взяли «Мазду СХ-5» и «Рено-Дастер», самые горячие новинки класса.
У полноприводного «Дастера» даже задняя подвеска иная, нежели у его моноприводного собрата, — независимая. Коробки передач у машин с двигателем 2 л также привязаны к количеству ведущих колес: автомат (и только он) — у версии 4×2, в то время как 4×4 поставляется исключительно с шестискоростной механикой. У «Мазды СХ-5», напротив, тип привода почти не влияет на все остальное. Даже на уровень оснащения — благодаря пакетам опций к комплектациям Touring и Sport. Наибольшие различия — в шинах и колесах. Машина 4×4 обута в 19-дюймовые покрышки, модификация 4×2 довольствуется 17-дюймовыми.
Начинаем измерения. Загнав машины на весы, обнаруживаем: полный привод добавляет «Дастеру» 70 кг, а «Мазде» — более сотни. Хотя на фоне общей снаряженной массы в 1400–1500 кг это мелочь. Не велика разница и в геометрической проходимости, у переднеприводного «Дастера» последняя даже немного лучше.
Из двух «рено» быстрее разгоняется полноприводный, но это в основном заслуга механической коробки. С «маздами» ситуация интереснее.
Монопривод в разгоне напористее, что чувствуется и без измерительной аппаратуры. У переднего привода лишь небольшой проигрыш в максималке, но он обусловлен подбором передаточных чисел и большими колесами версии 4×4. Обе машины достигли предельной скорости на четвертой передаче, однако 4×2 на 17-дюймовых шинах раньше уперся в ограничитель оборотов, не пожелав ускоряться на следующей, пятой скорости.
Кстати, тормозной путь у обеих чисто переднеприводных машин оказался заметно короче.
ЧУВСТВО РАЗНИЦЫ
Ну как тут не вспомнить о стереотипах, касающихся управляемости! На переставке (имитация объезда препятствия) выясняется, что «Дастер 2WD» быстрее и, главное, проще в управлении. Он, в отличие от 4×4, совсем не стремится выполнить маневр резко. Наоборот: поначалу монопривод удивляет большими кренами и слишком спокойными реакциями на поворот руля. Полноприводник с его более активной — независимой задней подвеской ведет себя напористее, а временами даже норовисто, словно подстегивая водителя к ответным действиям.
Едет такая машина очень уверенно, особенно если учесть отсутствие системы стабилизации. Однако на ней легко допустить ошибку, а в пределе занос задней оси заставит выскользнуть за пределы коридора. «Рено» же с передним приводом требует от души покрутить баранку в борьбе с запаздываниями и недостаточной поворачиваемостью, но, в отличие от собрата, в скольжение уходит мягче.
Обе «мазды» — с чуткой системой стабилизации, вмешивающейся в процесс управления довольно рано. Но передний привод вновь оказывается понятнее. Так что и здесь преимущество в скорости переставки — за передним приводом и 17-дюймовыми колесами.
Дороги общего пользования помогли окончательно расставить приоритеты. На них проявился лучший комфорт моноприводной «Мазды» и ее более правильное поведение в поворотах. Полноприводник на 19-дюймовых шинах совсем не любит неровностей: появляется вертикальная раскачка и даже небольшие рыскания. Это не критично, но насколько же комфортнее и проще переднеприводная машина.
Причем такой кроссовер куда лучше слушается педали газа. Никакой задумчивости, томных пауз даже при переходе автомата к высшим передачам. Версия же 4×4 нередко грешит провалами, особенно при резком нажатии на акселератор.
А что «дастеры»? Здесь машина с передним приводом тоже оказалась комфортнее. Причем даже более заметно, чем в случае с «маздами». С неровностями дорожного полотна отменно борются оба «рено», этого фамильного достоинства у них не отнять. Но если полноприводный «Рено» все же дает почувствовать глубину и размер колдобин, иногда довольно резко, то под колесами переднеприводного автомобиля большинство из них словно растворяется, вызывая лишь незначительные покачивания кузова. Самое интересное, что колеса на «дастерах» одинаковые, различия коренятся именно в подвесках.
ФАКТЫ И АРГУМЕНТЫ
Так что же, полный привод на асфальте — ненужный довесок? Не стоит делать однозначных выводов. Речь о другом: что при выборе автомобиля ставить во главу угла? В России кроссоверы законно популярны: универсальный кузов, большой дорожный просвет и возможности подвесок лучше.
Словом, их востребованность не только дань моде. Поэтому так важно отделить «нужное» от «не очень». Наш тест — попытка в этом разобраться. Особенно стоит задуматься тем, кто, меняя обычный автомобиль на «паркетник», все же не планирует изменять асфальту.
Не стоит также забывать и о повышенном расходе топлива у полноприводных версий при прочих равных. Кроме того, в дополнение к полному приводу часто навязывают дорогие комплектации: вспомним хотя бы 19-дюймовые шины «Мазды СХ-5». Подозреваю, что доводили этот кроссовер на покрышках куда более скромной размерности. «Но ведь красиво!» — возразят маркетологи. И по-своему будут правы.
Переднеприводный «Дастер» демонстрирует отменный дорожный просвет, отличную плавность хода, надежное поведение на дороге, да и багажник у него на целых 70 л объемнее, чем у полноприводного собрата. Поэтому в поисках оптимума совсем не обязательно делать упор на количество ведущих осей, иногда найдутся аргументы и поважнее.
КАК РАБОТАЕТ МУФТА (Геннадий Емелькин)
Конструктивно схемы работы подключаемого полного привода «Рено-Дастер» и «Мазды СХ-5» близки.
У обоих автомобилей есть электронная муфта, расположенная в корпусе редуктора задней оси. Она, руководствуясь информацией о разности скоростей вращения передних (основных ведущих) и задних колес, приходящей через датчики антиблокировочной системы на блок управления, при необходимости блокируется, подключая вторую ось. Алгоритм управления муфтой довольно сложный и зависит от ряда внешних факторов.
Схема открывается в полный размер по клику мышки.
Схема работы полного привода «Мазды СХ-5» такова. При равномерном движении, когда скорости колес одинаковые, крутящий момент подается на корпус муфты (4) . Диски (5) управляющей муфты разомкнуты. Ведомый (1) и ведущий (7) диски неподвижны друг относительно друга и вращаются вместе с ведомым валом муфты (9) , соединенным с валом главной передачи задних колес. Крутящий момент на задние колеса не передается.
Как только колеса передней оси начинают проскальзывать (угловая разница 15–20 градусов), блок управления полным приводом подает сигнал на электромагнитную катушку
Под действием магнитного поля якорь (8) притягивается к ней и сжимает диски управляющей муфты (5) , которые соединяют ведущий диск с корпусом муфты (6) . Из-за разности их скоростей ведущий диск проворачивается, шарики (3) смещаются по наклонной направляющей канавке и сдвигают ведомый диск, который сжимает диски главной муфты, — муфта включена.Для отключения муфты блок управления снимает сигнал с катушки, диски управляющей муфты размыкаются, ведущий диск проворачивается, шарики возвращаются в исходное положение — диски главной муфты размыкаются. Это произойдет не только при установившемся равномерном движении, но и при срабатывании антиблокировочной системы и системы динамической стабилизации.
Чтобы сберечь муфту от повреждений в тяжелых условиях, предусмотрена защита. При нагреве масла в редукторе до 100 градусов блок управления отключает муфту и не включит ее до тех пор, пока температура не понизится до 60 градусов.
16.01.15
Общая информация
В целом система работы привода у данной модели автомобиля достаточно проста и её не сложно понять даже не профессионалу.
Распределение крутящего момента между колесами ведется из коробки передач. На внешних концах валов установлены ШРУСы, которые получают равную угловую скорость, а на внутренних расположены триподы. Такой механизм работы не представляет ничего нового в плане разработок, схема позаимствована у известного Nissan Quashkai.
Режимы работы
Самый базовый режим имеет название 2WD, который включает в себя работу только передних колес и рекомендуется для езды по качественному и сухому дорожному покрытию. Данный режим предусматривает экономную в плане расхода топлива езду и комфортную скорость передвижения.
Автоматический режим работы определяет наилучшее сцепление с полотном. Преимущественно его используют на трассах и городских дорогах. При неблагоприятных погодных условиях, например во время дождя, муфта самостоятельно определяет в какой момент необходимо подключить привод задних колес.
В режиме под названием LOCK происходит блокировка муфты и подача крутящего момента на задние колеса, таким образом, автомобиль становится полно приводным и готовым к преодолению бездорожья.
Но такая функция рекомендуется для работы с пониженными скоростями движения до 80 километров в час.
Итог
Владельцы автомобиля Renault Duster должны самостоятельно в зависимости от ситуации выбирать оптимальный режим работы привода и помнить, что наиболее экономичная езда получается в режиме 2WD, а в режиме LOCK желательно не находится слишком долгое время, чтобы не перегреть муфту, что может привести к поломке механизма, тем более что ремонт при нынешней цене Рено Дастер 2014 может быть весьма дорогостоящи!
Все записи
Оценить возможности переднего привода мы решили на примере Renault Duster с 1,6-литровым мотором. Полноприводные версии оснащаются 6-ступенчатой механикой с «коротенькой» первой ступенью, играющей роль понижайки. Когда нужно пробраться по камням и топям к лесному озеру или речке, то без первой передачи с передаточным отношением 4.45 не обойтись.
Фото: Renault
Если раскрутить мотор Duster под красную зону и вывести его на режим максимальной мощности, то скорость кроссовера на первой ступени не будет превышать 15 км/ч.
Это удобно, так как можно проходить брод и грязевые ванны, не опасаясь дефицита тяги.
Кроме того, полноприводный Duster, благодаря внедорожному передаточному отношению, может стартовать с места на холостом ходу и даже карабкаться на россыпи больших валунов. Настройки мотора позволяют почти не касаться педали газа, если нужно аккуратно проползти по размытым горным дорогам.
Фото: Renault
Однако в городе первая передача шестиступки неинтересна. Она лишь подталкивает машину вперед и сразу приходится переключаться на вторую. Поэтому многие водители ради экономии времени стартуют сразу о второй ступени, считая ее вполне приспособленной для этого. Так думать не совсем правильно, потому что передаточное отношение в 2,59 не всегда подходит для полноценного старта. Приходится дольше держать сцепление полуразомкнутым, отчего наблюдается его повышенной износ. Поэтому для жителей больших городов, для которых проблемы оффроуда неочевидны, передний привод и 5-ступенчатая трансмиссия кажутся предпочтительными.
Фото: Renault
Универсальный трудяга
В переднеприводном варианте первая передача Duster работает, как у подавляющего большинства автомобилей с механической коробкой. Ее передаточное отношение поменьше (3,73), отчего машина разгоняется быстрее. Чуть продавил педаль, а кроссовер уже метнулся вперед. На пике тяги 115-сильного 1,6-литрового мотора такой Duster на первой передаче едет со скоростью в 40-45 км/ч. Поэтому пятиступка удобнее в городе, но она пасует на офф-роуде.
Фото: Renault
Как городской автомобиль переднеприводный Duster невероятно хорош. Он интереснее отзывается на пришпоривания. Из-за большого проема двери на водительское место не садишься, а входишь, как в личный кабинет. Дверь распахивается широко, отчего не боишься задеть крышу лбом или глазом. При этом «калитка» очень легкая.
Назад тоже доступ упрощен. Если усаживаешь ребенка в детское кресло, то не надо тянуться и изгибаться, как башенный кран. Все получается легко и незаметно.
Испытания для переднего привода начинаются под конец зимы, когда февральские и мартовские снегопады окончательно побеждают коммунальные службы и дворы превращаются в непроходимые сугробы. Проехать к дому трудно. Но у переднеприводного Duster есть высокий клиренс. И эти проблемы оказываются для кроссовера не так страшны, как для подавляющего большинства «пузотерок».
Фото: Renault
Центр тяжести у него смещен немного вперед. Заднего моста нет, как и карданного вала, отчего автомобиль больше наваливается на передние колеса. Поэтому зацеп неплохой. По кручам Duster ползает намного лучше хэтчбеков и седанов на родственной платформе В0.
Но вот трамбовать сугробы, как Defender, он не может. Стоит уткнуться передком в снежную целину, как начинаются пробуксовки.
Фото: Renault
Зато летом переднеприводный Duster пролезет почти там же, где и полноприводный. Грунтовая дорога с лужицами или гравийка с ямами ему нипочем. Разница в проходимости заметна лишь на горных кручах, где при проезде, вывешиваются ведущие колеса.
Даже при поездках на рыбалку или в глухую деревню можно обойтись только передним приводом.
Вообще возможности полного привода у нас мифологизированы. Доходит до смешного. Порой специально ищешь трудные места, которые под силу только «настоящим внедорожникам». Карабкаешься по тропам куда-нибудь к «святому роднику», теша самомнение, что кроме танка и тебя здесь не проедет никакой другой автомобиль. А на финише застаешь переднеприводные «Лады» и старую тольяттинскую «классику».
Трудности межсезонья
Однако весной или осенью все же попадаются места, где без полного привода не обойтись. К примеру, нужно проехать пару километров до дачи. А после схода снега дорогу убил грузовик, который углубил колею, и она стала непроходимой для легковушек. Все лезут в объезд по целине. Размокшие суглинки, поросшие травой, легко наматываются на колеса, и машина вязнет. Конечно, электроника переднеприводного Duster помогает кое-как выбираться. Но с законами физики не поспоришь, и если зацепа нет, то кроссовер тонет на ровном месте.
Фото: Renault
Полноприводный Duster ездит по таким местам заметно лучше. Заблокировал муфту в расчете 50/50. Тяга отправляется на заднюю ось, и даже с тремя буксующими колесами можно выползти из ловушки.
В общем, полный привод это большая дилемма. Потребность в нем у простых автомобилистов возникает лишь пару раз за все время эксплуатации машины. А стоит полноприводный Duster почти на 120 тысяч дороже. Со многими городскими проблемами справится и переднеприводный автомобиль с 1,6-литровым мотором.
Однако, если хобби и жизненные увлечения тянут на приключения, связанные с частыми посещениями глубинки, то здесь переплата за полный привод кажется обоснованной. Экономить тут нельзя. Рыбаки, грибники и охотники не откажут себе в удовольствии заблокировать муфту и проползти по лужам по оси глубиной. Полноприводный Duster обладает феноменальной проходимостью даже с 1,6-литровым агрегатом под капотом.
Технические характеристики Renault Duster
Renault Duster 1. | Renault 1.6 4WD MT6 | |
|---|---|---|
Габариты (длина / ширина / высота), мм | 4315/ 1822 / 1625 | 4315/ 1822 / 1625 |
Колёсная база, мм | ||
Снаряжённая масса, кг | ||
Объём багажника, л | ||
Тип кузова | Универсал | Универсал |
Количество дверей / посадочных мест | ||
Двигатель | 4-цилиндровый, рядный | 4-цилиндровый, рядный |
Рабочий объём, см³ | ||
Максимальная мощность, л. с. / об./мин. | ||
Макс. крутящий момент, Нм / об./мин. | ||
Трансмиссия | 5-ст. | 6-ст. механическая |
Передний | ||
Дорожный просвет (мм) | ||
Объем топливного бака, л | ||
Разгон до 100 км/ч, с | ||
Макс. скорость, км/ч | ||
Расход топлива (смешанный), л/100 км | ||
Цена тестового автомобиля | От 689 000 руб | От 809 990 руб |
Как работает привод Рено Дастер , какие режимы работы есть у полноприводной трансмиссии данного кроссовера? Постараемся на все эти вопросы сейчас ответить. Тем более вопрос интересует многих россиян, которые мечтают о доступном полноприводном кроссовере.
Схема работы привода Renault Duster довольно незатейлива. Крутящий момент передается в коробку передач, а оттуда распределяется между передними колесами посредством валов, на концах которых находятся шарниры равных угловых скоростей.
Точнее на внешних стоят обычные ШРУСы, а на внутренних «гранатах» конструкция немного другая, там внутри стоят триподы. Это позволяет осям перемещаться с некоторым зазором. Если с передним приводом Рено Дастер понятно, схема его работы мало отличается от принципов работы любого переднеприводного автомобиля с поперечным расположением двигателя. Простота конструкции является большим плюсом для такого бюджетного автомобиля. Скорее всего эту же схему будут применять на Рено Дастер в новом кузове , который появится в нашей стране в 2018 году.
А вот полный привод на Renault Duster 4х4 устроен чуть сложнее. Коробка передач содержит в себе компактную раздатку (на фото обозначено стрелкой), откуда крутящий момент посредством карданного вала в постоянном режиме передается в задний редуктор. Но в передней части редуктора стоит электромагнитная муфта (месторасположение муфты так же указано стрелкой), которая передает крутящий момент дальше, либо не передает его, то есть карданный вал просто вращается в холостую.
А уже от редуктора по тем же осям со ШРУСами на концах крутящий момент передается на задние колеса. Смотрим фото задней части трансмиссии Рено Дастер 4х4.
А вот и главный элемент полноприводной трансмиссии в разрезе. На данном фото можно очень хорошо рассмотреть все внутренние детали муфты и заднего редуктора.
Такая конструкция трансмиссии Renault Duster позволяет управлять приводом легко и непринужденно. Для управления режимами работы привода в салоне кроссовера есть шайба переключатель, вот она на фото. Одним легким движением можно сделать из переднеприводного кроссовера, полноприводный внедорожник или доверить все автоматике.
- В режиме «Lock» срабатывает электромагнитная муфта и крутящий момент идет через редуктор на задние колеса.
- В режиме «2WD» у Дастера ведущими становятся передние колеса, карданный вал, который должен передавать крутящий момент на задний редуктор вращается в холостую.
- В режиме «Auto» кроссовер сам определяет, когда ему подключать задний привод.
Обычно электромагнитная муфта срабатывает при проскальзывании передних ведущих колес.
Стоит отметить, что самый динамичный и в тоже время экономичный, это «2WD», при частичном или полном задействовании всех 4 колес расход топлива растет. А в режиме полной блокировки электромагнитной муфты «Lock» скорость кроссовера не должна превышать 80 км/ч. Внедорожный режим 4х4 может перегреть муфту, что приведет к поломке трансмиссии. Вот так и работает полный привод Рено Дастер.
Полный привод рено дастер описание
Содержание
- 1 Добавить комментарий Отменить ответ
- 2 Включение полного привода
- 2.1 Принцип работы полного привода на Рено Дастер
- 2.2 Рекомендации
- 3 Выводы
- 4 Как включить полный привод на Рено Дастер
- 5 Как работает полный привод на Дастере
Как работает привод Рено Дастер, какие режимы работы есть у полноприводной трансмиссии данного кроссовера? Постараемся на все эти вопросы сейчас ответить.
Схема работы привода Renault Duster довольно незатейлива. Крутящий момент передается в коробку передач, а оттуда распределяется между передними колесами посредством валов, на концах которых находятся шарниры равных угловых скоростей. Точнее на внешних стоят обычные ШРУСы, а на внутренних “гранатах” конструкция немного другая, там внутри стоят триподы. Это позволяет осям перемещаться с некоторым зазором. Если с передним приводом Рено Дастер понятно, схема его работы мало отличается от принципов работы любого переднеприводного автомобиля с поперечным расположением двигателя. Простота конструкции является большим плюсом для такого бюджетного автомобиля.
А вот полный привод на Renault Duster 4×4 устроен чуть сложнее. Коробка передач содержит в себе компактную раздатку (на фото обозначено стрелкой), откуда крутящий момент посредством карданного вала в постоянном режиме передается в задний редуктор. Но в передней части редуктора стоит электромагнитная муфта (месторасположение муфты так же указано стрелкой), которая передает крутящий момент дальше, либо не передает его, то есть карданный вал просто вращается в холостую.
А уже от редуктора по тем же осям со ШРУСами на концах крутящий момент передается на задние колеса. Смотрим фото задней части трансмиссии Рено Дастер 4×4.
Такая конструкция трансмиссии Renault Duster позволяет управлять приводом легко и непринужденно. Для управления режимами работы привода в салоне кроссовера есть шайба переключатель, вот она на фото. Одним легким движением можно сделать из переднеприводного кроссовера, полноприводный внедорожник или доверить все автоматике.
- В режиме “Lock” срабатывает электромагнитная муфта и крутящий момент идет через редуктор на задние колеса.
- В режиме “2WD” у Дастера ведущими становятся передние колеса, карданный вал, который должен передавать крутящий момент на задний редуктор вращается в холостую.
- В режиме “Auto” кроссовер сам определяет, когда ему подключать задний привод. Обычно электромагнитная муфта срабатывает при проскальзывании передних ведущих колес.
Стоит отметить, что самый динамичный и в тоже время экономичный, это “2WD”, при частичном или полном задействовании всех 4 колес расход топлива растет.
А в режиме полной блокировки электромагнитной муфты “Lock” скорость кроссовера не должна превышать 80 км/ч. Внедорожный режим 4×4 может перегреть муфту, что приведет к поломке трансмиссии. Вот так и работает полный привод Рено Дастер.
Добавить комментарий
Отменить ответДля отправки комментария вам необходимо авторизоваться.
С попаданием на отечественный рынок автомобилей Рено Дастер получил весьма широкую популярность. Связано это с тем, что за относительно невысокие деньги потребитель получает качественный кроссовер с полным приводом. Для многих автолюбителей функция 4×4 является необходимостью, поскольку приходится ездить по бездорожью довольно часто. Особенно это касается фермерских и лесных угодий. Но, какой же принцип работы полного привода на Рено Дастер?
Как работает полный привод Рено Дастер рассказано на видео:
Включение полного привода
Сначала рассмотрим не техническую сторону вопроса, а функциональную.
Поскольку современные автомобильные тенденция стремятся к уменьшению расхода горючего, то на автомобилях зачастую устанавливают переключатели с полного привода на обычный. Этой полезной функциональности не лишился и Рено Дастер. Так, в салоне автомобиля размещена шайба-переключатель, которая позволяет включать разные режимы. Рассмотрим вопрос более детально:
- Функция Lock. Это как раз и является полным приводом. Она блокирует распределительную муфту и идет принудительная нагрузка на все оси автомобиля. При использовании режима Lock, не рекомендуется ездить быстрее чем 70-80 км/час, чтобы не вызвать поломку муфты-блокиратора.
- Функция 2WD. Само название говорит за себя. В этом режиме включается только передний привод, и он оптимально подходит для езды по трассе.
Кнопка электромуфты в режиме «2WD»
Кнопка электромуфты в режиме «AUTO»
Таким образом, видно, что как и блок управления, так и сам водитель может выбирать на каком режиме ездить.
Принцип работы полного привода на Рено Дастер
Если говорить о принципе работы заднего привода, необходимо понимать некоторые технические и конструктивные особенности Рено Дастер. В случае переднего привода, все крутящие моменты уходят через шрусы на передние колеса. А как же работает задний?
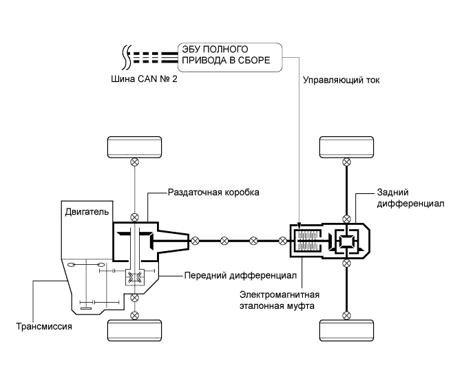
В этом случае, на автомобиле установлена раздаточная коробка, которая перенаправляет крутящий момент и на задние колеса. Система была придумана достаточно давно, еще в далекие 50-е, но принцип остался по наши дни, хотя эти устройства все время совершенствуются.
Классическая схема подключаемого полного привода
В заднем редукторе Рено Дастер установлена муфта, и в случае ее блокировки задний привод не работает.
Она может включаться как принудительно водителем, так и с помощью ЭБУ. Рассмотрим все более просто и наглядно: двигатель подает крутящий момент на КПП, а с нее он попадает на распределительную коробку.
Подробная схема полного привода на Дастере
Через карданный вал он попадает на задний редуктор, в котором стоит муфта-регулятор включения заднего привода.
Если она включена, то работает полный привод, если выключена, то только передний. В заднем редукторе есть своё масло, которое требует замены.
Рекомендации
Еще раз напомним, что принудительно использовать муфту-переключатель не стоит в течении длительного срока, поскольку она может выйти со строя под силовой нагрузкой. Поэтому, режим АВТО считается самым оптимальным в использовании.
Там, где необходимо, стоит кратковременно включить ручной режим, а когда он станет не нужным обратно переключить на режим AUTO.
Выводы
Устройство работы полного привода оказалось простым и понятным. Конечно, если муфта выйдет из строя, то придется заменить узел полностью, что дорого, поэтому стоит соблюдать правила использования режима 4×4.
Рено Дастер – автомобиль, который пользуется широкой популярностью в России. Объясняется такая популярность несколькими факторами:
- относительно невысокая цена. В классе, пожалуй, нет других авто, которые могли бы составить конкуренцию этому номинальному французу;
- надежность.
Конечно же, Дастер – не устанавливает планку надежности, но, судя по отзывам владельцев, машина довольно неплоха; - комфортность передвижения. Опять же, исходя из стоимости и класса, машина является очень вместительной и удобной. В салоне места много, в багажном отделении – предостаточно.
- наличие полного привода.
Наличие возможности активно задействовать все четыре колеса является несомненным преимуществом транспортного средства, особенно на отечественных дорогах, а вернее, в условиях отечественного бездорожья. Съездить на дачу, по проселку, размытому дождями, вывезти семью на пикник в лесу – все это Дастеру, безусловно, под силу.
Как включить полный привод на Рено Дастер
Не вдаваясь пока в особенности полного привода Дастера, ведь большинство автолюбителей, как раз и не вникает в техническую сторону вопроса, исследуем то, как включить полный привод на Рено Дастер.
Для активации функции в салоне автомобиля имеется удобная шайба, выполненная довольно аккуратно и, можно сказать, стильно.
Он может устанавливаться в одно из трех положений:
- Lock. В этом режиме машина работает на полном приводе. Все же, наверное, придется затронуть техническую сторону, сказав хотя бы, что в режиме Lock муфта, находящаяся в редукторе, блокируется. А мощность равномерно распределяется между осями автомобиля. Данный режим рекомендуется использовать в условиях бездорожья, а также на обледенелой или заснеженной дороге. В режиме Lock, дабы поберечь системы автомобиля, нужно передвигаться на низких скоростях. Максимум – 80 километров в час. На форумах владельцев данной марки автомобиля можно найти некоторую информацию о проведенных испытаниях режима. Нужно отметить, что езда с высокой скоростью в данном режиме может привести к выходу из строя муфты, да и самого редуктора. Последствия, честно говоря, не очень приятные, так как запчасти на Дастер все же стоят недешево;
- 2WD – переднеприводный режим. Шайба в положение 2WD устанавливается, как правило, в условиях города или на трассах, где качество дорожного покрытия, как минимум, удовлетворительное.
Езда в данном режиме способствует существенной экономии топлива и оптимизации скорости транспортного средства. Это базовый режим. Только им, наверняка, пользуется большое количество дастероводов; - AUTO – режим, который обеспечивает максимально качественное сцепление с дорогой. Собственно, название режима подсказывает, что все регулировки, связанные с распределением мощности на оси автомобиля, выполняются компьютером самостоятельно. По умолчанию, на хорошей дороге, работает передний привод. В случае если качество дорожного покрытия ухудшается, система передает часть мощности и на заднюю ось. Все той же электромагнитной муфтой, о которой шла речь выше, может быть передано на заднюю ось до 50% мощности. То есть, автомобиль может двигаться на полном подключаемом приводе. Вопрос о необходимости подключения полного привода только решает не человек, а компьютер.
То, какой из режимов выбирать в конкретной ситуации, должен определять владелец автомобиля. Представляется, что базовым должен стать режим 2WD.
Что касается полного привода, то здесь опытные автомобилисты, бесспорно, предпочтут ручной режим. А новичкам рекомендуется довериться автоматике, которая на этой машине вполне добротная и не должна подвести.
Как работает полный привод на Дастере
Когда все режимы автомобиля описаны, указано, как их включать, можно более подробно остановиться на том, как устроен и как работает полный привод на Дастере.
Устройство автомобилей марки Дастер с передним приводом довольно простое. Крутящий момент уходит в коробку передач и распределяется между ведущими колесами. На концах которых установлены ШРУСы. Если говорить точнее, ШРУСы там только внешние. Внутренние шарниры имеют триподы, в результате чего оси перемещаются с некоторым зазором.
Таким образом, можно говорить, что конструкция Дастера с передними ведущими колесами проста и типичная для большинства переднеприводных машин. И это является несомненным плюсам. Рено Дастер – машина бюджетная. Чем проще устроена, тем проще и быстрее ремонтировать.
Переднеприводный Дастер, увы, не сможет уверенно проехать там, где пройдет Дастер с подключаемым полным приводом.
Устройство автомобилей Дастер, которые имеют возможность подключать к работе заднюю ось, схоже с устройством таких машин как Икс-Трейл и Кашкай от компании Ниссан. Тоже, все достаточно просто, но определенные особенности имеются.
Особенностью коробки передач полноприводной модели является то, что она имеет раздатку, благодаря которой крутящий момент направляется на редуктор, находящийся сзади. В редукторе, как уже было отмечено, находится электромагнитная муфта. Движением шайбы можно блокировать муфту. Блокировка муфты, также, может осуществляться при помощи автоматики в режиме AUTO.
Если муфта заблокирована, то крутящий момент не может быть направлен на заднюю ось. При незаблокированной муфте крутящий момент передается на ось. Таким образом, собственно говоря, и осуществляется запуск и работа полного привода на Дастере.
Стоит повториться, что использовать ручной полный привод длительное время не рекомендуется.
Если муфта будет испытывать на себе регулярные сильные нагрузки, то она быстро выйдет из строя. Как правило, в такой ситуации требуется не ремонт, а замена муфты. А она, увы, стоит недешево.
Таким образом, передний привод на автомобиле Рено Дастер имеет простое устройство, легко включается, причем можно устанавливать один из двух режимов. Можно отметить, что, учитывая класс автомобиля и его стоимость, полный привод реализован добротно. Может быть, можно было бы и лучше. Но лучшее – враг хорошего.
Как включить полный привод на Рено Дастер
Содержание
- Как включить полный привод
- Привод задних колес автомобиля рено дастер
- Универсальный трудяга
- Управление муфтой
- Чувство разницы
- Читать новости о новой Ниве
Как включить полный привод
За устойчивость автомобиля на дороге отвечает электронная система регулировки тягового усилия (ЕТС). Результатом работы данной опции является блокировка возможности проскальзывания колеса, которое попало на более мягкий грунт.
Управление приводом осуществляется при помощи круглого переключателя режимов на центральной консоли (возле ручки переключения передач). На нем отображены следующие позиции: 2WD – AUTO – LOCK. Они означают следующее:
- Режим движения 2WD выбирается для езды по хорошим дорогам. Это городские улицы или загородные трассы с качественным дорожным покрытием. Подключен только передний привод – и Дастер в этом случае не отличается от прочих переднеприводных автомобилей. Движение, при котором переключатель находится в позиции 2WD, способствует экономии горючего и работе двигателя в оптимальном скоростном режиме. Если не требуется выезжать за город, то можно использовать эту функцию постоянно.
- LOCK – этот термин обозначает включение полного привода. В данном случае блокируется распределительная муфта в редукторе заднего моста. Тяговое усилие распределяется на все колеса. Этот режим следует использовать при движении по бездорожью или на скользкой дороге. Для езды в режиме LOCK предусмотрено ограничение скорости (не более 70-80 км/ч) для того, чтобы сохранить работоспособность редуктора.

- Положение переключателя AUTO предусматривает, что выбор режима движения осуществляется бортовым компьютером. Он определяет, какую часть мощности следует перекинуть на задние колеса в случае изменения дорожных условий. При движении по шоссе работать будет только передний привод. Если дорога становится хуже, часть мощности (до 50%) перебрасывается на задние колеса. Это существенно повышает устойчивость машины на плохой или скользкой дороге, обеспечивая безопасность находящихся в салоне людей.
Новичкам рекомендуется использовать функцию AUTO. Это облегчит управление автомобилем для неопытного водителя.
Ведь есть же, какие то особенности управления полноприводным автомобилем. В частности ,при каких случаях включается 4WD. Да и вообще, как и когда пользоваться этой опцией.
Делитесь секретами управления Duster.
Последний раз редактировалось varvaar; 10.12.2021 в 13:40 .
2WD:
– Принцип действия: распределение крутящего момента двигателя между передними
колесами.
– Условия использования: покрытия с хорошими сцепными свойствами и автодороги.
– Преимущество: оптимизация расхода топлива.
Auto:
– Принцип действия: автоматическое распределение крутящего момента двигателя
между четырьмя колесами в зависимости от качества сцепления.
– Условия использования: все типы дорог с любым качеством сцепления и особенно
скользкие дороги (дождь, снег, лед).
– Преимущество: лучшее сочетание курсовой устойчивости и тяги при любом сцеплении,
а значит, оптимальная безопасность.
Lock:
– Принцип действия: фиксированное распределение крутящего момента двигателя
на 4 колеса. Управление двигателем и торможение адаптированы к использованию
в режиме полного привода.
– Условия использования: сложные и непреодолимые участки (пересеченная местность,
грязь, земля, песок) на малой скорости (
Я езжу в основном в режиме «Авто».
2ВД пользую крайне редко.
Например когда быстро едешь «в режиме авто» и на трассе много луж, авто начинает плыть, передок теряя сцепление с дорогой начинает пробуксовывать причем довольно сильно и муфта подрубается сильным рывком.
вот единственный случай когда я использую 2 ВД.
После того как поставил А/Т авто перестало плавать на скорости до 100 км/ч.
Во. самое интересное режим 2 ВД позволяет проверить на практике чем отличается полный привод от переднего.
И за что вы заплатили деньги покупая полный привод.
https://www.youtube.com/watch?v=xCxlgNJtS4I
4ВД ЛОК использую на бездорожье. Когда один еду то ЛоК использую для того, чтоб выбраться если сядет на режиме «авто». Если еду на бездорожье не один, то 4вд использую для увеличения проходимости.
Только зимой я бы не рискнул на «auto» ездить
Поясните вашу точку зрения.
Просто. Я, как раз рекомендую, зимой ездить в режиме «Авто». Откатал на автоматически подключаемом приводе 3 зимы из них 2 довольно суровых. общий зимний пробег за эти 3 зимы составил не менее 70 000 км.
У меня небыло опыта управления по грязи на 4х4. Разница вообщето есть. Влез в грязюку, все время меня по жиже норовило поперек дороги поставить.
Справился кое как
НО и гребет.
В поле вам нужно заехать, в дождик, чтоб ИМХО не было таких глупых вопросов
Ну, вопрос не глупый, и полный привод на дастере, создан больше для дорог, а не для пашни. Так, чтоб понять нужно попасть на скользкую дорогу. (желательно закрытую)
из опыта понял что по сухому песку на 2WD Дастер не едет, начинает зарываться, переключаешь на АВТО и он перестает замечать что под колесами песок.
Фактически это не АВТО, а 4WD. Что такое АВТО? это подключение заднего привода при пробуксовке передних колес. Причем этот привод не имеет межосевого диференциала. Т. е. усилие передается и на передний и на задний привод, при этом межколесный дифференциал усилие передает на то колесо(на каждом приводе), которому легче крутится.
Фактически Дастер, при включении 4WD, имеет уазовскую схему полного привода. Что происходит при движении по сухому песку в режиме АВТО? В начале движения происходит пробуксовка передних колес и подключается задний привод.
Машина едет, едет уверенно не буксует, задний привод отключается, тут же начинают буксовать передние колеса и задний привод снова подключается.
После подключения заднего привода, машина снова уверенно едет и задний привод снова отключается. И так по кругу. Постоянное включение-отключение заднего привода негативно сказывается на всех механизмах заднего привода и системы его подключения. ИМХО, поправте меня если я не прав. мне кажется, что в таких случаях надо включать честный 4WD и не обманывать машинку.
А не лучше будет в этих условиях включать просто 2WD (передний привод). Так как на льду вся надежда всетаки только на самого себя.
По моему не лучше! Есть такие моменты когда полный привод необходим, например тронутся в горку.
Лед все таки не песок, это твердая поверхность и если преодолеть силу трения покоя на малой скорости в режиме АВТО(4WD в данном случае), то ничего страшного не произойдет.
Но 4WD на льду(скользкой дороге) строго НЕ рекомендую. Дастер имеет, грубо говоря, уазовскую схему полного привода. Обязательно крутится одно переднее и одно заднее колесо, при включенном 4WD разумеется. На эти колеса передается одинаковый крутящий момент, соответственно они совершают одинаковое количество оборотов.
При одинаковом размере колеса они должны проходить одинаковый путь. А фактически, при движении НЕ по прямой, колеса проходят разный путь. При этом колесо которое прошло путь меньший будет проскальзывать, а то колесо которое прошло больший путь будет не успевать и подтормаживать.
Вот Вам и срыв в занос на очень скользкой дороге. Вот если бы на Дастере стоял межосевой дифференциал, с возможностью его блокировки, то это было бы очень круто. 4WD с НЕЗАБЛОКИРОВАННЫМ межосевым дифференциалом идеальный привод на льду и скользкой дороге.
Нивовская схема, правда у Нивы постоянный полный привод, без возможности 2WD, что увеличивает расход горючего. На мой взгляд почти идеальная система полного привода реализована у Митсубиси. Super Select называется: 2WD(правда на задний привод и это я считаю единственным, но весьма спорным недостатком)
, 4WD с межосевым диференциалом и 4WD с блокировкой межосевого дифференциала. Понижайки это уже отдельная песня. Если бы на Дастере стояла такая система полного привода, это было бы супер, но и стоило это бы совсем других денег. Митсубиси L200 с системой супер селект и с обычной(как на уазике)схемой полного привода отличается в цене (не соврать бы) на 300 тысяч.
Толково всё разъяснили.Спасибо. У Дастера конечно же главная цена. Если бы было 1500 денег,то кто бы стал стоять в очередь на дастер?. Рынок насыщен крутыми внедорожниками.
Только в теории.
Нет. Это не круто. Ибо на гололеде вся энергия (например при старте) отдастся только на одно колесо.
—————————————————————————————————————- На самом деле: Задний привод страдает избыточной поворачиваемостью Передний недостаточной Полный даже в режиме АУТО это нечто среднее и ездить на нем гораздо безопаснее и приятнее. Придет зима убедитесь сами. Я уже 3 зимы откатал, знаю о чем говорю.
стоп, ребята, а 4WD — это не разьве не подобие блокировки межосевого дифа?
Только в теории.
Нет. Это не круто. Ибо на гололеде вся энергия (например при старте) отдастся только на одно колесо.
почему на одно, межосевой диф заблокирован, так что на каждую ось приходится одинаковое вращение карданов и на каждой оси минимум по одному колесу должно крутиться
Последний раз редактировалось Hiporama; 07.09.2021 в 01:37 .
Только в теории.
Нет. Это не круто. Ибо на гололеде вся энергия (например при старте) отдастся только на одно колесо. —————————————————————————————————————- На самом деле: Задний привод страдает избыточной поворачиваемостью Передний недостаточной Полный даже в режиме АУТО это нечто среднее и ездить на нем гораздо безопаснее и приятнее.
Придет зима убедитесь сами. Я уже 3 зимы откатал, знаю о чем говорю.
Ну чтож мериться, так мериться: У меня 5 лет была Нива 2121, потом годовалый перерыв перерыв на папин Хариер переднеприводный с ESP, и в феврале будет 5 лет как Тойота Ками(постоянный полный привод с возможностью блокировки межосевого диференциала, короче нивовская схема).
На самом деле в случае наличия полного привода с межосевым диференциалом усилие идет на все 4 колеса, просто в случае пробуксовке усилие будет то одно колесо которое буксует. Но это в теории, на практике (речь идет о гололеде) у меня не разу так не было.
Ни на летней резине, ни на зимней шипованной. Всегда хватало усилия чтобы тронутся в горку по льду.
У отца гараж в овраге находиться, подъем градусов много(не буду врать сколько), по зиме грунтовые воды там выходят и образуют наледи толщиной сантиметров 40(весной их раскалывают, чтоб таяли быстрей, так что видно).
Недоприводы взбираются только на шипах и только с разгона, я же взбираюсь медленно и с достоинством, не блокируя диференциал. А сколько их на мостах гололед шлифуют просто не счесть. При этом, был случай, если одно колесо висит в воздухе, то без блокировки межосевого машинка никуда не едет.
Недостатки заблокированного межосевого диференциала на льду я уже описал. Преимущества режима АВТО перед 4WD в том что задняя ось подключается кратковременно, для преодолениясилы трения покоя или же другого проскальзывания. Когда трогаешься все понятно, скорость малая, задняя ось подключается — ничего страшного.
Прямо машина будет ехать и на передней оси и на 4WD — ничего не произойдет, так как колеса проходят одинаковый путь. Но вот вы входите в поворот в режиме АВТО.
По какой то причине передние колеса начинаю проскальзывать — включается задняя ось. Машина преврашается в 4WD с заблокированным дифференциалом, колеса проходят разный путь, а должны проходить одинаковый путь.
ESP у вас нету(себе я заказал с ESP), вы сваливаетесь в занос. В авто с 4WD и межосевым диференциалом колеса могут проходить разный путь, хотя на них все время прилагается усилие, соответственно по этой причине машина в занос не уйдет. А даже если уйдет в занос по какой то другой причине, томежосевой диференциал не позволит эту ситуацию усугубить и позволит быстрее выйти из заноса.
Привод задних колес автомобиля рено дастер
Подробнее о работе системы полного привода Ниссан на примере X-Trail: При переключении в моноприводный режим управление муфтой полностью отключается. К слову, именно поэтому значительно понижается расход топлива: В авто-режиме активируется муфта-автомат, управление которой на этот раз производится не со стороны водителя, а при помощи датчиков пробуксовки колес, которые расположены в ЭБУ Рено Дастер.
На концах которых установлены ШРУСы.
Если говорить точнее, ШРУСы там только внешние. Внутренние шарниры имеют триподы, в результате чего оси перемещаются с некоторым зазором. Таким образом, можно говорить, что конструкция Дастера с передними ведущими колесами проста и типичная для большинства переднеприводных машин.
И это является несомненным плюсам. Рено Дастер — машина бюджетная. Чем проще устроена, тем проще и быстрее ремонтировать.
Переднеприводный Дастер, увы, не сможет уверенно проехать там, где пройдет Дастер с подключаемым полным приводом. Машина была на гарантии, дилер быстренько все поменял, а если бы не гарантия, то влетело бы мне это в круглую сумму.
Еще расход топлива на 3 литра больше, чем у авто с передним приводом, но с такой же силовой установкой. Я считаю, что все дело в том, как именно работает муфта. Я прочитал много отзывов, понял, что это нормально.
Если вы хорошо знаете режимы и принцип работы муфты, то можно с легкостью прийти к комфортабельному вождению по пересеченной местности, при этом не стоит беспокоиться о большом расходе горючего и необходимости частого ремонта трансмиссии.
Поэтому, режим АВТО считается самым оптимальным в использовании.
Там, где необходимо, стоит кратковременно включить ручной режим, а когда он станет не нужным обратно переключить на режим AUTO.
Устройство работы полного привода оказалось простым и понятным. Конечно, если муфта выйдет из строя, то придется заменить узел полностью, что дорого, поэтому стоит соблюдать правила использования режима 4х4.
Она может включаться как принудительно водителем, так и с помощью ЭБУ. Рассмотрим все более просто и наглядно: Подробная схема полного привода на Дастере Через карданный вал он попадает на задний редуктор, в котором стоит муфта-регулятор включения заднего привода.
Универсальный трудяга
В переднеприводном варианте первая передача Duster работает, как у подавляющего большинства автомобилей с механической коробкой.
Ее передаточное отношение поменьше (3,73), отчего машина разгоняется быстрее. Чуть продавил педаль, а кроссовер уже метнулся вперед.
Как городской автомобиль переднеприводный Duster невероятно хорош. Он интереснее отзывается на пришпоривания. Из-за большого проема двери на водительское место не садишься, а входишь, как в личный кабинет. Дверь распахивается широко, отчего не боишься задеть крышу лбом или глазом. При этом «калитка» очень легкая.
Испытания для переднего привода начинаются под конец зимы, когда февральские и мартовские снегопады окончательно побеждают коммунальные службы и дворы превращаются в непроходимые сугробы. Проехать к дому трудно. Но у переднеприводного Duster есть высокий клиренс. И эти проблемы оказываются для кроссовера не так страшны, как для подавляющего большинства «пузотерок».
Центр тяжести у него смещен немного вперед. Заднего моста нет, как и карданного вала, отчего автомобиль больше наваливается на передние колеса.
Поэтому зацеп неплохой. По кручам Duster ползает намного лучше хэтчбеков и седанов на родственной платформе В0.
Но вот трамбовать сугробы, как Defender, он не может. Стоит уткнуться передком в снежную целину, как начинаются пробуксовки.
Зато летом переднеприводный Duster пролезет почти там же, где и полноприводный. Грунтовая дорога с лужицами или гравийка с ямами ему нипочем. Разница в проходимости заметна лишь на горных кручах, где при проезде, вывешиваются ведущие колеса. Даже при поездках на рыбалку или в глухую деревню можно обойтись только передним приводом.
Управление муфтой
Благодаря подобной системе, Рено Дастер полный привод имеет сразу несколько режимов, которые отвечают за работу муфты-переключателя и, соответственно, за подачу крутящего момента к задним колёсам машины:
Режим Lock. Этот вариант позволяет включить полноприводный режим машины, ведь блокирует распределительную муфту. Это включает принудительное распределение крутящего момента на все оси, так что машина переходит в режим 4х4.
Стоит учитывать, что при активированном Lock не стоит ездить быстрее, чем со скоростью 80 км/ч, что может привести к выходу из строя муфты. Дело в том, что при её поломке придётся заменять целый узел, а это выйдет ой как не дёшево!
Auto режим. При его активации за включение и отключение полного привода на Рено Дастер отвечает ЭБУ. Если поверхность, по которой едет автомобиль, ухабистая, то машина переходит в режим 4х4, а вот при езде по хорошей дороге хватает и полноприводного варианта. Как правило, автомобилисты использует режим Auto постоянно, ведь только единицы управляют муфтой распределения вручную;
Режим 2WD. Эту функцию используют в тех случаях, когда хотят перевести Рено Дастер на переднеприводный формат, который оптимален для передвижения по нормальным дорогам. Он активирует работу муфты, а потому крутящий момент на задние колёса перестаёт подаваться.
Как видите, управлять приводами на Рено Дастер более чем просто, особенно, если использовать автоматический режим.
В остальном же машина не отличается невариативных кроссоверов, поэтому особой специфики при управлении данным кросовером нет. Подвеска Рено Дастер полный привод является независимой, что значительно способствует улучшению проходимости, комфорту в салоне при езде по ухабам.
Чувство разницы
Ну как тут не вспомнить о стереотипах, касающихся управляемости! На переставке (имитация объезда препятствия) выясняется, что «Дастер 2WD» быстрее и, главное, проще в управлении. Он, в отличие от 4×4, совсем не стремится выполнить маневр резко. Наоборот: поначалу монопривод удивляет большими кренами и слишком спокойными реакциями на поворот руля.
Полноприводник с его более активной — независимой задней подвеской ведет себя напористее, а временами даже норовисто, словно подстегивая водителя к ответным действиям. Едет такая машина очень уверенно, особенно если учесть отсутствие системы стабилизации.
Однако на ней легко допустить ошибку, а в пределе занос задней оси заставит выскользнуть за пределы коридора.
«Рено» же с передним приводом требует от души покрутить баранку в борьбе с запаздываниями и недостаточной поворачиваемостью, но, в отличие от собрата, в скольжение уходит мягче.
Обе «мазды» — с чуткой системой стабилизации, вмешивающейся в процесс управления довольно рано. Но передний привод вновь оказывается понятнее. Так что и здесь преимущество в скорости переставки — за передним приводом и 17-дюймовыми колесами.
Дороги общего пользования помогли окончательно расставить приоритеты. На них проявился лучший комфорт моноприводной «Мазды» и ее более правильное поведение в поворотах. Полноприводник на 19-дюймовых шинах совсем не любит неровностей: появляется вертикальная раскачка и даже небольшие рыскания.
Это не критично, но насколько же комфортнее и проще переднеприводная машина. Причем такой кроссовер куда лучше слушается педали газа. Никакой задумчивости, томных пауз даже при переходе автомата к высшим передачам. Версия же 4×4 нередко грешит провалами, особенно при резком нажатии на акселератор.
А что «дастеры»? Здесь машина с передним приводом тоже оказалась комфортнее. Причем даже более заметно, чем в случае с «маздами». С неровностями дорожного полотна отменно борются оба «рено», этого фамильного достоинства у них не отнять. Но если полноприводный «Рено» все же дает почувствовать глубину и размер колдобин, иногда довольно резко, то под колесами переднеприводного автомобиля большинство из них словно растворяется, вызывая лишь незначительные покачивания кузова.
Самое интересное, что колеса на «дастерах» одинаковые, различия коренятся именно в подвесках.
Полный привод кроссоверов Renault и Nissan: основные проблемы — журнал За рулем
На автомобиле Рено Дастер полный привод состоит из нескольких основных узлов. К ним относятся раздаточная коробка, муфта, карданный вал и дифференциал задней оси. Разберёмся, каким образом все эти элементы взаимодействуют между собой и в том, какие тонкости надо учитывать при эксплуатации кроссовера с системой 4х4.
Полный привод современного кроссовера
Практика показывает, что рецепт создания полноприводного кроссовера у всех непремиальных фирм получается примерно одинаковым. Двигатель установлен поперечно в правой части моторного отсека. Коробка передач (безразлично, механика, вариатор или автомат), естественно, также получается установленной поперечно — только уже перед водителем. Все валы внутри нее также располагаются поперек продольной оси автомобиля.
А приводной вал, который передает крутящий момент на заднюю ось, проходит вдоль этой оси, через всю машину. Поэтому необходимо применение углового редуктора спереди и карданного вала, идущего к задней оси.
Карданный вал соединен с муфтой, управляющей передачей момента на заднюю ось. Далее, поскольку вращение нужно передать под углом 90 градусов, неизбежно применение второго углового редуктора, совмещенного с дифференциалом. От дифференциала приводы передают вращение задним колесам. Такая схема используется на автомобилях фирмы Nissan (Terrano, Qashqai, X-Trail) и Renault (Duster, Kaptur и Koleos).
Схема трансмиссии: 1 — двигатель; 2 — сцепление; 3 — коробка передач; 4 — привод правого переднего колеса; 5 — угловой редуктор; 6 — межколесный дифференциал передней оси; 7 — карданная передача; 8 — электромагнитная муфта; 9 — привод правого заднего колеса; 10 — межколесный дифференциал задней оси; 11 — задний редуктор; 12 — привод левого заднего колеса; 13 — привод левого переднего колеса
Схема трансмиссии: 1 — двигатель; 2 — сцепление; 3 — коробка передач; 4 — привод правого переднего колеса; 5 — угловой редуктор; 6 — межколесный дифференциал передней оси; 7 — карданная передача; 8 — электромагнитная муфта; 9 — привод правого заднего колеса; 10 — межколесный дифференциал задней оси; 11 — задний редуктор; 12 — привод левого заднего колеса; 13 — привод левого переднего колеса
Коробка передач: 1 — картер коробки передач; 2 — картер сцепления; 3 — первичный вал; 4 — сальник ведущего вала раздаточной коробки; 5 — привалочная плоскость редуктора
Коробка передач: 1 — картер коробки передач; 2 — картер сцепления; 3 — первичный вал; 4 — сальник ведущего вала раздаточной коробки; 5 — привалочная плоскость редуктора
Привалочная плоскость редуктора.
Стрелкой показаны шлицы привода редуктора.Привалочная плоскость редуктора. Стрелкой показаны шлицы привода редуктора.
После первичного и вторичного валов коробки передач установлена главная передача, которая понижает частоту вращения до необходимой для вращения колес. Напомним, что связь с приводами передних колес не прямая, а через дифференциал.
Коробка передач, будь она автоматическая, вариатор или с ручным переключением, несколько отличается от обычной, устанавливаемой на переднеприводные автомобили. Слева в коробку передач входит шлицевая и цилиндрическая часть корпуса внутреннего шарнира привода левого колеса. Тут все как у любой переднеприводной машины. А вот с правой стороны потребовалось подсоединить привод правого колеса и осуществить, как это принято говорить применительно к грузовикам, «отбор мощности» для привода задней оси.
Для более компактного размещения узлов применена схема, при которой привод на заднюю ось происходит от шлицев, нарезанных в отверстии коробки дифференциала.
Пристыкованная к коробке передач раздаточная коробка на самом деле представляет собой обычный угловой редуктор с гипоидной передачей. Единственное не совсем традиционное решение — это применение полого ведущего вала. Принята такая конструкция для того, чтобы пропустить внутри проходной вал, на шлицевой конец которого и надевается корпус внутреннего шарнира привода правого колеса.
Отзывы
- Все автомобили
- Внедорожники и кроссоверы
- Коммерческий транспорт и спецтехника
- Автомобили такси
- Покупка
- Выкуп
- Комиссия
- Обмен
- Подбор
- Техобслуживание
- Слесарный ремонт
- Кузовной ремонт
- Гарантийный ремонт
- Калькулятор ТО
- Запчасти
- Прокат авто
- Доп. оборудование
- Страхование
- Кредитование
- Лизинг
- Trade In
- Тест-драйв
- Корпоративным клиентам
- Покупка
- Сервис
- Покупка
- Сервис
Николай | 4 октября
Недавно приобрел Renault Duster в салоне в Балашихе.
Брат покупал там Renault Kaptur три года назад и остался доволен и салоном и продавцом-консультантом Борисом Филипповым. Действительно нисколько не пожалел, что обратился к Борису. Очень грамотный специалист и деликатный человек, никаких уговоров; комплектация, условия, скидки — все прозрачно. Если кто-то еще сомневается в выборе салона, рекомендую АвтоГермес в Балашихе и продавца-консультанта Бориса Филиппова.
Ирина Кл | 30 сентября
Добрый день! в сентябре приобрела в вашем солоне автомобиль Рено Дастер, осталась очень довольна работой, отношением и вниманием менеджемн работниками, в частности менеджером продажа Филипповым Борисом, огромная ему благодарность за его труды, побольше таких людей.
Елена Викторовна | 18 сентября
Добрый день! 12.09.20 мы с мужем приобрели автомобиль Reno Sandero в автосалоне Автогермес в Балашихе и остались очень довольны покупкой и обслуживанием. Ранее обратившись по телефону к менеджеру по продажам Смирнову Максиму мы получили полную информацию о наличии автомобилей, комплектации и стоимости, которая соответствует информации на сайте автосалона.
Приехав в назначенный день в салон, мы убедились в соотвествии информации еще раз. Нам очень импонировала компетентность менеджера Смирнова Максима, он все четко, грамотно, подробно и внимательно, не упуская ни одной детали, нам все объяснил. Максим профессионал в своем деле, побольше бы таких менеджеров. Мы очень благодарны «Автогермесу» в целом и Максиму, в частности, за приобретённый автомобиль и за правдивость (имеется более печальный опыт), а так же за четкое, хоть и не очень быстрое обслуживание автосалона. С Уважением, Елена и Валерий.
Виктор Карасев | 29 августа
Хочу написать настоящий отзыв о покупке нового автомобиля. При первоначальном посещении салона АвтоГермес Рено, того, что мы хотели — не было. А хотели мы с женой Дастер чёрного цвета с кондиционером, 1,6л. Встретил нас менеджер- консультант Огнев Артем. Опытный и, чувствуется, квалифицированный специалист не только по продажам, но и по самим автомобилям. Ищем, но в наличии (как везде твердят, что все есть) нет .
Предупредил, что придется ждать поставки с завода неделю и предложил произвести пред.оплату.Конечно,и это естественно, я поднапрягся, но согласился. И тут началось. Не думал, что у нас есть ещё такие менеджеры ! Каждый день звонил,успокаивал о доставке, рассказывал об автомобиле. Вы знаете, я поверил! И, действительно, как он и говорил, я получил машину Рено Дастер именно в тот день, как он обещал. Данному сотруднику = ЧЕСТЬ И ХВАЛА . И всеобщее признание ! Что не могу сказать о системе Трейд ин. Оценили машину мою прежнюю по самой нижней планке. Продавайте сами и не ведитесь на льготы (к тому же они невелики- спрашивайте). Общее впечатление о салоне хорошее. Покупайте и будьте Счастливы .
Никонорова Елена | 28 августа
Здравствуйте.Хочу выразить огромную благодарность продавцу-консультанту автосалона Рено АвтоГермес в Балашихе Филиппову Борису за профессиональную помощь в покупке автомобиля.Особо хочется отметить внимательность к клиенту,чуткость и грамотные советы.Благодаря Борису мы стали счастливыми обладателями Рено Дастер.
Хочется,чтобы руководство салона отметило его работу,потому что покупка автомобиля не стала кошмаром,как обычно пугают.Все четко,грамотно,честно и с отличным настроением.Вашу сеть всегда рекомендую,а теперь только Балашиху,несмотря на то,что живем на другом конце Москвы.Такие сотрудники на вес золота и именно они представляют лицо компании. С уважением,Никонорова Елена.
Людмила | 7 августа
Покупали вчера Рено Дастер (2 литра, полный привод) в салоне АвтоГЕРМЕС на шоссе Энтузиастов. Хочу отметить работу менеджера Александра Бродского. За свою жизнь много раз покупала автомобиль, это был лучший менеджер, всем советую. По машине: прокатились вчера, были приятно удивлены автомобилем. Машина вполне достойная, плотная, тихая, подвеска супер, хорошо рулится.
Технические особенности муфты:
- Муфта передает крутящий момент и на переднем и на заднем ходу, т.к. канавки, расклинивающие шарики, выполнены симметричными.
- Для срабатывания муфты нужно хотя бы небольшое «отставание» задних колес от передних.

- Электромагнит управляется подачей импульсов напряжения; усилие регулируется с помощью широтной модуляции этих импульсов.
- При подаче неполного питания на электромагнит муфта обеспечивает неполное замыкание и способна к провороту.
- При полной подаче напряжения даже полностью замкнутая муфта может передавать момент, ограниченный силами трения в муфте.
- Датчиков температуры в муфте нет, и выключение ее «по перегреву» происходит, когда блок управления достаточно длительное время «видит» через датчики ABS, что при полном питании на муфте задние колеса все равно не вращаются, а передние вращаются со значительной скоростью.
Renault Duster — обзор модели
Представляем долгожданную премьеру — новый внедорожник Renault Duster. Лидер в сегменте внедорожников, Duster сохранил впечатляющие внедорожные характеристики в сочетании с надежностью, практичностью, комфортом и приобрел более мощные двигатели, современное инновационное оборудование и новый дизайн.
Renault Duster готов к испытаниям в любом климате и на любых дорогах!
Разбор в деталях
Если автомобили Renault Duster, Logan и Sandero поставить рядом, то Вы без труда заметите, что все три модели имеют как схожий дизайн, так и много общих узлов и деталей. И это неслучайно, ведь они построены на базе платформы B0.
Сегодня у нас на обзоре внедорожный представитель этой линейки — Renault Duster, обладающий характерными для этого класса автомобилей мощными колесными арками, скрывающими высокопрофильные шины и высоким клиренсом и бампером, готовым к преодолению препятствий.
Отечественный рекламный слоган «Скандально доступный внедорожник» точно отражает замысел разработчиков, создавших доступный кроссовер обладающим простым, но притягательным дизайном, более детально об этом и многом другом расскажет рено дастер обзор.
Внешний вид
По заявлению разработчиков, в салоне нового Dusterа нет ни одной кузовной панели от предыдущей модели и это действительно так!
Перед командой дизайнеров, возглавляемой Лоренсом ван ден Актером стояла непростая задача: сохранить узнаваемые черты старой модели, но остаться в рамках концепции бюджетного автомобиля.
С этой непростой задачей команда успешно справилась, создав автомобиль с характерными чертами и силуэтом, и сохранив всё то, чем привлекает Duster — простоту, доступность и универсальность.
Изменениям подверглась линия остекления, капот и крылья. Стилисты полностью изменили решетку радиатора и бамперы. Благодаря этим изменениям автомобиль приобрел более богатый и серьёзный вид. Обсуждения разгорелись лишь вокруг одной детали — задних фонарей, хотя большинство автолюбителей сходятся во мнении, что новые фонари привлекательнее прежних!
Внутреннее пространство
Дизайн сидений также был обновлён, но их профиль остался прежним, он всё так же недостаточно комфортен для людей обладающих крупной комплекцией и в дальних поездках может доставить некоторые неудобства. Остальные элементы салона подверглись более серьезным изменениям: полностью переработаны передняя панель, приборы и кондиционер.
Новые горизонтальные клавиши-тумблеры и панель регулировок кондиционера, конечно, не являются новым словом в дизайне, но в сравнении с предыдущей версией автомобиля вызывают искренний восторг.
В топовой комплектации, устанавливается не просто кондиционер, а уже полноценный климат-контроль, справляющийся с любыми капризами погоды. Разработчики смогли избежать прошлых ошибок, допущенных при проведении рестайлингов прошлой модели.
Теперь салон выдержан в едином лаконичном стиле. Были учтены и мелкие недочёты, например, мультимедийная система, получившая название Media Evolution, оснащена семидюймовым цветным сенсорным экраном, имеет прежний интерфейс и функционал. Разработчики повысили удобство работы с ней — теперь система расположена выше и повернута к водителю.
Приборная панель подверглась радикальным изменениям, на смену трём «колодцам» пришли два циферблата и большой экран бортового компьютера. Остаток топлива отображает точный цифровой дисплей. Климат контроль управляется с помощью стильных вращающихся «шайб» со встроенными внутрь дисплеями. Пиктограммы на них отлично разбираются даже в солнечную погоду. Подобным образом оформлен и рычаг КПП. Как и в предыдущей модели, салон оформлен жестким пластиком
Новый Renault Duster может поразить своим оснащением.
Это сразу положительно влияет на ощущение новинки. Доступ без ключа, запуск простым нажатием кнопки и четыре наружные камеры, которые обеспечивают полный наружный обзор вокруг автомобиля.
Хорошее качество картинки даёт возможность контроля за ситуацией в любое время. Место водителя для некоторых любителей комфорта вызывает некоторые нарекания, зато задние пассажирские места вне критики.
Улучшен центральный тоннель, что позволяет даже среднему пассажиру заднего сидения спокойно вытянуть ноги. Дефицита места и для переднего, и для задних пассажиров нет. В общем, салон стал значительно дружелюбнее для обитателей
Теперь о движении
Мотор бензиновый и того же объёма, что и в прежней модели, но мощность выдаёт выше на 10 л.с., а это позволяет сократить время разгона до «первой сотни». Теперь это 12,9 секунд.
Выводы
Полный привод был чем-то экзотическим в начале и середине нулевых. Теперь кроссоверы составляют значительную часть автопарка. Полноприводные автомобили концерна Рено-Ниссан имеют не очень сложный и довольно надежный полный привод.
Большое количество бэушных запчастей на рынке облегчает ремонт. И тем не менее помните, что этот привод не служит для ежедневного «джипования». Его предназначение — иногда проехать там, где не проберется моноприводная машина. Берегите и правильно используйте свой кроссовер, и он послужит вам верой и правдой много лет.
Полный привод кроссоверов Renault и Nissan: экспертный разбор «За рулем»
Подведение итогов
По отзывам владельцев, полный привод на Рено Дастер надежен. Чтобы система работала долго и без поломок, водитель должен обратить внимание на манеру езды. Следует помнить, что основной режим движения – 2WD (или AUTO).
Подключение полного привода требуется не так часто даже на сложной дороге. Пользоваться режимом LOCK следует только при крайней необходимости. После преодоления опасного места нужно незамедлительно перейти на AUTO. Это избавит раздаточную коробку и задний редуктор от избыточной нагрузки и позволит избежать поломки. Замена данных агрегатов – это дорого.
Полноприводный Renault Duster имеет хорошую проходимость. Модель в полной мере отвечает требованиям, которые предъявляются к бюджетным внедорожникам.
Запасное колесо рено дастер
Запаска в полноприводной и переднеприводной машине размещается в разных местах. Различия обусловлены конструкцией подвесок. В моноприводной версии запасное колесо крепится на специальных кронштейнах под днищем автомобиля. Таким образом, освобождается дополнительное место в багажнике, но грязное колесо неудобно менять в дороге.
В полноприводной версии запасное колесо находится в специальном пенале под фальшполом
В полноприводной версии запаска размещается под фальшполом в специальном контейнере с дополнительными выемками под инструменты и другие мелочи. Для России такой вариант более предпочтительный. Даже в ненастную погоду колесо чистое. Минусы заключаются в уменьшении багажного отделения до 67 литров и трудном доступе к колесу под фальшполом. Чтобы добраться до запаски потребуется разгрузить багажник.
Смотрите видео, как трансформировать фальшпол.
Трансформация фальшпола в багажнике
Тестдрайв: Dacia Duster, 2.0AT, 4WD, ESP 2014my 4000km
Тестдрайв Дастера!
Про радиатор: https://www.dusterclubs.ru/vb/showpost.php?p=544798&postcount=983
Полная комплектация Luxe (кожа, 7″ Media Nav) Машина 2014 модельного года, двигатель F4R 2.0l 16v, коробка DP8 (оно же DP2, DP0, AL4), полный привод, ESP. Новый цвет — «темный каштан». Машина только только прошла обкатку, пробег 4000км на момент теста.
Подробнее в блоге: https://andrei.krutsko.com/blog/index.php?entry=entry140611-211657
Моя партнерская программа VSP Group. Подключайся! https://youpartnerwsp.com/ru/join?9882
ЗАНИМАТЕЛЬНАЯ МАТЕМАТИКА
Мы взяли «Мазду СХ-5» и «Рено-Дастер», самые горячие новинки класса. У полноприводного «Дастера» даже задняя подвеска иная, нежели у его моноприводного собрата, — независимая. Коробки передач у машин с двигателем 2 л также привязаны к количеству ведущих колес: автомат (и только он) — у версии 4×2, в то время как 4×4 поставляется исключительно с шестискоростной механикой.
У «Мазды СХ-5», напротив, тип привода почти не влияет на все остальное. Даже на уровень оснащения — благодаря пакетам опций к комплектациям Touring и Sport. Наибольшие различия — в шинах и колесах. Машина 4×4 обута в 19-дюймовые покрышки, модификация 4×2 довольствуется 17-дюймовыми.
Начинаем измерения. Загнав машины на весы, обнаруживаем: полный привод добавляет «Дастеру» 70 кг, а «Мазде» — более сотни. Хотя на фоне общей снаряженной массы в 1400–1500 кг это мелочь. Не велика разница и в геометрической проходимости, у переднеприводного «Дастера» последняя даже немного лучше.
Из двух «рено» быстрее разгоняется полноприводный, но это в основном заслуга механической коробки. С «маздами» ситуация интереснее. Монопривод в разгоне напористее, что чувствуется и без измерительной аппаратуры. У переднего привода лишь небольшой проигрыш в максималке, но он обусловлен подбором передаточных чисел и большими колесами версии 4×4. Обе машины достигли предельной скорости на четвертой передаче, однако 4×2 на 17-дюймовых шинах раньше уперся в ограничитель оборотов, не пожелав ускоряться на следующей, пятой скорости.
Кстати, тормозной путь у обеих чисто переднеприводных машин оказался заметно короче.
ЧУВСТВО РАЗНИЦЫ
Ну как тут не вспомнить о стереотипах, касающихся управляемости! На переставке (имитация объезда препятствия) выясняется, что «Дастер 2WD» быстрее и, главное, проще в управлении. Он, в отличие от 4×4, совсем не стремится выполнить маневр резко. Наоборот: поначалу монопривод удивляет большими кренами и слишком спокойными реакциями на поворот руля. Полноприводник с его более активной — независимой задней подвеской ведет себя напористее, а временами даже норовисто, словно подстегивая водителя к ответным действиям. Едет такая машина очень уверенно, особенно если учесть отсутствие системы стабилизации. Однако на ней легко допустить ошибку, а в пределе занос задней оси заставит выскользнуть за пределы коридора. «Рено» же с передним приводом требует от души покрутить баранку в борьбе с запаздываниями и недостаточной поворачиваемостью, но, в отличие от собрата, в скольжение уходит мягче.
Давай, поехали! –
услышал один из авторов в ответ на глубокомысленные рассуждения, изложенные выше. – Все это правильно, а теперь бери вот этот баул и неси вон к тому «Дастеру»! Когда вместо обычного зарубежного тест-драйва предложила «За рулем» поучаствовать в перегоне автомобиля в Москву, сомнения возникли только в выборе маршрута.
Чтобы успеть с материалом в этот номер, пришлось отказаться от идеи явиться на «Дастере» в Россию. Мы предпочли полторы тысячи километров испано-французских автострад и небольшую, но показательную часть прерий… или как там у них называется то, куда съезжаешь с асфальта.
Еще один признак – на панели приборов: символы D и 4WD LOCK
Сказать, что полноприводный «Дастер» с «автоматом» сразу выдает себя на фоне переднеприводного старшего брата, – погрешить против истины. Поставил режим 2WD – и вот тебе та же машина. Поди почувствуй, насколько изменены передаточные числа в трансмиссии (ответ: увеличены примерно на 5%).
К концу второго дня расход замер на отметке 10,2 л/100 км при средней скорости 72,9 км/ч. Могло быть и поменьше, но для этого «автомату» не хватает парочки ступеней. «Дастер» отнюдь не полигон для новых технических решений, он примеряет проверенные временем (читай: недорогие) агрегаты.
Багажник версии 4×4 меньше на 67 л, поскольку у него выше фальшпол. Зато запаска уложена прямо под ним, а не пристегнута снаружи в заднем свесе. Доставать ее оттуда, а тем более укладывать – сомнительное удовольствие.
При обгонах «автомат» решительно переходит на передачу вниз, принуждая двигатель завывать в попытках разогнать машину. Увы, его усилия теряются где-то между третьей и четвертой передачами, так что вялое опережение совершенно не соответствует шумовым эффектам.
Характеристики мультимедийных систем внедорожника
Радио Connect устанавливают за доплату в версии Life, а для Access предлагают платно обычную аудиосистему MP3. В более продвинутых сборках новый мультимедийный комплекс с большими шайбами регулировки радио установлен в базе.
Самое интересное внутри мультимедийной системы – цифровое радио DAB и синхронизация электроники со смартфоном при помощи бесплатного приложения R&GO. В качестве опции для Drive и Drive Plus предлагается новая MediaNav 4.0.
Radio Connect устанавливается в базе с версии Drive
Дастер второго рестайлинга собирается на московском заводе. В российском офисе корпорации обещают, что Renault Duster 2 в новом кузове появится в нашей стране в 2021 году. Запуск автомобиля откладывали в связи с производством нового Coupe Arkana.
- Внедорожник Duster 2 остался без атмосферных двигателей.
Поделитесь статьей в соц. сетях:
Как работает полный привод в дастере. Обойдемся без грязи
Оценить возможности переднего привода мы решили на примере Renault Duster с 1,6-литровым мотором. Полноприводные версии оснащаются 6-ступенчатой механикой с «коротенькой» первой ступенью, играющей роль понижайки. Когда нужно пробраться по камням и топям к лесному озеру или речке, то без первой передачи с передаточным отношением 4.
45 не обойтись.
Фото: Renault
Если раскрутить мотор Duster под красную зону и вывести его на режим максимальной мощности, то скорость кроссовера на первой ступени не будет превышать 15 км/ч. Это удобно, так как можно проходить брод и грязевые ванны, не опасаясь дефицита тяги.
Кроме того, полноприводный Duster, благодаря внедорожному передаточному отношению, может стартовать с места на холостом ходу и даже карабкаться на россыпи больших валунов. Настройки мотора позволяют почти не касаться педали газа, если нужно аккуратно проползти по размытым горным дорогам.
Фото: Renault
Однако в городе первая передача шестиступки неинтересна. Она лишь подталкивает машину вперед и сразу приходится переключаться на вторую. Поэтому многие водители ради экономии времени стартуют сразу о второй ступени, считая ее вполне приспособленной для этого. Так думать не совсем правильно, потому что передаточное отношение в 2,59 не всегда подходит для полноценного старта. Приходится дольше держать сцепление полуразомкнутым, отчего наблюдается его повышенной износ.
Поэтому для жителей больших городов, для которых проблемы оффроуда неочевидны, передний привод и 5-ступенчатая трансмиссия кажутся предпочтительными.
Фото: Renault
Универсальный трудяга
В переднеприводном варианте первая передача Duster работает, как у подавляющего большинства автомобилей с механической коробкой. Ее передаточное отношение поменьше (3,73), отчего машина разгоняется быстрее. Чуть продавил педаль, а кроссовер уже метнулся вперед. На пике тяги 115-сильного 1,6-литрового мотора такой Duster на первой передаче едет со скоростью в 40-45 км/ч. Поэтому пятиступка удобнее в городе, но она пасует на офф-роуде.
Фото: Renault
Как городской автомобиль переднеприводный Duster невероятно хорош. Он интереснее отзывается на пришпоривания. Из-за большого проема двери на водительское место не садишься, а входишь, как в личный кабинет. Дверь распахивается широко, отчего не боишься задеть крышу лбом или глазом. При этом «калитка» очень легкая.
Назад тоже доступ упрощен. Если усаживаешь ребенка в детское кресло, то не надо тянуться и изгибаться, как башенный кран. Все получается легко и незаметно.
Испытания для переднего привода начинаются под конец зимы, когда февральские и мартовские снегопады окончательно побеждают коммунальные службы и дворы превращаются в непроходимые сугробы. Проехать к дому трудно. Но у переднеприводного Duster есть высокий клиренс. И эти проблемы оказываются для кроссовера не так страшны, как для подавляющего большинства «пузотерок».
Фото: Renault
Центр тяжести у него смещен немного вперед. Заднего моста нет, как и карданного вала, отчего автомобиль больше наваливается на передние колеса. Поэтому зацеп неплохой. По кручам Duster ползает намного лучше хэтчбеков и седанов на родственной платформе В0.
Но вот трамбовать сугробы, как Defender, он не может. Стоит уткнуться передком в снежную целину, как начинаются пробуксовки.
Фото: Renault
Зато летом переднеприводный Duster пролезет почти там же, где и полноприводный.
Грунтовая дорога с лужицами или гравийка с ямами ему нипочем. Разница в проходимости заметна лишь на горных кручах, где при проезде, вывешиваются ведущие колеса. Даже при поездках на рыбалку или в глухую деревню можно обойтись только передним приводом.
Вообще возможности полного привода у нас мифологизированы. Доходит до смешного. Порой специально ищешь трудные места, которые под силу только «настоящим внедорожникам». Карабкаешься по тропам куда-нибудь к «святому роднику», теша самомнение, что кроме танка и тебя здесь не проедет никакой другой автомобиль. А на финише застаешь переднеприводные «Лады» и старую тольяттинскую «классику».
Трудности межсезонья
Однако весной или осенью все же попадаются места, где без полного привода не обойтись. К примеру, нужно проехать пару километров до дачи. А после схода снега дорогу убил грузовик, который углубил колею, и она стала непроходимой для легковушек. Все лезут в объезд по целине. Размокшие суглинки, поросшие травой, легко наматываются на колеса, и машина вязнет.
Конечно, электроника переднеприводного Duster помогает кое-как выбираться. Но с законами физики не поспоришь, и если зацепа нет, то кроссовер тонет на ровном месте.
Фото: Renault
Полноприводный Duster ездит по таким местам заметно лучше. Заблокировал муфту в расчете 50/50. Тяга отправляется на заднюю ось, и даже с тремя буксующими колесами можно выползти из ловушки.
В общем, полный привод это большая дилемма. Потребность в нем у простых автомобилистов возникает лишь пару раз за все время эксплуатации машины. А стоит полноприводный Duster почти на 120 тысяч дороже. Со многими городскими проблемами справится и переднеприводный автомобиль с 1,6-литровым мотором.
Однако, если хобби и жизненные увлечения тянут на приключения, связанные с частыми посещениями глубинки, то здесь переплата за полный привод кажется обоснованной. Экономить тут нельзя. Рыбаки, грибники и охотники не откажут себе в удовольствии заблокировать муфту и проползти по лужам по оси глубиной.
Полноприводный Duster обладает феноменальной проходимостью даже с 1,6-литровым агрегатом под капотом.
Технические характеристики Renault Duster
Renault Duster 1.6 2WD MT5 | Renault 1.6 4WD MT6 | |
|---|---|---|
Габариты (длина / ширина / высота), мм | 4315/ 1822 / 1625 | 4315/ 1822 / 1625 |
Колёсная база, мм | ||
Снаряжённая масса, кг | ||
Объём багажника, л | ||
Тип кузова | Универсал | Универсал |
Количество дверей / посадочных мест | ||
Двигатель | 4-цилиндровый, рядный | 4-цилиндровый, рядный |
Рабочий объём, см³ | ||
Максимальная мощность, л. | ||
Макс. крутящий момент, Нм / об./мин. | ||
Трансмиссия | 5-ст. механическая | 6-ст. механическая |
Передний | ||
Дорожный просвет (мм) | ||
Объем топливного бака, л | ||
Разгон до 100 км/ч, с | ||
Макс. скорость, км/ч | ||
Расход топлива (смешанный), л/100 км | ||
Цена тестового автомобиля | От 689 000 руб | От 809 990 руб |
С попаданием на отечественный рынок автомобилей Рено Дастер получил весьма широкую популярность. Связано это с тем, что за относительно невысокие деньги потребитель получает качественный кроссовер с полным приводом.
Для многих автолюбителей функция 4х4 является необходимостью, поскольку приходится ездить по бездорожью довольно часто. Особенно это касается фермерских и лесных угодий. Но, какой же принцип работы полного привода на Рено Дастер?
Как работает полный привод Рено Дастер рассказано на видео:
Сначала рассмотрим не техническую сторону вопроса, а функциональную. Поскольку современные автомобильные тенденция стремятся к уменьшению расхода горючего, то на автомобилях зачастую устанавливают переключатели с полного привода на обычный. Этой полезной функциональности не лишился и Рено Дастер. Так, в салоне автомобиля размещена шайба-переключатель, которая позволяет включать разные режимы. Рассмотрим вопрос более детально:
Таким образом, видно, что как и блок управления, так и сам водитель может выбирать на каком режиме ездить.
Принцип работы полного привода на Рено Дастер
Если говорить о принципе работы заднего привода, необходимо понимать некоторые технические и конструктивные особенности Рено Дастер.
В случае переднего привода, все крутящие моменты уходят через шрусы на передние колеса. А как же работает задний?
В этом случае, на автомобиле установлена раздаточная коробка, которая перенаправляет крутящий момент и на задние колеса. Система была придумана достаточно давно, еще в далекие 50-е, но принцип остался по наши дни, хотя эти устройства все время совершенствуются.
Классическая схема подключаемого полного привода
В заднем редукторе Рено Дастер установлена муфта, и в случае ее блокировки задний привод не работает.
Она может включаться как принудительно водителем, так и с помощью ЭБУ. Рассмотрим все более просто и наглядно: двигатель подает крутящий момент на КПП, а с нее он попадает на распределительную коробку.
Подробная схема полного привода на Дастере
Через карданный вал он попадает на задний редуктор, в котором стоит муфта-регулятор включения заднего привода. Если она включена, то работает полный привод, если выключена, то только передний.
В .
Еще раз напомним, что принудительно использовать муфту-переключатель не стоит в течении длительного срока, поскольку она может выйти со строя под силовой нагрузкой. Поэтому, режим АВТО считается самым оптимальным в использовании.
Там, где необходимо, стоит кратковременно включить ручной режим, а когда он станет не нужным обратно переключить на режим AUTO.
Выводы
Устройство работы полного привода оказалось простым и понятным. Конечно, если муфта выйдет из строя, то придется заменить узел полностью, что дорого, поэтому стоит соблюдать правила использования режима 4х4.
Как работает привод Рено Дастер , какие режимы работы есть у полноприводной трансмиссии данного кроссовера? Постараемся на все эти вопросы сейчас ответить. Тем более вопрос интересует многих россиян, которые мечтают о доступном полноприводном кроссовере.
Схема работы привода Renault Duster довольно незатейлива. Крутящий момент передается в коробку передач, а оттуда распределяется между передними колесами посредством валов, на концах которых находятся шарниры равных угловых скоростей.
Точнее на внешних стоят обычные ШРУСы, а на внутренних «гранатах» конструкция немного другая, там внутри стоят триподы. Это позволяет осям перемещаться с некоторым зазором. Если с передним приводом Рено Дастер понятно, схема его работы мало отличается от принципов работы любого переднеприводного автомобиля с поперечным расположением двигателя. Простота конструкции является большим плюсом для такого бюджетного автомобиля. Скорее всего эту же схему будут применять на Рено Дастер в новом кузове , который появится в нашей стране в 2018 году.
А вот полный привод на Renault Duster 4х4 устроен чуть сложнее. Коробка передач содержит в себе компактную раздатку (на фото обозначено стрелкой), откуда крутящий момент посредством карданного вала в постоянном режиме передается в задний редуктор. Но в передней части редуктора стоит электромагнитная муфта (месторасположение муфты так же указано стрелкой), которая передает крутящий момент дальше, либо не передает его, то есть карданный вал просто вращается в холостую.
А уже от редуктора по тем же осям со ШРУСами на концах крутящий момент передается на задние колеса. Смотрим фото задней части трансмиссии Рено Дастер 4х4.
А вот и главный элемент полноприводной трансмиссии в разрезе. На данном фото можно очень хорошо рассмотреть все внутренние детали муфты и заднего редуктора.
Такая конструкция трансмиссии Renault Duster позволяет управлять приводом легко и непринужденно. Для управления режимами работы привода в салоне кроссовера есть шайба переключатель, вот она на фото. Одним легким движением можно сделать из переднеприводного кроссовера, полноприводный внедорожник или доверить все автоматике.
- В режиме «Lock» срабатывает электромагнитная муфта и крутящий момент идет через редуктор на задние колеса.
- В режиме «2WD» у Дастера ведущими становятся передние колеса, карданный вал, который должен передавать крутящий момент на задний редуктор вращается в холостую.
- В режиме «Auto» кроссовер сам определяет, когда ему подключать задний привод.
Обычно электромагнитная муфта срабатывает при проскальзывании передних ведущих колес.
Стоит отметить, что самый динамичный и в тоже время экономичный, это «2WD», при частичном или полном задействовании всех 4 колес расход топлива растет. А в режиме полной блокировки электромагнитной муфты «Lock» скорость кроссовера не должна превышать 80 км/ч. Внедорожный режим 4х4 может перегреть муфту, что приведет к поломке трансмиссии. Вот так и работает полный привод Рено Дастер.
Рено Дастер 4х4 сразу после появления на рынке вызвал большой интерес на российском рынке. Довольно интересные характеристики кроссовера тут же оценили тысячи россиян. Сегодня мы подробно разберем устройство полного привода Renault Duster и режимы работы трансмиссии.
Принцип работы Рено Дастер 4х4 не новый, что то подобное используют на других небольших кроссоверах. Например полноприводная трансмиссия Ниссан Кашкая и Джука работает точно так же. На фотографии в начале статьи схема работы полного привода Renault Duster.
Коробка передач Дастер 4х4 выполнена в едином корпусе с дополнительным раздаточным редуктором. При вращении передних колес постоянно вращается хвостовик раздаточного агрегата, к которому крепится карданный вал. А уже карданный вал переносит крутящий момент к заднему редуктору. Но перед задним редуктором стоит электромагнитная муфта, задача которой либо передавать крутящий момент дальше, либо давать вращаться кардану вхолостую. Именно эта муфта и является основным элементом подключаемого заднего привода, без которой трансмиссии 4х4 на Duster не было бы вообще. Как этот элемент трансмиссии выглядит сзади, под днищем кроссовера? Смотрим фото далее.
Работой всего полного привода можно из салона кроссовера с помощью небольшой шайбы, которая как раз и блокирует или разблокирует электромагнитную муфту. Тем самым превращая моноприводный компактный кроссовер в полноприводный внедорожник. Всего режима работы три.
Первый режим работы 2WD – вращаются передние колеса и кардан, но электромагнитная муфта не передает крутящий момент на задний редуктор.
Полноприводный режим “Lock” – электромагнитная муфта блокируется и крутящий момоент идет на задний редуктор, далее на задние колеса.
Автоматический режим “Auto” – В этом режиме при проскальзывании передних колес, например на льду или других скользких поверхностях электромагнитная муфта включается сама и заставляет вращаться еще и задние колеса.
Стоит отметить, что постоянно ездить в режиме “Lock” нельзя, поскольку это приведет к перегреву электромагнитной муфты и её поломке. Естественно в режиме полного привода расход топлива на Дастер 4х4 возрастает особенно на бездорожье.
Владельцы автомобиля Рено Дастер, как и те, кто только задумывается над приобретением данной модели, задаются вопросом, каким образом работает полный привод кроссовера. Перед рассмотрением данной темы, стоит акцентировать внимание на том, что Рено Дастер выпускается как с полным приводом так и с моноприводом. Полноприводная конструкция этой модели полностью совпадает с моделями Nissan Qashqai и X-trail.
В простоим режиме езды Дастер работает на переднем приводе, однако во время пробуксовки передней оси, половина крутящего момента может перебрасываться на заднюю ось посредством электромагнитной муфты. При необходимости, возможна принудительная блокировка электромагнитной муфты.
Принципы работы передней трансмиссии Рено Дастер
Рено Дастер отличается достаточно простой схемой работы привода. При передаче крутящего момента на коробку переключения передач, он распределяется при помощи валов между передними колесами. Конструкция валов включает в себя шарниры одинаковой угловой скорости. Проще говоря, на внешней части расположены обычные шрусы.
Конструкция внутренних «гранат» другая: внутри расположены триподы. Такое строение обеспечивает перемещение осей с определенным зазором. Схема работы и устройство переднего привода Рено Дастер ничем не отличается от принципа функционирования любой переднеприводной модели автомобиля, имеющего поперечно расположенный двигатель.
Во многом благодаря простой конструкции, этот бюджетный автомобиль пользуется такой популярностью.
Устройство полного привода Рено Дастер
Конструкция полного привода, установленного на Рено Дастер, является более сложной. В коробке передач автомобиля расположена компактная раздатка, передающая при помощи карданного вала крутящий момент на задний редуктор. Данное действие осуществляется в постоянном режиме. Передняя часть редуктора оснащена электромагнитной муфтой. Этот элемент конструкции совершает еще одну передачу крутящего момента на редуктор. Редуктор передает крутящий момент по осям со шрусами на задние колеса.
Если крутящий момент не передается дальше электромагнитной муфтой, карданный вал будет попросту вращаться вхолостую. Такое строение трансмиссии Рено Дастер делает управление приводом легким и непринужденным. Управление режимом работы привода осуществляется посредством расположенного в салоне переключателя, позволяющего с легкостью превратить переднеприводный кроссовер во внедорожник с полным приводом.
Также переключение может осуществляться автоматически.
Режимы работы полноприводного Рено Дастер
Рено Дастер – модель, предоставляющая выбор одного из трех режимов движения:
Режим 2WD распределяет привод только на передней оси. При хорошем дорожном покрытии он сокращает потребление топлива.
Режим Auto отвечает за автоматическое подключение полного привода. При этом движение авто осуществляется на переднем приводе, а задний привод подключается при резком ускорении или пробуксовке колес. В таком случае происходит блокировка муфты и распределение крутящего момента между задней и передней осью поровну.
Режим Lock представляет собой режим полного привода. Муфта блокируется водителем, и привод отправляется на все колеса. Это изменяет принцип работы системы впрыска топлива и АБС. «Антибукс» отключается, позволяя автомобилю справляться с крутыми спусками и болотистым грунтом. При блокировке колес машина нагребает грунт впереди себя, уменьшая скорость спуска.
Система топлива работает так, что в режиме холостого хода или первой передачи, Дастер может преодолеть подъем под крутую гору.
Рено дастер как работает полный привод
Как работает привод Рено Дастер, какие режимы работы есть у полноприводной трансмиссии данного кроссовера? Постараемся на все эти вопросы сейчас ответить.
Схема работы привода Renault Duster довольно незатейлива. Крутящий момент передается в коробку передач, а оттуда распределяется между передними колесами посредством валов, на концах которых находятся шарниры равных угловых скоростей. Точнее на внешних стоят обычные ШРУСы, а на внутренних “гранатах” конструкция немного другая, там внутри стоят триподы. Это позволяет осям перемещаться с некоторым зазором. Если с передним приводом Рено Дастер понятно, схема его работы мало отличается от принципов работы любого переднеприводного автомобиля с поперечным расположением двигателя. Простота конструкции является большим плюсом для такого бюджетного автомобиля.
А вот полный привод на Renault Duster 4х4 устроен чуть сложнее. Коробка передач содержит в себе компактную раздатку (на фото обозначено стрелкой), откуда крутящий момент посредством карданного вала в постоянном режиме передается в задний редуктор. Но в передней части редуктора стоит электромагнитная муфта (месторасположение муфты так же указано стрелкой), которая передает крутящий момент дальше, либо не передает его, то есть карданный вал просто вращается в холостую. А уже от редуктора по тем же осям со ШРУСами на концах крутящий момент передается на задние колеса. Смотрим фото задней части трансмиссии Рено Дастер 4х4.
Такая конструкция трансмиссии Renault Duster позволяет управлять приводом легко и непринужденно. Для управления режимами работы привода в салоне кроссовера есть шайба переключатель, вот она на фото. Одним легким движением можно сделать из переднеприводного кроссовера, полноприводный внедорожник или доверить все автоматике.
- В режиме “Lock” срабатывает электромагнитная муфта и крутящий момент идет через редуктор на задние колеса.
- В режиме “2WD” у Дастера ведущими становятся передние колеса, карданный вал, который должен передавать крутящий момент на задний редуктор вращается в холостую.
- В режиме “Auto” кроссовер сам определяет, когда ему подключать задний привод. Обычно электромагнитная муфта срабатывает при проскальзывании передних ведущих колес.
Стоит отметить, что самый динамичный и в тоже время экономичный, это “2WD”, при частичном или полном задействовании всех 4 колес расход топлива растет. А в режиме полной блокировки электромагнитной муфты “Lock” скорость кроссовера не должна превышать 80 км/ч. Внедорожный режим 4х4 может перегреть муфту, что приведет к поломке трансмиссии. Вот так и работает полный привод Рено Дастер.
Добавить комментарий
Отменить ответДля отправки комментария вам необходимо авторизоваться.
Инфа из мауала для сервисменов.
ETC: Обеспечивает устойчивость автомобиля в соответствии с условиями движения.
Переключатель ETC:
Переключатель ETC служит для взаимодействия водителя с системой распределения крутящего момента. С его помощью можно выбрать режимы ETC: ПЕРЕДНИЙ ПРИВОД, АВТОМАТИЧЕСКИЙ ПОЛНЫЙ ПРИВОД, БЛОКИРУЕМЫЙ ПОЛНЫЙ ПРИВОД.
Тут все понятно.
Выключатель стоп-сигнала:
Этот датчик сообщает системе ETC, что водитель выполняет торможение таким образом, что системе ETC необходимо уменьшить крутящий момент для улучшения устойчивости автомобиля при торможении.
Датчики частоты вращения колеса:
Передает частоту вращения каждого из колес автомобиля. Скорость автомобиля определяется, как средняя скорость передних колес.
Исполнительный механизм (то бишь — муфта):
Распределяет мощность между передними и задними колесами.
Тут тоже ясно.
Режим 4X2 (2WD):
Режим переднего привода (2WD) включается, если водитель переводит переключатель в 2WD. После перехода системы ETC в режим переднего привода на щитке приборов загорается сигнальная лампа 2WD.
В случае возникновения внутренней неисправности или механической неисправности ЭБУ системы впрыска, а также серьезных межсистемных неисправностей, система ETC переходит в режим переднего привода (безопасный режим), при этом загораются сигнальные лампы 2WD и неисправности (пила).
При слишком большом повышении температуры муфты ETC (если PR009 Температура муфты > 220 °C) система ETC
переходит в режим переднего привода, при этом мигает сигнальная лампа переднего привода.
То есть, если плохо то: сигнальные лампы 2WD и пила горят. А если совсем плохо то мигает сигнальная лампа 2WD.
Режим АВТОМАТИЧЕСКОГО ПОЛНОГО ПРИВОДА (AUTO):
Режим AUTO включен, если переключатель ETC находится в положении
AUTO и выключен режим БЛОКИРУЕМОГО ПОЛНОГО ПРИВОДА (4WD LOCK). После перехода системы ETC в режим AUTO на щитке приборов гаснут сигнальные лампы 2WD и 4WD LOCK. После выбора данного режима ETC устанавливает заданный крутящий момент в соответствии с разницей частоты вращения передних и задних колес.
Для выполнения этой регулировки крутящего момента необходимо проверить несколько условий:
• работающем двигателе,
• Водитель выполняет ускорение (PR021 Положение педали акселератора > 20),
• Водитель не выполняет торможение,
Если оценочная температура муфты слишком высокая, то режим АВТОМАТИЧЕСКОГО ПОЛНОГО ПРИВОДА становится недоступным и система ETC переходит:
– либо в режим 4WD LOCK (для снижения трения между дисками, если значение PR009 Температура муфты равно 160 °C 220 °C ), в этом случае мигает сигнальная лампа ПЕРЕДНЕГО ПРИВОДА.
Система ETC возвращается в режим AUTO, как только температура ETC становится ниже 142 °C.
Делаем вывод: температура муфты определяется по частоте вращения колес! Оригинально. И, сначала переходим в LOCK, а при превышении оценочной температуры выше 220°C отключается задний привод. Это надо понимать, что при значительной разнице в частоте вращения колес, муфта блокируется максимально, и если частота не выравнивается, то отключаемся на фиг! Ехал по гомну и утонул…
Режим БЛОКИРУЕМОГО ПОЛНОГО ПРИВОДА (4WD LOCK):
Режим 4WD LOCK включается, если при нахождении системы ETC в режиме
AUTO водитель переводит переключатель ETC в положение 4WD LOCK, а затем позволяет переключателю вернуться в положение AUTO .
После перехода системы ETC в режим 4WD LOCK, на щитке приборов загорается сигнальная лампа 4WD LOCK.
После выбора данного режима система ETC обеспечивает максимальный крутящий момент при скорости ниже 30 км/ч.
Требуемый крутящий момент постепенно снижается при скорости от 30 км/ч до 100 км/ч. При скорости выше 100 км/ч
режим 4WD LOCK отключается, и система ETC переходит в режим AUTO.
Для выполнения этой регулировки крутящего момента необходимо проверить несколько условий:
• работающем двигателе,
• Водитель выполняет ускорение (PR021 > 20),
• Водитель не выполняет торможение,
• скорость автомобиля выше порогового значения 30 км/ч.
При отклонении от нормы режим 4WD LOCK становится недоступным.
«Тут фигурирует цифра «100 км/ч», не знаю к чему она. Лично проверял — лампа «4WD LOCK» гаснет при 83км/ч. Плюс ко всему повторение алгоритма из режима AUTO: перегрелась — отключилась»
А вот что есть на просторах интернета…
КАК РАБОТАЕТ МУФТА (Геннадий Емелькин)
Конструктивно схемы работы подключаемого полного привода «Рено-Дастер» и «Мазды СХ-5» близки.
У обоих автомобилей есть электронная муфта, расположенная в корпусе редуктора задней оси. Она, руководствуясь информацией о разности скоростей вращения передних (основных ведущих) и задних колес, приходящей через датчики антиблокировочной системы на блок управления, при необходимости блокируется, подключая вторую ось. Алгоритм управления муфтой довольно сложный и зависит от ряда внешних факторов.
На рынке внедорожных автомобилей в частности в Российской Федерации, французское авто Рено Дастер занимает довольно хорошую позицию. Машина, которая имеет полный привод, способна довольно легко преодолеть бездорожье. При этом автовладелец спокойно едет, а не думает о том, что при малейшем съезде с дороги автомобиль погрязнет. Как устроен полный привод на этой модели, и какие у него имеются особенности, и, конечно же, какой его принцип работы? Постараемся в этом сейчас разобраться.
Как работает полный привод
Схема полного привода на «французе» Рено Дастер в себя включает несколько элементов – это задний дифференциал, трансмиссия, электромагнитная автоматическая муфта и раздаточная коробка.
Каким образом они между собой взаимодействуют и как включить полный привод?
Подключаемый или же постоянный полный привод устанавливается на обозначенную нами модель, как включается полный привод? Ответ на такой вопрос будет неоднозначным. Итак, раздаточная коробка встроена как бы в трансмиссию, а управление уже дифференциалом осуществляется в автоматическом режиме через микроконтроллер муфты.
В этой машине управление происходит с помощью электронного селектора, который находится на центральной консоли. Как включается полный привод? В себя селектор включает только 3-и режима – блокировка муфты, систему монопривода и автомат муфты.
Когда вы переключаете передний привод, то управление муфтой отключается. Кстати говоря, поэтому и в разы понижается расход горючего, ведь генератору в таком случае не надо снабжать автомат и электронику заднего редуктора, а также его всех механизмов.
Итак, в автоматическом режиме самостоятельно активизируется автоматическая муфта, управление которой зависит не от водителя, а происходит за счет специальных датчиков пробуксовки колес, которые располагаются у Рено Дастер в ЭБУ.
Все это значит, что когда передние колеса вашей модели начинают пробуксовывать, тогда моментально крутящий момент начинает передаваться на задние колеса и отключает ее в нужный момент. Таким вот образом и выглядит устройство полного привода.
При этом компания производитель настоятельно рекомендует использовать не систему полного привода постоянно, а режим автомат, при наличии гололеда на дороге, благодаря этому в несколько раз повысит вашу безопасность во время движения.
Во время режима блокирования работы муфты автоматической, ее работа осуществляется на постоянном уровне. Так, моментально отключаются все датчики, которые способны повлиять как-то на ее работу, в свою очередь карданный вал подсоединится к редуктору, и будет обеспечивать его вращение.
При этом производитель еще рекомендует, чтобы в таком режиме водитель не превышал скорость в 80км/час, плюс к этому не рекомендуется использовать его продолжительное время.
Считается, согласно многочисленным отзывам со стороны владельцев автомобилей Renault Duster, при продолжительном использовании режима блокировки, может выйти из строя и перегнуться муфта.
Отзывы владельцев
Многие владельцы автомобилей Renault Duster отзываются о системе полного привода по-разному, многие рассказывают детально, как устроен полный привод, и как грамотно пользоваться этой функцией в своем авто. Другие помогают своими советами, когда и как включить полный привод, и так далее. Это позволяет потенциальным покупателям сделать собственные выводы по поводу Дастера. Причем зачастую, положительных отзывов намного больше, чем негативных. Приведем вам несколько примеров.
Алексей, водительский стаж 9 лет: «Свой Renault Duster я купил еще в 2014 году, за все прошедшее время, накатал 58 тысяч километров. Частенько езжу на рыбалку, охоту, на дачу, то есть туда, где обычная легковушка не доберется. Могу сказать точно, машина со своими заявленными функциями справляется на отлично. Конечно, работает не все идеально, но того, что есть, хватает с головой. Поломок никаких не было, но говорят, что функция блокировки не должна постоянно работать, иначе не избежать поломки».
Павел, водительский стаж 4 года: «Меня система полного привода вообще не устраивает. На 60-и тысячах пробега полетела муфта. Машина была на гарантии, дилер быстренько все поменял, а если бы не гарантия, то влетело бы мне это в круглую сумму. Еще расход топлива на 3 литра больше, чем у авто с передним приводом, но с такой же силовой установкой. Я считаю, что все дело в том, как именно работает муфта. Я прочитал много отзывов, понял, что это нормально. Хочу свою машину продать и купить вариант с передним приводом».
Итоги
Делая вывод по многочисленным отзывам владельцев «француза» полноприводная версия предоставляет большое количество возможностей, которые не доступны владельцу моноприводной версии. Если вы хорошо знаете режимы и принцип работы муфты, то можно с легкостью прийти к комфортабельному вождению по пересеченной местности, при этом не стоит беспокоиться о большом расходе горючего и необходимости частого ремонта трансмиссии.
youtube.com/embed/MMu8DOeEBZc»> Рено дастеркак включить на полную. Как работает полный привод на дастере
С выходом автомобилей Рено Дастер на отечественный рынок он стал очень популярен. Это связано с тем, что за сравнительно небольшие деньги потребитель получает качественный кроссовер с полным приводом. Для многих автолюбителей функция 4х4 просто необходима, так как им приходится довольно часто ездить по бездорожью. Особенно это касается сельскохозяйственных и лесных угодий. Но, каков принцип работы полного привода на Рено Дастер?
Включение полного привода
Сначала рассмотрим не техническую сторону вопроса, а функциональную. Так как современная автомобильная тенденция направлена на снижение расхода топлива, автомобили часто устанавливают на переключатели с полного привода на обычный.
Рено Дастер не лишился этого полезного функционала. Итак, в машине есть омыватель-переключатель, который позволяет включать разные режимы.
Рассмотрим вопрос подробнее:
- Функция блокировки. Это только полный привод. Он блокирует распределительную муфту и возникает принудительная нагрузка на все оси автомобиля. При использовании режима Lock не рекомендуется двигаться быстрее 70-80 км/ч, чтобы не вызвать поломку муфты блокировки.
- Функция 2WD. Само название говорит само за себя. Этот режим включает только передний привод и идеально подходит для движения по шоссе.
- Кнопка электромуфты в режиме «2WD»
- Кнопка электромуфты в режиме «АВТО»
Таким образом, видно, что и блок управления, и сам водитель могут выбирать, в каком режиме ехать.
Принцип работы полного привода на Рено Дастер
Если говорить о принципе работы заднего привода, необходимо разобраться в некоторых технических и конструктивных особенностях Рено Дастер. В случае переднего привода все крутящие моменты идут через ШРУСы на передние колеса. Но как работает задний?
В этом случае на автомобиль устанавливается раздаточная коробка, которая перенаправляет крутящий момент на задние колеса.
Система была придумана давно, еще в далеких 50-х годах, но принцип остался и по сей день, хотя эти устройства все время совершенствуются.
Классическая схема подключаемого полного привода
В заднем редукторе Рено Дастер установлено сцепление, и при его блокировке не работает задний привод. Он может быть включен как принудительно водителем, так и с помощью ЭБУ. Рассмотрим все проще и понятнее: двигатель подает крутящий момент на коробку передач, а оттуда он поступает в распределительную коробку.
Через карданный вал поступает в задний редуктор, в котором находится регулятор сцепления включения заднего привода. Если он горит, то работает полный привод, если выключен, то только передний. В заднем редукторе есть свое масло, которое требует замены.
Еще раз напомним, что принудительно использовать муфту-переключатель в течение длительного времени не стоит, так как под силовой нагрузкой он может выйти из строя. Поэтому режим АВТО считается наиболее оптимальным для использования.
Там, где это необходимо, стоит ненадолго включить ручной режим, а когда он станет ненужным, снова переключиться в режим АВТО.
Управление полным приводом было простым и понятным. Конечно, при отказе сцепления придется заменить весь узел, что дорого, поэтому следует соблюдать правила использования режима 4х4.
Посмотрите интересное видео на эту тему:
Как работает привод Рено Дастер Какие режимы работы имеет полноприводная трансмиссия этого кроссовера? Мы постараемся сейчас ответить на все эти вопросы.
Схема вождения Рено Дастер довольно проста. Крутящий момент передается на коробку передач, а оттуда распределяется между передними колесами посредством валов, на концах которых установлены шарниры равных угловых скоростей. Точнее, на наружных стоят обычные ШРУСы, а на внутренних «гранатах» конструкция немного другая, внутри стоят штативы. Это позволяет осям перемещаться с некоторым зазором. Если с переднеприводным Рено Дастер понятно, то схема его работы мало чем отличается от принципов работы любого переднеприводного автомобиля с поперечным расположением двигателя.
Простота конструкции – большой плюс для такого бюджетного автомобиля.
А вот полный привод на Рено Дастер 4х4 устроен чуть сложнее. Коробка передач содержит компактную раздаточную коробку (на фото указана стрелкой), откуда крутящий момент передается на задний редуктор через карданный вал в постоянном режиме. Но перед коробкой передач находится электромагнитная муфта (расположение муфты также указано стрелкой), которая передает крутящий момент дальше, либо не передает его, то есть карданный вал просто вращается вхолостую. И уже от коробки передач по тем же осям со ШРУСами на концах крутящий момент передается на задние колеса. Смотрим фото задней части трансмиссии Рено Дастер 4х4.
Такая конструкция коробки передач Рено Дастер позволяет управлять приводом легко и непринужденно. Для управления режимами работы привода в салоне кроссовера есть шайба переключателя, вот она на фото. Одним легким движением можно превратить переднеприводный кроссовер в полноприводный внедорожник, либо доверить все автоматике.
- В режиме «Блокировка» срабатывает электромагнитная муфта и крутящий момент поступает через коробку передач на задние колеса.
- В режиме «2WD» передние колеса Дастера становятся ведущими, карданный вал, который должен передавать крутящий момент на задний редуктор, вращается на холостом ходу.
- В режиме «Авто» кроссовер сам определяет, когда подключать задний привод. Обычно электромагнитная муфта срабатывает при пробуксовке передних ведущих колес.
Стоит отметить, что самым динамичным и в то же время экономичным является «2WD», при частичном или полном включении всех 4-х колес увеличивается расход топлива. А в режиме полной блокировки электромагнитной муфты «Lock» скорость кроссовера не должна превышать 80 км/ч. Внедорожный режим 4×4 может привести к перегреву сцепления, что приведет к выходу из строя трансмиссии. Так работает полный привод Рено Дастер.
Когда речь заходит о кроссовере (модная тема!), непременно говорят, что он должен быть не только универсальным и с большим (на фоне обычных автомобилей) дорожным просветом, но и полноприводным.
Даже если машина самая городская, а ее владелец никогда не съезжает с асфальта. Моноприводные версии обычно поставляются только в самых недорогих комплектациях, и в пресс-парках их держат редко. Может зря? Ведь если отбросить неоспоримые «плюсы» четырех ведущих колес — проходимость (преимущественно по рыхлому снегу) и приемистость (в тех же условиях), что еще можно записать в плюсы? Тем более, может быть, на асфальте разница в массе и потерях на трение позволит экономичнее ездить? Может безопаснее?
ИНТЕРЕСНАЯ МАТЕМАТИКА
Мы взяли «Мазду СХ-5» и «Рено-Дастер», самые горячие новинки в классе. У полноприводного «Дастера» даже задняя подвеска другая, чем у его моноприводного собрата — независимая. Коробки передач для автомобилей с 2-литровым мотором тоже привязаны к количеству ведущих колес: автомат (и только он) — в версии 4×2, тогда как 4×4 идет исключительно с шестиступенчатой механикой. В Mazda CX-5, напротив, тип привода почти не влияет на все остальное. Вплоть до уровня оснащения — благодаря пакетам Touring и Sport.
Самые большие различия заключаются в шинах и дисках. Автомобиль 4×4 обут в 19-дюймовые покрышки, модификация 4×2 довольствуется 17-дюймовыми покрышками.
Начинаем измерения. Загнав машины на весы, обнаруживаем, что полный привод добавляет Дастеру 70 кг, а Мазде более ста кг. Хотя на фоне полной снаряженной массы 1400-1500 кг это мелочь. Невелика и разница в геометрической проходимости, у переднеприводного «Дастера» последний даже немного лучше.
Из двух Рено полноприводная быстрее разгоняется, но это в основном заслуга механической коробки. С Маздой ситуация интереснее. Монопривод более энергичен в разгоне, что чувствуется даже без измерительного оборудования. Передний привод имеет лишь небольшой проигрыш в максимальной скорости, но он обусловлен подбором передаточных чисел и большими колесами версии 4×4. Обе машины разгонялись до максимальной скорости на четвертой передаче, но 4х2 на 17-дюймовых шинах раньше уперся в ограничитель оборотов, не желая разгоняться на следующей, пятой скорости.
Кстати, тормозной путь у обеих чисто переднеприводных машин оказался заметно короче.
ПОЧУВСТВОВАТЬ РАЗНИЦУ
Ну как тут не вспомнить стереотипы об управлении! На переключение (имитация объезда препятствия) оказывается, что Duster 2WD быстрее и, главное, легче в управлении. Он, в отличие от 4×4, совершенно не стремится совершить маневр резко. Наоборот: поначалу монопривод удивляет большими кренами и слишком спокойными реакциями на руль. Полный привод с его более активной независимой задней подвеской ведет себя более напористо, а временами даже яростно, как бы призывая водителя к ответной реакции. Едет такая машина очень уверенно, особенно учитывая отсутствие системы стабилизации. Однако на нем легко ошибиться, а в пределе занос задней оси заставит выскользнуть из коридора. «Рено» с передним приводом требует от души крутить руль в борьбе с задержками и недостаточной поворачиваемостью, но, в отличие от своего собрата, мягче уходит в скольжение.
Обе «Мазды» — с чувствительной системой стабилизации, вмешивающейся в процесс управления довольно рано.
А вот передний привод снова оказывается понятнее. Так что и здесь скоростное преимущество перестановки за передним приводом и 17-дюймовыми колесами.
Дороги общего пользования помогли окончательно расставить приоритеты. Они показали лучшую комфортабельность моноприводной «Мазды» и ее более правильное поведение на поворотах. Полный привод на 19-дюймовых шинах совершенно не любит неровностей: есть вертикальная раскачка и даже легкое рысканье. Это не критично, но насколько комфортнее и проще переднеприводная машина. К тому же такой кроссовер гораздо лучше слушается педали газа. Никакой задумчивости, томных пауз, даже когда машина переходит на повышенные передачи. Версия 4×4 часто страдает провалами, особенно при резком нажатии на акселератор.
А «пыльник»? Здесь переднеприводная машина тоже оказалась комфортнее. И даже более заметно, чем в случае с Mazda. Обе машины Renault отлично борются с неровностями дорожного полотна, этого фамильного достоинства у них не отнять. Но если полноприводный Рено еще позволяет ощутить глубину и размер выбоин, иногда довольно остро, то под колесами переднеприводного автомобиля большинство из них как бы растворяются, вызывая лишь незначительное покачивание кузова.
Самое интересное, что колеса на «Дастере» одинаковые, отличия кроются в подвесках.
ФАКТЫ И АРГУМЕНТЫ
Итак, полный привод на асфальте — ненужный придаток? Не стоит делать однозначных выводов. Речь о другом: что ставить во главу угла при выборе автомобиля? В России легально популярны кроссоверы: универсальный кузов, большой дорожный просвет и возможности подвески лучше. Словом, их актуальность – это не только дань моде. Именно поэтому так важно отделять «нужное» от «не очень». Наш тест — попытка выяснить это. Особенно стоит задуматься о тех, кто, меняя обычную машину на «паркетник», все же не планирует менять асфальт.
Не стоит забывать и о повышенном расходе топлива полноприводных версий при прочих равных. Кроме того, в дополнение к полному приводу часто навязываются дорогие комплектации: вспомните хотя бы 19-дюймовые шины «Мазда СХ-5». Подозреваю, что этот кроссовер выполнялся на шинах гораздо более скромной размерности. «Но это красиво!» — возразят маркетологи.
И по-своему они будут правы.
Переднеприводный «Дастер» демонстрирует отличный клиренс, отличную плавность хода, надежное поведение на дороге, а его багажник на целых 70 литров больше, чем у его полноприводного собрата. Поэтому в поисках оптимума вовсе не обязательно ориентироваться на количество ведущих осей, иногда есть более важные аргументы.
КАК РАБОТАЕТ МУФТА (Геннадий Емелькин)
Конструктивно схемы работы подключаемого полного привода Renault Duster и Mazda CX-5 аналогичны. Оба автомобиля имеют электронную муфту, расположенную в картере редуктора заднего моста. Он, руководствуясь информацией о разнице скоростей вращения передних (основных ведущих) и задних колес, поступающей через датчики антиблокировочной системы к блоку управления, блокируется, при необходимости, подключением второго ось. Алгоритм управления сцеплением достаточно сложен и зависит от ряда внешних факторов.
Диаграмма открывается в полном размере по щелчку мыши.
Схема работы полного привода «Мазда СХ-5» следующая.
При равномерном движении, когда скорости вращения колес одинаковы, крутящий момент подается на картер сцепления (4) … Диски (5) муфты управления разомкнуты. Раб (1) и ведущий (7) диски неподвижны относительно друг друга и вращаются вместе с ведомым валом сцепления (9) соединен с главным приводным валом задних колес. На задние колеса крутящий момент не передается.
Как только колеса передней оси начинают буксовать (угловая разница 15-20 градусов), блок управления полным приводом подает сигнал на катушку соленоида (2) … Якорь магнитного поля (8) притягивается к нему и сжимает диски муфты управления (5) , которые соединяют ведущий диск с картером сцепления (6) … Из-за разницы их скоростей приводной диск проворачивается, шарики (3) переместить по наклонной направляющей канавке и сместить ведомый диск, который сжимает главные диски сцепления — сцепление включено.
Для выключения сцепления блок управления снимает сигнал с катушки, управляющие диски сцепления размыкаются, ведущий диск поворачивается, шарики возвращаются в исходное положение — главные диски сцепления размыкаются.
Это произойдет не только при устойчивом установившемся движении, но и при срабатывании антиблокировочной системы тормозов и системы динамической стабилизации.
Защита предназначена для защиты сцепления от повреждений в суровых условиях. Когда масло в коробке передач нагревается до 100 градусов, блок управления выключает сцепление и не включает его, пока температура не упадет до 60 градусов.
Сегодня особую популярность приобрели полноприводные автомобили, так как они обладают лучшей проходимостью, а наши дороги располагают к использованию именно таких транспортных средств. Но какую модель выбрать? Renault Duster сегодня уверенно штурмует не только автомобильную эстраду, но и дороги нашей необъятной родины.
Почему именно он?
Теперь Дастер, полный привод которого уже неоднократно обсуждался многими популярными автомобильными журналами, может иметь три режима движения:
В первом случае привод осуществляется исключительно на переднюю ось. Второй режим автоматически включает полный привод.
Это означает, что автомобиль не использует эту систему постоянно, она подключается только тогда, когда в ней есть реальная необходимость, например, в моменты пробуксовки и так далее. Третий режим — это само состояние полного привода. Правда, в этом случае нельзя двигаться со скоростью более 80 км/ч. При превышении этого предела муфта автоматически перестанет блокироваться.
Полный привод Duster и его особенности
Примечательно, что эта модель вообще не имеет понижающих передач. В некоторых случаях их успешно заменяет использование первой передачи. Что касается непосредственной управляемости, то равного указанному транспортному средству просто нет.
Дастер, полный привод которого разработан на основе последних научных достижений, на сегодняшний день является одним из самых мощных представителей своего класса. По отзывам огромного количества автомобилистов, опробовавших это транспортное средство, это резвый и мощный аппарат, который отлично держит дорогу, уверенно пробираясь там, где дорог по сути нет.
Отличная колесная база, уверенный двигатель, отличный разгон – вот чем может похвастаться современный Renault Duster. Примечательно, что некоторые специалисты считают полный привод излишним дополнением на ровном асфальте. Тем не менее, современный Renault Duster является образцом того, насколько хорошо внедорожник справляется с городскими условиями.
Основные выводы
Таким образом, указанный автомобиль исправен. автомобиль с полным приводом. При этом эта система здесь реализована действительно на высшем уровне, благодаря чему само транспортное средство является обладателем огромного количества различных международных программ. Кроме того, автомобиль пользуется большой популярностью как у заядлых автомобилистов, так и у тех, кто только начинает. Автомобиль не только удобен в управлении, он предельно прост в управлении, так как полный привод отлично регулируется в автоматическом режиме, благодаря чему это транспортное средство по праву можно назвать шикарным автомобилем.
Полноприводные версии автомобилей сегодня наиболее популярны благодаря тому, что это действительно комфортный автомобиль, который подходит для абсолютно любых дорог и условий бездорожья. При этом Рено Дастер на сегодняшний день считается самым выгодным приобретением среди одноклассников со схожими техническими характеристиками. То есть при покупке можно будет не только приобрести качественное транспортное средство, но и реально сэкономить.
Еще статей о Рено Дастер:
Полный привод и 190 лошадей. GAC GS8 скоро приедет в Россию
Как правильно снять сиденья на Рено Дастер
Рено Дастер характеристики: эксплуатационно-технические Полный комплекс услуг по тонировке и замене автостекол в компании Темное стекло
Новый Рено Дастер: цены и комплектации на 2016 — 2017
Рено Дастер объем бака 50 литров
Канал для автомобилистов. Много интересной и полезной информации об автомобилях, подборе и ремонте автомобилей, тест-драйвах, диагностике и тестировании автомобилей.
Подписывайтесь на наш канал и новые видео: https://www.youtube.com/channel/UCFZuyWe6wCdx_0D_pfhgM3w
Тест-драйв: Dacia Duster, 2.0AT, 4WD, ESP 2014мг. 4000км
Тестдрайв Дастер!
О радиаторе: http://www.dusterclubs.ru/vb/showpost.php?p=544798&postcount=983
Комплектация Full Luxe (кожа, 7″ Media Nav)
Автомобиль 2014 года выпуска, F4R 2.0l 16v двигатель, коробка DP8 (также известная как DP2, DP0, AL4), полный привод, ESP.
Новый цвет «темно-каштановый».
Автомобиль только что обкатан, пробег на момент проверки 4000 км.
Подробнее в блоге: http://andrei.krutsko.com/blog/index.php?entry=entry140611-211657
Моя партнерская программа — Группа ВСП. Соединять! https://youpartnerwsp.com/ru/join?9882
Renault Duster 1.6 MT 4WD «11: измерение эластичности двигателя
Renault Duster, 1,6 л, 16 клапанов, 102 л.с., 145 Нм, 6 МКПП, полный привод, заявленная снаряженная масса 1318 кг, удельная мощность 77 л.
с./т, выпускается с 2011 г., полностью заводская , в испытаниях участвовал автомобиль 2014 года выпуска с пробегом 3000 км, водитель и оператор находились в кабине, топливо в баке было полным, температура воздуха +27.
Авторское измерение
Быстрый переход к разгону:
80 — 120 км/ч (6-я передача) — 00:38
80 — 120 км/ч (5-я передача) — 01:43
60 — 100 км/ч (5-я передача) ) — 02:36
60 — 100 км/ч (4-я передача) — 03:19
30 — 70 км/ч (4-я передача) — 03:58
30 — 70 км/ч (3-я передача) — 04:38
Измерение проводилось с помощью GPS-измерителя Racelogic Performancebox:
Установленный в нем GPS-модуль 10 Гц измеряет скорость, положение, ускорение и направление движения автомобиля 10 раз в секунду. Погрешность определения времени разгона — 0,1 секунды.
11.01.15 Тест по пересеченной местности Рено Дастер без ESP полный привод зима снег Кострома Авто
После снегопада мы нашли небольшой участок с приличным слоем снега.
Покатались несколько минут, потом решили снять видео. Во время движения — Дастер пару раз заглох, потому что забыл включить газ в труднопроходимых местах, несколько раз, останавливаясь, приходилось давать задний ход. Но в целом Дастер не застрял ни в одном месте. Хотя слой был приличный. На машине включил полный привод и отключил ESP, но пробовал и на автомате с подключаемым приводом, и с включенным ESP — в принципе Дастер тоже ездил без проблем.
Сцепление не перегревалось и не отключалось, но некоторое время появлялся характерный запах «дрейфа».
Из-за ограниченного времени найти более заснеженное место в Костроме не удалось.
Рено Дастер — 2.0 л., Полный привод и «автомат»! Обзор долгожданной комплектации.
Самая долгожданная комплектация кроссовера Рено Дастер 2.0 литра, полный привод с автоматической коробкой передач. Или — последняя, недостающая модификация. Французский производитель надолго отложил выпуск полноприводного автомата, чтобы максимально адаптировать АКПП к большим нагрузкам.
Съемочная группа Петровского Автоцентра провела тест-драйв новинки. Более того, мы тестировали модель на профессиональных трассах, где было все — и крутой подъем, и скосы, и уступы. И все это Рено Дастер выдержал!
Подписывайтесь на наш канал — http://www.youtube.com/subscription_center?add_user=PetrovskiyTV
Полноприводный Рено Дастер!
Видео о полноприводном Рено Дастер. Подробнее на — http://pro-duster.ru/novosti/polnyj-privod-reno-daster.html
Новый Dacia Duster 4×4 2018 | Жесткое бездорожье 4WD
Видео жесткого вождения по бездорожью с полигона для бездорожья на новом Dacia Duster 4×4 2018. Новое поколение Dacia Duster в родном городе. Новая Dacia Duster второго поколения в труднопроходимой местности. Новое поколение Dacia Duster deuxième в труднопроходимой местности. Новое поколение Dacia Duster zweite в анспрухсволлеме Геланде. Новое поколение Dacia Duster второго поколения в труднопроходимой местности.
Рено дастерполный привод.
Как работает полный привод Рено Дастер? Как работает полный привод?Когда речь заходит о кроссовере (модная тема!), непременно говорят, что он должен быть не только универсальным и с большим (на фоне обычных автомобилей) дорожным просветом, но и полноприводным. Даже если машина самая городская, а ее владелец никогда не съезжает с асфальта. Моноприводные версии обычно поставляются только в самых недорогих комплектациях, и в пресс-парках их держат редко. Может зря? Ведь если отбросить неоспоримые «плюсы» четырех ведущих колес — проходимость (преимущественно по рыхлому снегу) и приемистость (в тех же условиях), что еще можно записать в плюсы? Тем более, может быть, на асфальте разница в массе и потерях на трение позволит экономичнее ездить? Может безопаснее?
ИНТЕРЕСНАЯ МАТЕМАТИКА
Мы взяли «Мазду СХ-5» и «Рено-Дастер», самые горячие новинки в классе. У полноприводного «Дастера» даже задняя подвеска другая, чем у его моноприводного собрата — независимая. Коробки передач для автомобилей с 2-литровым мотором тоже привязаны к количеству ведущих колес: автомат (и только он) — в версии 4×2, тогда как 4×4 идет исключительно с шестиступенчатой механикой.
В Mazda CX-5, напротив, тип привода почти не влияет на все остальное. Вплоть до уровня оснащения — благодаря пакетам Touring и Sport. Самые большие различия заключаются в шинах и дисках. Автомобиль 4×4 обут в 19-дюймовые покрышки, модификация 4×2 довольствуется 17-дюймовыми покрышками.
Начинаем измерения. Загнав машины на весы, обнаруживаем: полный привод добавляет «Дастеру» 70 кг, а «Мазде» — больше сотни. Хотя на фоне полной снаряженной массы 1400-1500 кг это мелочь. Невелика и разница в геометрической проходимости, у переднеприводного «Дастера» последний даже немного лучше.
Из двух Рено полноприводная быстрее разгоняется, но это в основном заслуга механической коробки. С Маздой ситуация интереснее. Монопривод более энергичен в разгоне, что чувствуется даже без измерительного оборудования. Передний привод имеет лишь небольшой проигрыш в максимальной скорости, но он обусловлен подбором передаточных чисел и большими колесами версии 4×4. Обе машины разгонялись до максимальной скорости на четвертой передаче, но 4х2 на 17-дюймовых шинах раньше уперся в ограничитель оборотов, не желая разгоняться на следующей, пятой скорости.
Кстати, тормозной путь у обеих чисто переднеприводных машин оказался заметно короче.
ПОЧУВСТВОВАТЬ РАЗНИЦУ
Ну как тут не вспомнить стереотипы об управлении! На переключение (имитация объезда препятствия) оказывается, что Duster 2WD быстрее и, главное, легче в управлении. Он, в отличие от 4×4, совершенно не стремится совершить маневр резко. Наоборот: поначалу монопривод удивляет большими кренами и слишком спокойными реакциями на руль. Полный привод с его более активной – независимой задней подвеской ведет себя напористо, а временами даже яростно, как бы призывая водителя к ответной реакции. Едет такая машина очень уверенно, особенно учитывая отсутствие системы стабилизации. Однако на нем легко ошибиться, а в пределе занос задней оси заставит выскользнуть из коридора. «Рено» с передним приводом требует от души крутить руль в борьбе с задержками и недостаточной поворачиваемостью, но, в отличие от своего собрата, мягче уходит в скольжение.
Обе «Мазды» — с чувствительной системой стабилизации, вмешивающейся в процесс управления довольно рано.
А вот передний привод опять же оказывается понятнее. Так что и здесь скоростное преимущество перестановки за передним приводом и 17-дюймовыми колесами.
Дороги общего пользования помогли окончательно расставить приоритеты. Они показали лучшую комфортабельность моноприводной «Мазды» и ее более правильное поведение на поворотах. Полный привод на 19-дюймовых шинах совершенно не любит неровностей: есть вертикальная раскачка и даже легкое рысканье. Это не критично, но насколько комфортнее и проще переднеприводная машина. К тому же такой кроссовер гораздо лучше слушается педали газа. Никакой задумчивости, томных пауз, даже когда машина переходит на повышенные передачи. Версия 4×4 часто страдает провалами, особенно при резком нажатии на акселератор.
А «пыльник»? Здесь переднеприводная машина тоже оказалась комфортнее. И даже более заметно, чем в случае с Mazda. Обе машины Renault отлично борются с неровностями дорожного полотна, этого фамильного достоинства у них не отнять. Но если полноприводный Рено еще позволяет ощутить глубину и размер выбоин, иногда довольно остро, то под колесами переднеприводного автомобиля большинство из них как бы растворяются, вызывая лишь незначительное покачивание кузова.
Самое интересное, что колеса на «Дастере» одинаковые, отличия кроются в подвесках.
ФАКТЫ И АРГУМЕНТЫ
Итак, полный привод на асфальте — ненужный придаток? Не стоит делать однозначных выводов. Речь о другом: что ставить во главу угла при выборе автомобиля? В России легально популярны кроссоверы: универсальный кузов, большой дорожный просвет и возможности подвески лучше. Словом, их актуальность – это не только дань моде. Именно поэтому так важно отделять «нужное» от «не очень». Наш тест — попытка выяснить это. Особенно стоит задуматься о тех, кто, меняя обычную машину на «паркетник», все же не планирует менять асфальт.
Не забывайте про повышенный расход топлива в полноприводных версиях при прочих равных условиях. Кроме того, в дополнение к полному приводу часто навязываются дорогие комплектации: вспомните хотя бы 19-дюймовые шины «Мазда СХ-5». Подозреваю, что этот кроссовер выполнялся на шинах гораздо более скромной размерности. «Но это красиво!» — возразят маркетологи.
И по-своему они будут правы.
Переднеприводный «Дастер» демонстрирует отличный клиренс, отличную плавность хода, надежное поведение на дороге, а его багажник на целых 70 литров больше, чем у его полноприводного собрата. Поэтому в поисках оптимума вовсе не обязательно ориентироваться на количество ведущих осей, иногда есть более важные аргументы.
КАК РАБОТАЕТ МУФТА (Геннадий Емелькин)
Конструктивно схемы работы подключаемого полного привода Renault Duster и Mazda CX-5 аналогичны. Оба автомобиля имеют электронную муфту, расположенную в картере редуктора заднего моста. Она, руководствуясь информацией о разнице скоростей вращения передних (основных ведущих) и задних колес, поступающей через датчики антиблокировочной системы тормозов на блок управления, при необходимости блокируется путем подключения второй оси. . Алгоритм управления сцеплением достаточно сложен и зависит от ряда внешних факторов.
Диаграмма открывается в полном размере по щелчку мыши.
Схема работы полного привода «Мазда СХ-5» следующая. При равномерном движении, когда скорости вращения колес одинаковы, крутящий момент подается на картер сцепления (4) … Диски (5) муфты управления разомкнуты. Раб (1) и ведущий (7) диски неподвижны относительно друг друга и вращаются вместе с ведомым валом сцепления (9) соединен с главным приводным валом задних колес. На задние колеса крутящий момент не передается.
Как только колеса передней оси начинают буксовать (угловая разница 15-20 градусов), блок управления полным приводом подает сигнал на катушку соленоида (2) … Якорь магнитного поля (8) притягивается к нему и сжимает диски муфты управления (5) , которые соединяют ведущий диск с картером сцепления (6) … Из-за разницы их скоростей приводной диск проворачивается, шарики (3) переместить по наклонной направляющей канавке и сместить ведомый диск, который сжимает главные диски сцепления — сцепление включено.
Для выключения сцепления блок управления снимает сигнал с катушки, управляющие диски сцепления размыкаются, ведущий диск поворачивается, шарики возвращаются в исходное положение — главные диски сцепления размыкаются. Это произойдет не только при устойчивом установившемся движении, но и при срабатывании антиблокировочной системы тормозов и системы динамической стабилизации.
Защита предназначена для защиты сцепления от повреждений в суровых условиях. Когда масло в коробке передач нагревается до 100 градусов, блок управления выключает сцепление и не включает его, пока температура не упадет до 60 градусов.
16.01.15
общая информация
В целом система привода данной модели автомобиля достаточно проста и разобраться в ней не составит труда даже непрофессионалу. Распределение крутящего момента между колесами осуществляется от коробки передач. На наружных концах валов установлены ШРУСы, получающие равные угловые скорости, а на внутренних концах — треноги.
Этот механизм работы не представляет собой ничего нового с точки зрения развития; схема позаимствована у знаменитого Nissan Quashkai.
Режимы работы
Самый базовый режим называется 2WD, который включает работу только передних колес и рекомендуется для движения по качественному и сухому дорожному покрытию. Этот режим обеспечивает экономичную езду по расходу топлива и комфортную скорость движения.
Автоматический режим определяет лучшее сцепление с землей. В основном используется на шоссе и городских дорогах. В неблагоприятных погодных условиях, например, во время дождя, муфта самостоятельно определяет, в какой момент необходимо подключить задний привод.
В режиме под названием LOCK муфта блокируется и крутящий момент подается на задние колеса, поэтому автомобиль становится полноприводным и готовым к преодолению бездорожья. Однако эту функцию рекомендуется использовать при сниженной скорости движения до 80 километров в час.
Исход
Автовладельцы Renault Duster должны самостоятельно, в зависимости от ситуации, выбирать оптимальный режим работы привода и помнить, что наиболее экономичная езда получается в режиме 2WD, а в режиме LOCK желательно не находиться в Режим LOCK слишком долгий, чтобы не перегреть сцепление, что может привести к поломке механизма, тем более, что ремонт при текущей цене Рено Дастер 2014 может обойтись довольно дорого!
Все записи
Канал для автомобилистов.
Много интересной и полезной информации об автомобилях, подборе и ремонте автомобилей, тест-драйвах, диагностике и тестировании автомобилей.
Подписывайтесь на наш канал и новые видео: https://www.youtube.com/channel/UCFZuyWe6wCdx_0D_pfhgM3w
Тест-драйв: Dacia Duster, 2.0AT, 4WD, ESP 2014my 4000km
Testdrive Duster!
О радиаторе: http://www.dusterclubs.ru/vb/showpost.php?p=544798&postcount=983
Комплектация Full Luxe (кожа, 7″ Media Nav)
Автомобиль 2014 года выпуска, двигатель F4R 2.0l 16v, коробка DP8 (также известная как DP2, DP0, AL4), полный привод, ESP.
Новый цвет «темно-каштановый»
Автомобиль только что обкатан, пробег на момент проверки 4000 км
Подробнее в блоге: http://andrei.krutsko.com/blog/index.php? entry=entry140611-211657
Моя партнерская программа VSP Group Подключайтесь!0006 Renault Duster 1.6 MT 4WD «11: измерение эластичности двигателя
Renault Duster, 1,6 л, 16 клапанов, 102 л.с., 145 Нм, 6 МКПП, полный привод, заявленная снаряженная масса 1318 кг, удельная мощность 77 л.
с./т, выпускается с 2011 г., полностью заводская , в испытаниях участвовал автомобиль 2014 года выпуска с пробегом 3000 км, водитель и оператор находились в кабине, топливо в баке было полным, температура воздуха +27.
Авторское измерение
Быстрый переход к разгону:
80 — 120 км/ч (6-я передача) — 00:38
80 — 120 км/ч (5-я передача) — 01:43
60 — 100 км/ч (5-я передача) — 02: 36
60–100 км/ч (4-я передача) — 03:19
30–70 км/ч (4-я передача) — 03:58
30–70 км/ч (3-я передача) — 04:38
Измерение проводилось с помощью GPS-измерителя Racelogic Performancebox:
Установленный в нем GPS-модуль 10 Гц измеряет скорость, положение, ускорение и направление движения автомобиля 10 раз в секунду. Погрешность определения времени разгона — 0,1 секунды.
11.01.15 Тест по бездорожью Рено Дастер без ЭСП полный привод зима снег Кострома Авто
После снегопада мы нашли небольшой участок с приличным слоем снега. Покатались несколько минут, потом решили снять видео.
Во время движения — Дастер пару раз заглох, потому что забыл включить газ в труднопроходимых местах, несколько раз, останавливаясь, приходилось давать задний ход. Но в целом Дастер не застрял ни в одном месте. Хотя слой был приличный. На машине включил полный привод и отключил ESP, но пробовал и на автомате с подключаемым приводом, и с включенным ESP — в принципе Дастер тоже ездил без проблем.
Сцепление не перегревалось и не отключалось, но некоторое время появлялся характерный запах «дрейфа».
Из-за ограниченного времени найти более заснеженное место в Костроме не удалось.
Рено Дастер — 2.0 л., Полный привод и «автомат»! Обзор долгожданной комплектации.
Самая долгожданная комплектация кроссовера Рено Дастер 2,0 литра, полный привод с автоматической коробкой передач. Или — последняя, недостающая модификация. Французский производитель надолго отложил выпуск полноприводного автомата, чтобы максимально адаптировать АКПП к большим нагрузкам.
Съемочная группа Петровского Автоцентра провела тест-драйв новинки.
Более того, мы тестировали модель на профессиональных трассах, где было все — и крутой подъем, и скосы, и уступы. И все это Рено Дастер выдержал!
Подписывайтесь на наш канал — http://www.youtube.com/subscription_center?add_user=PetrovskiyTV
Полноприводный Рено Дастер!
Видео о полноприводном Рено Дастер. Подробнее на — http://pro-duster.ru/novosti/polnyj-privod-reno-daster.html
Новый Dacia Duster 2018 4×4 | Тяжелое бездорожье 4WD
Видео вождения по тяжелому бездорожью с полигона для бездорожья на новой Dacia Duster 4×4 2018. Новая Dacia Duster вышла в 2018 году. Новая Dacia Duster второго поколения в труднопроходимой местности. Новое поколение Dacia Duster deuxième в труднопроходимой местности. Новое поколение Dacia Duster zweite в анспрухсволлеме Геланде. Новое поколение Dacia Duster второго поколения в труднопроходимой местности.
Принцип работы привода Рено Дастер Какие режимы работы имеет полноприводная трансмиссия этого кроссовера? Мы постараемся сейчас ответить на все эти вопросы.
Схема вождения Рено Дастер довольно проста. Крутящий момент передается на коробку передач, а оттуда распределяется между передними колесами посредством валов, на концах которых установлены шарниры равных угловых скоростей. Точнее, на наружных стоят обычные ШРУСы, а на внутренних «гранатах» конструкция немного другая, внутри стоят штативы. Это позволяет осям перемещаться с некоторым зазором. Если с переднеприводным Рено Дастер понятно, то схема его работы мало чем отличается от принципов работы любого переднеприводного автомобиля с поперечным расположением двигателя. Простота конструкции – большой плюс для такого бюджетного автомобиля.
А вот полный привод на Рено Дастер 4х4 устроен чуть сложнее. Коробка передач содержит компактную раздаточную коробку (на фото указана стрелкой), откуда крутящий момент передается на задний редуктор через карданный вал в постоянном режиме. Но перед коробкой передач находится электромагнитная муфта (расположение муфты также указано стрелкой), которая передает крутящий момент дальше, либо не передает его, то есть карданный вал просто вращается вхолостую.
И уже от коробки передач по тем же осям со ШРУСами на концах крутящий момент передается на задние колеса. Смотрим фото задней части трансмиссии Рено Дастер 4х4.
Такая конструкция коробки передач Рено Дастер позволяет управлять приводом легко и непринужденно. Для управления режимами работы привода в салоне кроссовера есть шайба переключателя, вот она на фото. Одним легким движением можно превратить переднеприводный кроссовер в полноприводный внедорожник, либо доверить все автоматике.
- В режиме «Блокировка» срабатывает электромагнитная муфта и крутящий момент через коробку передач поступает на задние колеса.
- В режиме «2WD» передние колеса Дастера становятся ведущими, карданный вал, который должен передавать крутящий момент на задний редуктор, вращается на холостом ходу.
- В режиме «Авто» кроссовер сам определяет, когда подключать задний привод. Обычно электромагнитная муфта срабатывает при пробуксовке передних ведущих колес.

Стоит отметить, что самым динамичным и в то же время экономичным является «2WD», при частичном или полном включении всех 4-х колес увеличивается расход топлива. А в режиме полной блокировки электромагнитной муфты «Lock» скорость кроссовера не должна превышать 80 км/ч. Внедорожный режим 4×4 может привести к перегреву сцепления, что приведет к выходу из строя трансмиссии. Так работает полный привод Рено Дастер.
На рынке внедорожников Renault Duster занимает далеко не последнюю позицию. Рено Дастер 4х4 позволяет легко преодолевать бездорожье, избавляя водителя от мыслей о том, что машина может застрять при малейшем съезде с дороги. Как работает система полного привода на этом автомобиле и в чем ее особенности? Данная статья подробно ответит на поставленные вопросы.
Принцип работы
Схема системы полного привода Рено Дастер включает коробку передач, раздаточную коробку, электромагнитную автоматическую муфту и задний дифференциал. Как они взаимодействуют друг с другом? Давайте разберемся.
На Рено Дастер установлен постоянный или подключаемый полный привод? Ответ на этот вопрос неоднозначен. В нашем случае раздаточная коробка встроена в трансмиссию, а управление дифференциалом осуществляется в автоматическом режиме с помощью микроконтроллера сцепления.
На данном автомобиле управление осуществляется с помощью электронного селектора, который расположен на центральной консоли. Он включает всего три режима: монопривод, автомат и блокировку сцепления.
При переключении в режим монопривода управление сцеплением полностью отключается. Кстати, именно поэтому существенно снижается расход топлива: генератору не нужно питать электронику и автомат заднего редуктора и его механизмы.
В авторежиме включается автоматическое сцепление, которое на этот раз управляется не водителем, а с помощью датчиков проскальзывания колес, которые находятся в ЭБУ Рено Дастер. Это значит, что когда передние колеса начнут буксовать, крутящий момент моментально начнет передаваться на заднюю ось и в нужный момент отключит ее.
Производитель рекомендует использовать автоматический режим в гололед, так как он значительно повышает безопасность во время вождения.
Когда автоматический фрикцион заблокирован, он работает постоянно. Таким образом отключаются все датчики, которые могут повлиять на его работу, а карданный вал жестко связан с редуктором и обеспечивает его вращение.
В этом режиме производитель рекомендует не превышать скорость 80 км/ч и не использовать его чрезмерно длительное время. Исходя из отзывов и опыта владельцев, при длительном использовании режима блокировки сцепление может перегреться и выйти из строя.
Что говорят владельцы?
На тему работы систем полного привода на Рено Дастер в сети много отзывов владельцев этого автомобиля. Это позволяет сделать определенные выводы о работе этих версий Дастер.
Чаще всего отзывы достаточно положительные: «Купил машину в 2014 году, за это время проехал уже 58000 км. Часто приходится ездить на охоту, рыбалку, на дачу и в другие уголки, где прежней легковой машины было категорически недостаточно.
Могу сказать одно: свои функции машинка выполняет на ура! Не то, чтобы все работало идеально, но того, что дает этот крест, достаточно. Поломок пока не было, но говорят блокировкой пренебрегать не стоит — может даже слететь.
Однако есть и немало скептиков, отзывы которых позиционируют полноприводные версии как не лучший вариант для приобретения: «Полный привод меня совершенно не устраивает. В первую очередь на 60 000 пробега сломалось сцепление! Слава богу, что машина была на гарантии: дилер оперативно заменил на ней маслонасос и щетки двигателя — иначе это влетело бы в копеечку. Кроме того, расход бензина на три литра выше, чем у товарища с передним приводом и точно таким же двигателем: думаю, просто так работает сцепление. Прочитав отзывы, я узнал, что это нормально. Думаю продать и взять переднеприводную версию.
Подведем итоги
Судя по многочисленным отзывам владельцев, Рено Дастер 4х4 предоставляет множество возможностей, недоступных владельцу внедорожника.
Зная принцип и режимы работы муфтовой версии автомобиля с системой полного привода, можно добиться комфортного передвижения по бездорожью и одновременно динамичных поездок по городским пробкам и трассам, не беспокоясь о высоком расходе топлива и необходимость частого ремонта коробки передач.
Устройство и принцип работы полноприводного Рено Дастер. Особенности полноприводной трансмиссии
Как работает привод Рено Дастер Какие режимы работы полноприводной трансмиссии у этого кроссовера? Попробуем ответить на все эти вопросы прямо сейчас.
Схема работы привода Рено Дастер довольно неприхотливый. Крутящий момент передается на коробку передач, а оттуда распределяется между передними колесами посредством валов, на концах которых имеются шарниры равных угловых скоростей. Точнее, на наружных стоят обычные ШРУСы, а на внутренних «гранатах» конструкция немного другая, внутри стоят штативы. Это позволяет оси двигаться с некоторым зазором.
Если Рено Дастер с передним приводом понятно, то схема его работы мало чем отличается от принципов работы любого переднеприводного автомобиля с поперечным расположением двигателя. Простота конструкции – большой плюс для такого бюджетного автомобиля.
А вот полный привод для Рено Дастер 4х4 немного сложнее. Коробка передач содержит компактную раздаточную коробку (на фото указана стрелкой), откуда крутящий момент через карданный вал в непрерывном режиме передается на задний редуктор. А вот перед коробкой передач стоит электромагнитная муфта (расположение муфты тоже указано стрелкой), которая передает крутящий момент дальше, либо не передает его, то есть карданный вал просто крутится на холостых оборотах. И уже от коробки передач по тем же осям со ШРУСами на концах крутящий момент передается на задние колеса. Смотрим фото задней части трансмиссии Рено Дастер 4х4.
Такая конструкция коробки передач Рено Дастер позволяет управлять приводом легко и непринужденно.
Для управления режимами работы привода в салоне кроссовера есть шайба переключателя, вот она на фото. Одним легким движением можно превратить переднеприводный кроссовер в полноприводный внедорожник или доверить все автоматике.
- В режиме «Блокировка» срабатывает электромагнитная муфта и крутящий момент поступает через коробку передач на задние колеса.
- В режиме «2WD» передние колеса Дастера становятся ведущими, карданный вал, который должен передавать крутящий момент на задний редуктор, вращается на холостом ходу.
- В режиме «Авто» кроссовер сам определяет, когда ему следует подключать задний привод. Обычно электромагнитная муфта срабатывает при пробуксовке передних ведущих колес.
Стоит отметить, что самым динамичным и в то же время экономичным является «2WD», при частичном или полном использовании всех 4-х колес увеличивается расход топлива. А в режиме полной блокировки электромагнитной муфтой «Lock» скорость кроссовера не должна превышать 80 км/ч.
Движение по бездорожью 4×4 может привести к перегреву сцепления, что приведет к выходу из строя трансмиссии. Так работает полный привод Рено Дастер.
Итак, несколько слов о Renault Duster. Эта модель потихоньку входит в нашу жизнь, все чаще появляясь в наших городах и селах. Машина была куплена не мной, а по совету моего отца. Отец живет в уездной деревне, немного на окраине, на новой застраивающейся улице. Дорога только недавно была покрыта гравием, до этого была обычная укатанная дорога, которая весной и осенью переходила в бездорожье.
Было принято решение — брать Дастер, обязательно на полном приводе, на механике (автомат в деревне чужд), и не в особо бедной комплектации: наличие кондера, стеклоподъемников и подогрев пятой точки тоже необходим. У нас в городе есть салон Рено, поэтому заказывали у себя (кстати надо платить +19тысяч рублей за приведение автомобиля, совсем наглость), например, МРОТ по прайс-листу и рекламным расходам 449 тысяч рублей, у нас обойдется в 468 тысяч рублей.
Заказывал в пред-максималке на двигатель 1,6 л., 102 л. С. — комплектация «привилегия», механика, полный привод + пара допов = подушка безопасности переднего пассажира, 4 000 руб. (у водителя уже есть), литые диски — 12 500 руб., задние электростеклоподъемники — 5 000 руб. Итого имеем почти 620 тысяч рублей. Период ожидания стандартный для всего года. Заказал машину в апреле. Предоплата 200 тысяч рублей. (больше наглости). В принципе, можно было взять машину со стока — но обвешанную всякими ненужными допами за 70-100 тысяч (например, хромированные подножки, уменьшающие дорожный просвет почти на 3-4 см, поперечные арки багажника, клетка для собак и др.). ). Через пару месяцев нам предложили брошенную машину (кто-то отказался в пользу Fluence) без допов, но с одним «но». Машина была не максималка, а максималка, за 700 тысяч рублей. Обсудив на семейном совете, решили брать. Сразу в салоне заказали сигналку (с установкой 9тысяч) и взял по акции какую-то зимнюю шипованную резину Nokian Nordman.
Процесс покупки прошел гладко и безболезненно. Больше ничего не напортачило.
Итак что имеем:
— полный привод, дорожный просвет 21 см, возможность переключения с омывателем, как на X-Trail — 2WD. 4WD, блокировка 4WD;
— бодрый 2 л., 135 л. С.;
— 6 МКПП;
– кожаный салон и руль;
– боковые подушки безопасности;
– 16 отливок;
– подогрев попы, кондер, рейлинги;
— родная двухдиновая аудиосистема, понимает флешки и блютуз.
После отечественной Волги, УАЗа, ВАЗа иномарка для моего отца стала самим Мерседесом. Сейчас за плечами 4 тыс. км. Полет нормальный. Даже более чем. Двигло понравилось, хорошо едет и разгоняет машину. Не очень понравился выбор. передаточные числа МКПП, они слишком близки друг к другу. Читал, что Рено, чтобы не ставить пониженную передачу в трансмиссии, сделали передачи короткими, чтобы первая передача фактически выполняла тяговую функцию понижающего типа. Поэтому в книге даже рекомендуется трогаться со 2-й передачи.
Отдельный респект подвеске — не скажу, что она плавная, но ее упругость и способность отрабатывать неровности и русские ухабы вызывают зависть у русских мастеров тазиков и ваз. Шумоизоляция на троих. До 80 км терпимо, потом начинается столпотворение — резина, аэродинамика. Кстати, когда заказывали машину, на Дастеры с завода ставили шины Континенталь, а сейчас Амтел Круиз, ох, не думаю, что они лучше, но в целом сэкономили несколько тысяч рублей, хотя цена получилась конечно же, так как в договоре заказа машина не была прописана, на какой резине она будет.
Через пару месяцев отец поставил боковые дефлекторы на окна из салона, они вставные, а не накладные. Очень хорошо встали на место, окна не мешают работе. Так же поставил подлокотник между передними сиденьями (в базе не идет).
В целом машина радует, происшествий не было, тьфу-тьфу, хорошая машина для загорода точно. Конечно, УАЗ и Шнива будут более проходимыми, но мой отец не охотник, не рыбак, поэтому в дремучих лесах не ездит, часто ездит по трассе.
А с учетом того, что двигатель Шнивы 1,7 л., 80 л. С. почти не едет, а кушает все свои 10-12 литров, то купить современную, более безопасную и экономичную машину — дело хорошее. Всем удачи.
Здравствуйте! Сегодня у меня есть немного времени, чтобы уделить внимание моей новой машине, а точнее даже двум новым.
Частично пропустим муки выбора. Могу лишь сказать, что желаемая машина и доступная для моего кошелька, как правило, редко сочетаются в одной машине (в моем случае). Так что откладываем желания и полагаемся на возможности, так что Рено Дастер!
Обучался на многом: от старого советского автопрома до новых внедорожников, Хонда СРВ, Гранд Витара, Аутлендер, Лексус RX и т.д. Даже на боевом вертолете МИ 24П (служебный, конечно) мой отец военный летчик (сейчас на пенсии).
Впечатление
О Рено Дастер сказано, написано, показано много, а значит я просто постараюсь согласиться или нет с основными мнениями владельцев, а также опишу разницу между двумя новыми автомобилями, полностью идентичными в характеристики, купил заодно
1.
Внешне он не красавец, и вряд ли кому-то он может сильно ПОНРАВИТЬСЯ (за редким исключением), но он достается другим. Универсал, комфорт зимой с клиренсом и полным приводом, и это при цене С класса (Королла, Сид и т.д.). Отсюда вывод — Дастер не может конкурировать по качеству материалов, сборки, управляемости и т.д. с этими автомобилями.
2. Рулится четко, четко держит траекторию, идет мягко (ожидал худшего), немного покачивается на кочках как вагон метро (напоминает X-Trail), особых кренов в поворотах нет, на поворотах было больше Аутлендер и Х-Трейл. По проходимости он делает их подряд, где Аутлендер у меня не прошел, Икс пробился (постарался), и этот «красавец» реально едет, даже не задевая свесы.
3. Качество обивки салона так себе, 100 фунтов синтетика, какая то жирная и блестящая. Минус, хотя сами сиденья позволяют ехать 3 часа, потом затекает спина. Дно багажника тонкое и продавленное, пришлось резать фанеру под штатный коврик.
4. Обзорность нормальная, приборы читаются, нити обогрева лобового стекла не так хорошо видны, как на Калине и других советских агрегатах.
Что кондер, что печка работают отлично. Головной свет тоже в порядке. лучше калины, но, например, до хонды срв, оптика у дастера как до кремля.
Расход: город — 12; трасса — 7-8, в общем не много и не мало. Наконец-то избавился от штатного Амтела и начал устанавливать Континенталь. Я конечно не гонщик, но приятно.
5. Что хотелось бы исправить или доработать в этой машине:
Мультимедийная система действительно ужасно расположена (неудобно низко).
Камера заднего вида штатная, вообщем оторви и выкинь (камеру на Калину поставил жене за 2 рубля, так четкость, что ночью даже окурки видно).
Эта жуткая складывающаяся задняя полка как на ВАЗ 2109. Видимо, хотели сделать лучше, а получилось… Мне например шторка удобнее, я ее откинул наполовину или замотал в катиться, то вам придется вынимать его, когда вы несете что-то большое.
В общем, исправлению подлежат любые мелочи, которые, конечно, неудобны, но я потерплю. Изначально я заказывал одну машину для себя.
В это время отец выставил свою машину на продажу, думал что купить.
В отличии от меня, для него купить желаемую машину и доступную можно совместить в одной машине. Но на сегодняшний день трату 3,5 миллионов на Prado, который в итоге был выбран, он посчитал нецелесообразным, эти деньги оказались более выгодными.
А учитывая, что он проезжает 5-6 тысяч в год (и половина пробега в деревне), этот сарай будет просто стоять (и ждать меня, когда я приеду и помою его) и подешевеет в гараже.
Да и многие его знакомые тоже продали крузаки, бэхи и пересели на средние внедорожники. Я понимаю, что когда возраст за 50, появляются другие значения. И само осознание того, что хоть завтра можно купить Крузак 200, греет душу, а потому гонка за статусом и фарсом отходит на второй план.
Когда я забрал машину из салона, на следующий день я приехал в дом родителей, отец покатался и каково же было мое удивление, когда он спросил: есть еще такие люди в салоне?
После дорогих машин мне сложно было представить его за Дестером, но он сказал, что ему комфортно на нем ездить, а главное плавно и мягко, хотя он достаточно крепкий и весит за 100.
Да и шоу -оффы это не для него, особенно в дороге, он все равно летает периодически и говорит, что только с вертолета можно получить незабываемые впечатления и машина не может стрелять в отличии от вертушки.
И вообще через пару дней мы дождались ПТС и забрали уже его копию. Обе машины в предмаксимальной комплектации без кожи (она нам не нравится, да и качество кожи на Дастере тоже r, тоже с каким-то зеленоватым отливом, даже хуже синтетических сидений).
И хочу отметить. Я конечно понимаю, что каждая машина индивидуальна, но это обычно присутствует на автомобилях ВАЗ. Когда люди приезжали за новыми девятками, десятками и т.д., пробовали садиться в машину, трогали, заводили 5 машин на предмет какая лучше работает перед покупкой.
Насчет двигателя Рено Дастер: пробег на одном 2, на другом 3 тыс. км, и они так по-разному заводятся, по-разному звучат, и вообще странно ездят. Просто подрывается один на низах, который с пробуксовкой улетает, но при этом после 5000 оборотов вопит громче и надрывнее, такое ощущение, что двигатель просто выскочит из-под капота.
А с другими автомобилями, ну, все наоборот. У меня иногда складывается впечатление, что я еду не на 2,0-литровом двигателе, а на 1,6 со старта, и чем ближе к отсечке, тем быстрее и приятнее звук.
Обо всем этом спрашивал у официалов, говорят что все настройки на всех машинах одинаковые, но я не первый об этом говорю. Подвеска тоже работает по другому. Один бухает по кочкам, другой едет по тем же кочкам даже с разной амплитудой качения!
Дверные швы тоже разные, например водительская дверь на одной машине а на другой с разными зазорами (хотя обе машины перед покупкой проверял тестером, думаю многие слышали что битые машины тоже можно парить в салоне ).
Я не первый день за рулем и, конечно же, по своему опыту знаю и понимаю, что движки расходятся, бывают тупые и т.д. Но вроде есть налаженная поточная линия и тому подобное, но видимо все что делается в россии или даже собирается…
Я не пытаюсь придираться к машинам и не заморачиваюсь с этим вопросом, просто для тех кто думает о покупке Дастера — дополнительная информация.
Конечно, многие друзья спрашивали, что не Каптюр или Хендай Крета — не спорю, на голову они выглядят свежее Дастера, но это все бюджетные кроссоверы и не важно, Дастер у меня был бы или Крета , просто не хочу напрягать себя финансово.
Захвата с полным приводом придется ждать месяца 3-4 (а я без машины, работы, дома в деревне, садика и т.д. не могу). Крета, да простят меня люди, интересующиеся ей, похожа на китайскую Чери или Лифан, ну не нравится мне). И то с полным приводом цена этих двух конкурентов 150-200 руб. дорогой.
На эти 200 тысяч они решили взять ребенка на море и сами поехать в Германию, так сказать окунуться в детство. Мы прожили там пять лет, пока мой отец служил в ВВС. Я тоже хочу посмотреть мир, не все пьяные в машине.
Исход
Будут вопросы, задавайте! Если ты приготовил мне помидоры и сам бросишься, ну значит ты это заслужил. Всем удачи!
Уважаемые покупатели, во избежание ошибок при отправке электронного блока управления трансмиссией DUSTER 4×4 RENAULT 416513057R, в строке «Комментарий» укажите модель Вашего автомобиля, год выпуска.
Выход на отечественный рынок автомобилей Рено Дастер/Renault Duster получил очень широкую известность. Это связано с тем, что за сравнительно небольшие деньги потребитель получает качественный кроссовер с полным приводом. Для многих автомобилистов функция 4х4 просто необходима, так как им приходится довольно часто ездить по бездорожью. Особенно это касается сельскохозяйственных и лесных угодий.
Поскольку современные тенденции автомобилестроения стремятся к снижению расхода топлива, то на автомобили часто устанавливают переключатели с полного привода на обычный. Renault Duster/Рено Дастер 4WD не лишился этого полезного функционала. Так, в салоне есть шайба-переключатель ETC, которая позволяет включать разные режимы, обеспечивая устойчивость автомобиля в соответствии с условиями движения.
Переключатель ETC используется для взаимодействия водителя с системой распределения крутящего момента. С его помощью можно выбрать режимы ETC: ПЕРЕДНИЙ ПРИВОД, АВТОМАТИЧЕСКИЙ 4WD, ЗАБЛОКИРОВАННЫЙ 4WD.
Функция блокировки. Это только полный привод. Он блокирует распределительную муфту и возникает принудительная нагрузка на все оси автомобиля. Режим 4WD LOCK активируется, если при системе ETC в режиме AUTO водитель переводит переключатель ETC в положение 4WD LOCK, а затем позволяет переключателю вернуться в положение AUTO. После перехода системы ETC в режим 4WD LOCK на панели приборов загорается сигнальная лампа 4WD LOCK. После выбора этого режима система ETC обеспечивает максимальный крутящий момент на скорости ниже 30 км/ч.
Требуемый крутящий момент постепенно снижается с 30 км/ч до 100 км/ч. При скорости выше 100 км/ч режим 4WD LOCK отключается и система ETC переходит в режим AUTO.
Чтобы выполнить эту регулировку крутящего момента, необходимо проверить несколько условий:
работающий двигатель,
Водитель ускоряется (PR021 > 20),
Водитель не тормозит
Скорость автомобиля выше порога 30 км/ч.
В случае отклонения от нормы режим 4WD LOCK становится недоступным.
При использовании режима Lock не рекомендуется двигаться быстрее 70-80 км/ч, чтобы не повредить муфту блокировки.
Функция 2WD. Само название говорит само за себя. В этом режиме задействован только передний привод, и он оптимален для движения по трассе. Режим переднего привода(2WD) включается, если водитель переводит переключатель в положение 2WD. После того, как система ETC переходит в режим переднего привода, на приборной панели загорается сигнальная лампа 2WD.
При возникновении внутренней неисправности или механической неисправности ЭБУ системы впрыска, а также серьезных межсистемных сбоях система ETC переходит в режим переднего привода (безопасный режим), при этом загораются сигнальные лампы 2WD и неисправности (пила) .
Если температура муфты ETC становится слишком высокой (если PR009 Температура муфты > 220 °C), система ETC переключается в режим переднего привода и мигает сигнальная лампа переднего привода.
То есть если плохо то: горит сигналка 2WD и горит пила.
А если уж совсем плохо, то мигает сигнализатор 2WD.
Функция АВТО. Самый распространенный режим, с которого водители обычно не переключаются на другие. Режим AUTO включается, когда переключатель ETC находится в положении AUTO, а режим 4WD LOCK отключен. Когда система ETC переходит в режим AUTO, контрольные лампы 2WD и 4WD LOCK на приборной панели гаснут. После выбора этого режима ETC устанавливает целевой крутящий момент в соответствии с разницей скоростей между передними и задними колесами. Чтобы выполнить эту регулировку крутящего момента, необходимо проверить несколько условий:
- работающий двигатель,
- Водитель ускоряется (PR021 Положение педали акселератора > 20),
- Водитель не тормозит
Если предполагаемая температура сцепления слишком высока, режим AUTOMATIC 4WD становится недоступным, а система ETC меняется на:
— либо в режиме 4WD LOCK (для уменьшения трения между дисками, если PR009 Температура сцепления установлена на 160 °C
– или в режиме 2WD (опасность повреждения привода при PR009 > 220 °C), в этом случае мигает сигнальная лампа ПЕРЕДНИЙ ПРИВОД.
Система ETC возвращается в автоматический режим, как только температура ETC падает ниже 142°C.
Электронный блок управления раздаточной коробкой (ECU 416513057R) управляет всеми процессами, связанными с работой приводов, и сам переключается на нужный, в определенных условиях. Итак, экономия топлива есть, так как на трассе работает только передний привод, а на дороге, где нужно, включается полный.
Полный блок управления приводом RENAULT 416513057R установлен справа под панелью приборов
Говоря о принципе работы заднего привода, необходимо разобраться в некоторых технических и конструктивных особенностях Рено Дастер/Renault Duster 4WD. В случае с передним приводом все крутящие моменты идут через ШРУСы на передние колеса.
В данном случае на автомобиле установлена раздаточная коробка, которая перенаправляет крутящий момент на задние колеса. Система изобретена довольно давно, еще в далеких 50-х, но принцип остался и по сей день, хотя эти устройства все время совершенствуются.
В задней передаче Рено Дастер / Renault Duster 4WD есть муфта, и если она заблокирована, задний привод не работает.
Может включаться либо водителем, либо ЭБУ.
Двигатель подает крутящий момент на коробку передач, а оттуда он попадает в распределительную коробку.
Через карданный вал поступает в задний редуктор, в котором находится муфта-регулятор включения заднего привода. Если он горит, то работает полный привод, если выключен, то только передний.
В заднем редукторе есть собственное масло, которое необходимо заменить.
Выключатель стоп-сигнала, датчик — Сообщает системе ETC, что водитель тормозит таким образом, что системе ETC необходимо уменьшить крутящий момент для повышения устойчивости автомобиля при торможении.
Датчики скорости вращения колес — передает скорость каждого из колес автомобиля. Скорость автомобиля определяется как средняя скорость передних колес. Исполнительный механизм (то есть сцепление): распределяет мощность между передними и задними колесами.
Принудительное использование муфты-выключателя в течение длительного времени нецелесообразно, так как она может выйти из строя при силовой нагрузке. Поэтому режим АВТО считается наиболее оптимальным для использования.
В случае необходимости стоит кратковременно включить ручной режим, а когда он станет ненужным, снова переключиться в режим АВТО.
Блок управления трансмиссией автомобиля RENAULT 416513057R 4×4, причем водитель сам может выбирать, в каком режиме ехать.
Необходимо соблюдать правила использования режима 4х4, при отказе сцепления придется менять весь узел, что очень дорого.
Другие артикулы товара и его аналоги в каталогах: 416513057R, 0260140058, GJ1M43CU2Z, 0260140058, 15364
Рено Дастер / Рено Дастер с 2012 г.в.
Любая поломка — это не конец света, а вполне решаемая проблема!
Разновидности электронных систем управления двигателем ECM (ЭБУ, контроллеры), которые устанавливаются на разные модели автомобилей семейства ВАЗ.
Как проявляется неисправность электронного блока управления двигателем (ECU, ECM, контроллер)? на автомобиле семейства ВАЗ.
Как самостоятельно заменить электронный блок управления двигателем (ЭБУ, ЕСМ, контроллер) на автомобиле семейства ВАЗ.
С интернет-магазином Дискаунтер АвтоАзбука затраты на ремонт будут минимальными.
Просто СРАВНИТЕ и УБЕДИТЕСЬ!!!
Как проверить полный привод на Рено Дастер. Устройство и принцип работы полноприводного Рено Дастер
Канал для автолюбителей. Много интересной и полезной информации об автомобилях, подборе и ремонте автомобилей, тест-драйвах, диагностике и тестировании автомобилей.
Подписывайтесь на наш канал и новые видео: https://www.youtube.com/channel/UCFZuyWe6wCdx_0D_pfhgM3w
Тест-драйв: Дачия Дастер, 2.0АТ, 4WD, ESP 2014мой 4000км
Тест-драйв Дастера!
О радиаторе: http://www.dusterclubs.ru/vb/showpost.php?p=544798&postcount=983
Полный комплект Luxe (кожа, 7″ Media Nav)
Автомобиль 2014 года выпуска, F4R 2.
0l 16v двигатель, коробка передач DP8 (он же DP2, DP0, AL4), полный привод, ESP.
Новый цвет — «темно-каштановый».
Автомобиль только что прошел обкатку, пробег на момент теста 4000км.
Подробнее в блоге: http://andrei.krutsko.com/blog/index.php?entry=entry140611-211657
Моя партнерская программа VSP Group. Соединять! https://youpartnerwsp.com/ru/join?9882
Renault Duster 1.6 MT 4WD «11: тест двигателя на эластичность
Renault Duster, 1,6 л, 16 клапанов, 102 л.с., 145 Нм, 6 МКПП, полный привод, заявленная снаряженная масса 1318 кг, удельная мощность 77 л.с./т, выпускается с 2011 г., полностью заводская , на тесте машина 2014 года выпуска с пробегом 3000 км, водитель и оператор находились в кабине, топливо в баке было полным, температура воздуха +27.
Авторское измерение
Быстрый переход к разгону:
80 — 120 км/ч (6-я передача) — 00:38
80 — 120 км/ч (5-я передача) — 01:43
60 — 100 км/ч (5-я передача) ) — 02:36
60 — 100 км/ч (4-я передача) — 03:19
30 — 70 км/ч (4-я передача) — 03:58
30 — 70 км/ч (3-я передача) — 04:38
Измерение производилось с помощью GPS-измерителя Racelogic Performancebox:
Установленный в нем GPS-модуль 10 Гц измеряет скорость, положение, ускорение и направление движения автомобиля 10 раз в секунду.
Погрешность определения времени разгона составляет 0,1 секунды.
11.01.15 Тест на проходимость Рено Дастер без ЭСП полный привод зима снег Кострома Авто
После снегопада мы обнаружили небольшой участок с приличным слоем снега. Покатался несколько минут, потом решил снять видео. Во время движения — Дастер пару раз заглох, потому что забыл нажать на газ в сложных местах, несколько раз, остановившись, приходилось давать задний ход. Но в целом не было ни одного места, где бы Дастер застревал. Хотя слой был приличный. На машине включил полный привод и отключил ESP, но попробовал на автомате с подключенным приводом и с включенным ESP — в принципе Дастер тоже ездил без проблем.
Сцепление не перегревалось и не отключалось, но некоторое время появлялся характерный запах «заноса».
Более снежного места в Костроме найти не удалось из-за нехватки времени.
Рено Дастер — 2,0 л., полный привод и «автомат»! Обзор долгожданной комплектации.
Самая долгожданная комплектация кроссовера Рено Дастер 2,0 литра, полный привод с автоматической коробкой передач.
Или — последняя, недостающая модификация. Французский производитель давно откладывает выпуск полноприводной АКПП, чтобы максимально адаптировать АКПП к большим нагрузкам.
Съемочная группа Петровского Автоцентра провела тест-драйв новинки. Более того, мы протестировали модель на профессиональных трассах, где было все — и крутой подъем, и скосы, и уступы. И все это Рено Дастер выдержал!
Подписывайтесь на наш канал — http://www.youtube.com/subscription_center?add_user=PetrovskiyTV
Полноприводный Рено Дастер!
Видео о полноприводном Рено Дастер. Подробнее на — http://pro-duster.ru/novosti/polnyj-privod-reno-daster.html
Новый Dacia Duster 2018 4×4 | Тяжелое бездорожье 4WD
Видео вождения по тяжелому бездорожью с полигона для бездорожья на новой Dacia Duster 4×4 2018. Новая Dacia Duster вышла в 2018 году. Новая Dacia Duster второго поколения в труднопроходимой местности. Nouvelle Dacia Duster второго поколения в труднопроходимой местности.
Новое поколение Dacia Duster zweite в анспрухсволлеме Геланде. Новое поколение Dacia Duster второго поколения в труднопроходимой местности.
Оценить возможности переднего привода мы решили на примере Рено Дастер с двигателем 1,6 л. Полноприводные версии комплектуются 6-ступенчатой механикой с «короткой» первой ступенью, играющей роль понижающей. Когда нужно добраться по камням и болотам к лесному озеру или реке, то без первой передачи с передаточным числом 4,45 не обойтись.
Фото: Renault
Если раскрутить двигатель Дастера под красную зону и вывести его на режим максимальной мощности, то скорость кроссовера на первом этапе не превысит 15 км/ч. Это удобно, так как можно бродить и грязевые ванны, не опасаясь отсутствия тяги.
Кроме того, полноприводный Дастер, благодаря внедорожному передаточному числу, может трогаться с места на холостом ходу и даже карабкаться по россыпям крупных валунов. Настройки двигателя позволяют почти не трогать педаль газа, если нужно осторожно ползти по размытым горным дорогам.
Фото: Renault
Впрочем, в городе первая передача шестиступенчатой неинтересна. Она только толкает машину вперед и тут же приходится переключаться на вторую. Поэтому многие водители в целях экономии времени стартуют сразу на втором этапе, считая его вполне подходящим для этого. Так думать не совсем правильно, ведь передаточное число 2,59 не всегда подходит для полноценного старта. Приходится дольше держать сцепление полуоткрытым, из-за чего наблюдается его повышенный износ. Поэтому для жителей крупных городов, для которых проблемы с бездорожьем не очевидны, передний привод и 5-ступенчатая коробка передач кажутся предпочтительнее.
Фото: Renault
Универсальный работяга
В переднеприводной версии первая передача Дастера работает как у подавляющего большинства автомобилей с механической коробкой. Его передаточное число меньше (3,73), что заставляет автомобиль быстрее разгоняться. Чуть нажал на педаль, и кроссовер уже рванул вперед.
На пике тяги 115-сильного двигателя объемом 1,6 литра такой Дастер едет на первой передаче со скоростью 40-45 км/ч. Поэтому пятиступенчатая более удобна в городе, но на бездорожье проваливается.
Фото: Renault
В качестве городского автомобиля переднеприводный Дастер невероятно хорош. Он интереснее реагирует на шпоры. За счет большого дверного проема водительское место не садится, а входит, как в личный кабинет. Дверь широко распахивается, поэтому не боишься коснуться крыши лбом или глазом. При этом «ворота» очень легкие.
Обратный доступ также упрощен. Если вы поместите ребенка в кресло Baby, вам не придется тянуться и сгибаться, как башенный кран. Все получается легко и незаметно.
Испытания на передний привод начинаются в конце зимы, когда февральские и мартовские снегопады окончательно побеждают коммунальные службы, а дворы превращаются в непроходимые сугробы. Добраться до дома сложно. Зато у переднеприводного Дастера высокий дорожный просвет.
И эти проблемы оказываются для кроссовера не такими страшными, как для подавляющего большинства «пузотерок».
Фото: Renault
Центр тяжести немного смещен вперед. заднего моста нет, как и карданный вал из-за чего машина больше опирается на передние колеса. Так что сцепление хорошее. По крутым склонам Дастер ползет лучше, чем хэтчбеки и седаны на родственной платформе B0.
Но он не может укладывать сугробы, как Дефендер. Стоит закопать передок в снежную целину, как начинается буксование.
Фото: Renault
А вот летом переднеприводный Дастер пролезет практически там же, где и полноприводный. Грунтовка с лужами или гравийка с ямами для него не имеет значения. Разница в проходимости заметна только на горных крутизнах, где при движении ведущие колеса вывешиваются. Даже при поездке на рыбалку или в глухую деревню можно обойтись только передним приводом.
Вообще возможности полного привода в нашей стране мифологизированы. Становится смешно.
Иногда специально ищешь сложные места, которые под силу только «настоящим внедорожникам». Вы лезете по дорожкам куда-то к «святому источнику», льстив своему самомнению, что никакая другая машина, кроме танка и вас, здесь не проедет. А на финише вас ждут переднеприводная «Жигули» и старая тольяттинская «классика».
Трудности в межсезонье
Однако весной или осенью еще есть места, где без полного привода не обойтись. Например, до дачи нужно проехать пару километров. А после схода снега дорогу перебил грузовик, который углубил колею, и она стала непроезжей для автомобилей. Все лезут в объезд по целине. Размокшие суглинки, поросшие травой, легко наматываются на колеса, и машина застревает. Конечно, хоть как-то выкручиваться помогает электроника переднеприводного Дастера. Но с законами физики не поспоришь, и если крюка нет, то кроссовер тонет на ровном месте.
Фото: Renault
Полноприводный Дастер едет в таких местах заметно лучше. Блокировал сцепление в расчете 50/50.
Тяга передается на заднюю ось, и даже с тремя буксующими колесами можно вылезти из западни.
Вообще, полный привод это большая дилемма. Необходимость в нем у рядовых автомобилистов возникает всего пару раз за все время эксплуатации машины. А полноприводный Дастер стоит почти на 120 тысяч дороже. Со многими городскими задачами справится и переднеприводный автомобиль с мотором 1,6 литра.
Впрочем, если увлечения и жизненные увлечения тянутся к приключениям, связанным с частыми выездами в глубинку, то переплата за полный привод здесь кажется оправданной. Здесь нельзя экономить. Рыбаки, грибники и охотники не откажут себе в удовольствии заблокировать кладку и проползти по лужам по оси глубины. Полноприводный Дастер обладает феноменальной проходимостью даже с 1,6-литровым агрегатом под капотом.
Технические характеристики Рено Дастер
Рено Дастер 1.6 2WD MT5 | Рено 1. | |
|---|---|---|
Размеры (длина/ширина/высота), мм | 4315/ 1822 / 1625 | 4315/ 1822 / 1625 |
Колесная база, мм | ||
Снаряженная масса, кг | ||
Объем багажника, л | ||
тип кузова | универсал | универсал |
Количество дверей/мест | ||
Двигатель | 4-цилиндровый, рядный | 4-цилиндровый, рядный |
Рабочий объем, см³ | ||
Максимальная мощность, л. С. / об/мин | ||
Макс. крутящий момент, Нм/об/мин | ||
Трансмиссия | 5-й ст. | 6-ст. механический |
Передний | ||
Дорожный просвет (мм) | ||
Объем топливного бака, л | ||
Разгон до 100 км/ч, с | ||
Макс. скорость, км/ч | ||
Расход топлива (смешанный), л/100 км | ||
Тестовая цена автомобиля | От 689 000 руб. | От 809 990 рублей |
Renault Duster 4×4 сразу после появления на рынке вызвал большой интерес на российском рынке. Довольно интересные характеристики кроссовера сразу оценили тысячи россиян. Сегодня мы подробно разберем устройство полного привода Рено Дастер и режимы трансмиссии.
Принцип работы Рено Дастер 4х4 не нов, нечто подобное используется и на других небольших кроссоверах. Например, полноприводная трансмиссия Ниссан Кашкай и Джука работает точно так же. На фото в начале статьи работа полноприводного Рено Дастер.
Коробка передач Дастер 4х4 выполнена в едином корпусе с дополнительной раздаточной коробкой. При вращении передних колес постоянно вращается хвостовик раздаточного узла, к которому прикреплен карданный вал. А уже карданный вал передает крутящий момент на задний редуктор. Зато перед задним редуктором стоит электромагнитная муфта, задача которой либо передавать крутящий момент дальше, либо давать кардану вращаться вхолостую. Именно эта муфта является основным элементом подключаемого заднего привода, без которого на Дастере вообще не было бы трансмиссии 4х4. Как выглядит этот элемент трансмиссии сзади, под днищем кроссовера? См. фото ниже.
Работа всего полного привода может осуществляться из салона кроссовера с помощью небольшой шайбы, которая просто блокирует или разблокирует электромагнитную муфту.
Тем самым превращая моноприводный компактный кроссовер в полноприводный внедорожник. Всего есть три режима работы.
Первый режим работы 2WD — передние колеса и кардан вращаются, но электромагнитная муфта не передает крутящий момент на задний редуктор.
Режим полного привода «Блокировка» — электромагнитная муфта блокируется и крутящий момент поступает на задний редуктор, затем на задние колеса.
Автоматический режим «Авто» – В этом режиме при пробуксовке передних колес, например на льду или других скользких поверхностях, электромагнитная муфта включается сама и заставляет вращаться и задние колеса.
Стоит отметить, что нельзя постоянно ездить в режиме «Блокировка», так как это приведет к перегреву. электромагнитная муфта и ее поломка. Естественно, в режиме полного привода расход топлива у Дастера 4х4 увеличивается, особенно на бездорожье.
С выходом на отечественный авторынок Renault Duster приобрел очень широкую популярность.
Это связано с тем, что за сравнительно небольшие деньги потребитель получает качественный кроссовер с полным приводом. Для многих автомобилистов функция 4х4 просто необходима, так как им приходится довольно часто ездить по бездорожью. Особенно это касается сельскохозяйственных и лесных угодий. Но, каков принцип работы полного привода на Рено Дастер?
Как работает полный привод Рено Дастер рассказано в видео:
Рассмотрим сначала вопрос не технической стороны, а функциональной. Поскольку современные автомобильные тенденции стремятся к снижению расхода топлива, автомобили часто оснащаются переключателями с полного привода на обычный. Рено Дастер не лишился и этого полезного функционала. Так, в салоне есть омыватель-переключатель, позволяющий включать разные режимы. Рассмотрим вопрос подробнее:
Таким образом, понятно, что и блок управления, и сам водитель могут выбирать, в каком режиме ехать.
Принцип работы полного привода на Рено Дастер
Если говорить о принципе работы заднего привода, то необходимо понимать некоторые технические и конструктивные особенности Рено Дастер.
В случае с передним приводом все крутящие моменты идут через ШРУСы на передние колеса. Как работает задняя часть?
В данном случае на автомобиле установлена раздаточная коробка, которая перенаправляет крутящий момент на задние колеса. Система изобретена довольно давно, еще в далеких 50-х, но принцип остался и по сей день, хотя эти устройства все время совершенствуются.
Классическая схема подключаемого полного привода
В заднем редукторе Рено Дастер установлено сцепление, при блокировке которого задний привод не работает.
Включается либо водителем, либо ЭБУ. Рассмотрим все проще и понятнее: двигатель подает крутящий момент на коробку передач, а оттуда он попадает в распределительную коробку.
Подробная схема полного привода на Дастере
Через карданный вал входит в задний редуктор, в котором находится муфта-регулятор включения заднего привода. Если он горит, то работает полный привод, если выключен, то только передний.
В .
Еще раз напомним, что форсировать использование муфты-выключателя в течение длительного времени не стоит, так как под силовой нагрузкой он может выйти из строя. Поэтому режим АВТО считается наиболее оптимальным для использования.
При необходимости кратковременно включить ручной режим, а когда он станет не нужен, снова переключиться в режим АВТО.
выводы
Устройство полного привода оказалось простым и понятным. Конечно, при отказе сцепления придется заменить весь узел, что дорого, поэтому следует соблюдать правила использования режима 4х4.
С выходом на отечественный авторынок Renault Duster приобрел очень широкую популярность. Это связано с тем, что за сравнительно небольшие деньги потребитель получает качественный кроссовер с полным приводом. Для многих автомобилистов функция 4х4 просто необходима, так как им приходится довольно часто ездить по бездорожью. Особенно это касается сельскохозяйственных и лесных угодий.
Но, каков принцип работы полного привода на Рено Дастер?
Включение полного привода
Сначала рассмотрим не техническую сторону вопроса, а функциональную. Поскольку современные автомобильные тенденции стремятся к снижению расхода топлива, автомобили часто оснащаются переключателями с полного привода на обычный.
Рено Дастер не лишился и этого полезного функционала. Так, в салоне есть омыватель-переключатель, позволяющий включать разные режимы. Рассмотрим вопрос подробнее:
- Функция блокировки. Это только полный привод. Он блокирует распределительную муфту и возникает принудительная нагрузка на все оси автомобиля. При использовании режима Lock не рекомендуется двигаться быстрее 70-80 км/ч, чтобы не повредить муфту блокировки.
- Функция 2WD. Само название говорит само за себя. В этом режиме задействован только передний привод, и он оптимален для движения по трассе.
- Кнопка электрического сцепления в режиме 2WD
- Кнопка электромуфты в режиме «АВТО»
Таким образом, понятно, что и блок управления, и сам водитель могут выбирать, в каком режиме ехать.
Принцип работы полного привода на Рено Дастер
Если говорить о принципе работы заднего привода, то необходимо разобраться в некоторых технических и конструктивных особенностях Рено Дастер. В случае с передним приводом все крутящие моменты идут через ШРУСы на передние колеса. Как работает задняя часть?
В этом случае на автомобиль устанавливается раздаточная коробка, которая перенаправляет крутящий момент на задние колеса. Система изобретена довольно давно, еще в далеких 50-х, но принцип остался и по сей день, хотя эти устройства все время совершенствуются.
Классическая схема подключаемого полного привода
В заднем редукторе Рено Дастер установлено сцепление, при блокировке которого задний привод не работает. Он может быть включен либо водителем, либо ЭБУ. Рассмотрим все проще и понятнее: двигатель подает крутящий момент на коробку передач, а оттуда он попадает в распределительную коробку.
Через карданный вал поступает в задний редуктор, в котором находится муфта-регулятор включения заднего привода.
Если он горит, то работает полный привод, если выключен, то только передний. В заднем редукторе есть свое масло, которое необходимо заменить.
Еще раз напомним, что форсировать использование муфты-выключателя в течение длительного времени не стоит, так как под силовой нагрузкой он может выйти из строя. Поэтому режим АВТО считается наиболее оптимальным для использования.
Там, где необходимо, стоит на короткое время включить ручной режим, а когда он станет ненужным, снова переключиться в режим АВТО.
Устройство полного привода оказалось простым и понятным. Конечно, при отказе сцепления придется заменить весь узел, что дорого, поэтому следует соблюдать правила использования режима 4х4.
Посмотрите интересное видео на эту тему:
рено дастер как работает полный привод. Дастер полный привод
Как работает привод Рено Дастер Какие режимы работы имеет полноприводная трансмиссия этого кроссовера? Мы постараемся сейчас ответить на все эти вопросы.
Тем более вопрос интересует многих россиян, мечтающих о доступном полноприводном кроссовере.
Схема управления Рено Дастер довольно проста. Крутящий момент передается на коробку передач, а оттуда распределяется между передними колесами посредством валов, на концах которых установлены шарниры равных угловых скоростей. Точнее, на наружных стоят обычные ШРУСы, а на внутренних «гранатах» конструкция немного другая, внутри стоят штативы. Это позволяет осям перемещаться с некоторым зазором. Если с переднеприводным Рено Дастер понятно, то схема его работы мало чем отличается от принципов работы любого переднеприводного автомобиля с поперечным расположением двигателя. Простота конструкции – большой плюс для такого бюджетного автомобиля. Скорее всего, такая же схема будет использована на Renault Duster в новом кузове, который появится в нашей стране в 2018 году.
А вот полный привод на Рено Дастер 4х4 устроен чуть сложнее. Коробка передач содержит компактную раздаточную коробку (на фото указана стрелкой), откуда крутящий момент передается на задний редуктор через карданный вал в постоянном режиме.
Но перед коробкой передач находится электромагнитная муфта (расположение муфты также указано стрелкой), которая передает крутящий момент дальше, либо не передает его, то есть карданный вал просто вращается вхолостую. И уже от коробки передач по тем же осям со ШРУСами на концах крутящий момент передается на задние колеса. Смотрим фото задней части трансмиссии Рено Дастер 4х4.
А вот и главный элемент полноприводной трансмиссии в разрезе. На этом фото очень хорошо видны все внутренние детали сцепления и заднего редуктора.
Такая конструкция коробки передач Рено Дастер позволяет управлять приводом легко и непринужденно. Для управления режимами работы привода в салоне кроссовера есть шайба переключателя, вот она на фото. Одним легким движением можно превратить переднеприводный кроссовер в полноприводный внедорожник, либо доверить все автоматике.
- В режиме «Блокировка» срабатывает электромагнитная муфта и крутящий момент через коробку передач поступает на задние колеса.

- В режиме «2WD» передние колеса Дастера становятся ведущими, карданный вал, который должен передавать крутящий момент на задний редуктор, вращается на холостом ходу.
- В режиме «Авто» кроссовер сам определяет, когда подключать задний привод. Обычно электромагнитная муфта срабатывает при пробуксовке передних ведущих колес.
Стоит отметить, что самым динамичным и в то же время экономичным является «2WD», при частичном или полном включении всех 4-х колес увеличивается расход топлива. А в режиме полной блокировки электромагнитной муфты «Lock» скорость кроссовера не должна превышать 80 км/ч. Внедорожный режим 4×4 может привести к перегреву сцепления, что приведет к выходу из строя трансмиссии. Так работает полный привод Рено Дастер.
Рено Дастер 4×4
Принцип работы привода Рено Дастер , какие режимы работы у полноприводной коробки этого кроссовера? На все эти вопросы мы постараемся ответить прямо сейчас.
Схема управления Рено Дастер достаточно проста.
Крутящий момент передается на коробку, а оттуда распределяется между передними колесами посредством валов, на концах которых имеются шарниры равных угловых скоростей. Точнее, на наружных стоят обычные ШРУСы, а на внутренних гранатах конструкция немного другая, внутри стоят штативы. Это позволяет осям перемещаться с определенным зазором. Если с переднеприводным Рено Дастер понятно, то схема его работы мало чем отличается от механизмов работы любого переднеприводного автомобиля с поперечным расположением мотора. Простота конструкции – огромный плюс для такой экономичной машины.
А вот полный привод на Рено Дастер 4х4 устроен чуть сложнее. Коробка передач содержит внутри малогабаритную раздаточную коробку (на фото она указана стрелкой), откуда крутящий момент передается на задний редуктор посредством карданного вала в постоянном режиме. Но в передней части коробки передач находится электромуфта (расположение муфты также указано стрелкой), которая передает крутящий момент дальше, либо не передает его, иными словами, карданный вал просто крутится вхолостую.
И уже от коробки передач по тем же осям со ШРУСами на концах крутящий момент передается на задние колеса. Смотрим на фото задней части кузова Рено Дастер 4х4 кузов.
Ходовые качества. Полный привод … Полный комплект. Полный тест. Часть 2.
Рено Дастер 2.0 4WD. Дневник. Запись 2. Зачем кроссоверу полный привод с блоком .Такая конструкция коробки передач Рено Дастер позволяет управлять приводом легко и непринужденно. Для управления режимами работы привода в салоне кроссовера есть шайба переключателя, вот она на фото. Одним легким движением можно превратить переднеприводный кроссовер в полноприводный внедорожник, либо доверить все автоматике.
- В режиме блокировки срабатывает электромагнитная муфта и крутящий момент через коробку передач передается на задние колеса.
- В режиме 2WD передние колеса Дастера становятся ведущими, карданный вал, который должен передавать крутящий момент на задний редуктор, вращается на холостом ходу.

- В режиме Auto кроссовер сам определяет, когда подключать задний привод. Обычно электромагнитная муфта срабатывает при пробуксовке передних ведущих колес.
Стоит отметить, что наиболее динамичным и в то же время экономичным является 2WD, при частичном или полном включении всех 4-х колес увеличивается расход топлива. А в режиме полной блокировки электромагнитной муфты Lock скорость кроссовера не должна превышать 80 км/ч. Внедорожный режим 4×4 может привести к перегреву сцепления, что приведет к выходу из строя трансмиссии. Вот как это работает полный привод Рено Дастер.
Как работает привод Рено Дастер Какие режимы работы имеет полноприводная трансмиссия этого кроссовера? Мы постараемся сейчас ответить на все эти вопросы.
Схема вождения Рено Дастер довольно проста. Крутящий момент передается на коробку передач, а оттуда распределяется между передними колесами посредством валов, на концах которых установлены шарниры равных угловых скоростей.
Точнее, на наружных стоят обычные ШРУСы, а на внутренних «гранатах» конструкция немного другая, внутри стоят штативы. Это позволяет осям перемещаться с некоторым зазором. Если с переднеприводным Рено Дастер понятно, то схема его работы мало чем отличается от принципов работы любого переднеприводного автомобиля с поперечным расположением двигателя. Простота конструкции – большой плюс для такого бюджетного автомобиля.
А вот полный привод на Рено Дастер 4х4 устроен чуть сложнее. Коробка передач содержит компактную раздаточную коробку (на фото указана стрелкой), откуда крутящий момент передается на задний редуктор через карданный вал в постоянном режиме. Но перед коробкой передач находится электромагнитная муфта (расположение муфты также указано стрелкой), которая передает крутящий момент дальше, либо не передает его, то есть карданный вал просто вращается вхолостую. И уже от коробки передач по тем же осям со ШРУСами на концах крутящий момент передается на задние колеса.
Смотрим фото задней части трансмиссии Рено Дастер 4х4.
Такая конструкция коробки передач Рено Дастер позволяет управлять приводом легко и непринужденно. Для управления режимами работы привода в салоне кроссовера есть шайба переключателя, вот она на фото. Одним легким движением можно превратить переднеприводный кроссовер в полноприводный внедорожник, либо доверить все автоматике.
- В режиме «Блокировка» срабатывает электромагнитная муфта и крутящий момент через коробку передач поступает на задние колеса.
- В режиме «2WD» передние колеса Дастера становятся ведущими, карданный вал, который должен передавать крутящий момент на задний редуктор, вращается на холостом ходу.
- В режиме «Авто» кроссовер сам определяет, когда подключать задний привод. Обычно электромагнитная муфта срабатывает при пробуксовке передних ведущих колес.
Стоит отметить, что самым динамичным и в то же время экономичным является «2WD», при частичном или полном включении всех 4-х колес увеличивается расход топлива.
А в режиме полной блокировки электромагнитной муфты «Lock» скорость кроссовера не должна превышать 80 км/ч. Внедорожный режим 4×4 может привести к перегреву сцепления, что приведет к выходу из строя трансмиссии. Так работает полный привод Рено Дастер.
С выходом автомобилей Рено Дастер на отечественный рынок он стал очень популярен. Это связано с тем, что за сравнительно небольшие деньги потребитель получает качественный кроссовер с полным приводом. Для многих автолюбителей функция 4х4 просто необходима, так как им приходится довольно часто ездить по бездорожью. Особенно это касается сельскохозяйственных и лесных угодий. Но, каков принцип работы полного привода на Рено Дастер?
Включение полного привода
Во-первых, рассмотрим не техническую сторону вопроса, а функциональную. Так как современная автомобильная тенденция направлена на снижение расхода топлива, автомобили часто устанавливают на переключатели с полного привода на обычный.
Рено Дастер не лишился и этого полезного функционала.
Итак, в машине есть омыватель-переключатель, который позволяет включать разные режимы. Рассмотрим вопрос подробнее:
- Функция блокировки. Это только полный привод. Он блокирует распределительную муфту и возникает принудительная нагрузка на все оси автомобиля. При использовании режима Lock не рекомендуется двигаться быстрее 70-80 км/ч, чтобы не вызвать поломку муфты блокировки.
- Функция 2WD. Само название говорит само за себя. Этот режим включает только передний привод и идеально подходит для движения по шоссе.
- Кнопка электромуфты в режиме «2WD»
- Кнопка электромуфты в режиме «АВТО»
Таким образом, видно, что и блок управления, и сам водитель могут выбирать, в каком режиме ехать.
Принцип работы полного привода на Рено Дастер
Если говорить о принципе работы заднего привода, то необходимо разобраться в некоторых технических и конструктивных особенностях Рено Дастер. В случае переднего привода все крутящие моменты идут через ШРУСы на передние колеса.
Но как работает задний?
В этом случае на автомобиль устанавливается раздаточная коробка, которая перенаправляет крутящий момент на задние колеса. Система была придумана давно, еще в далеких 50-х годах, но принцип остался и по сей день, хотя эти устройства все время совершенствуются.
Классическая схема подключаемого полного привода
В заднем редукторе Рено Дастер установлена муфта, при блокировке которой задний привод не работает. Он может быть включен как принудительно водителем, так и с помощью ЭБУ. Рассмотрим все проще и понятнее: двигатель подает крутящий момент на коробку передач, а оттуда он поступает в распределительную коробку.
Через карданный вал поступает в задний редуктор, в котором находится регулятор сцепления включения заднего привода. Если он горит, то работает полный привод, если выключен, то только передний. В заднем редукторе есть свое масло, которое требует замены.
Еще раз напомним, что не стоит принудительно использовать муфту-выключатель в течение длительного времени, так как она может выйти из строя под силовой нагрузкой.
Поэтому режим АВТО считается наиболее оптимальным для использования.
При необходимости стоит ненадолго включить ручной режим, а когда он станет ненужным, снова переключиться в режим АВТО.
Управление полным приводом было простым и понятным. Конечно, при отказе сцепления придется заменить весь узел, что дорого, поэтому следует соблюдать правила использования режима 4х4.
Посмотрите интересное видео на эту тему:
На рынке автомобилей повышенной проходимости, в частности в Российской Федерации, достаточно хорошие позиции занимает французский автомобиль Рено Дастер. Автомобиль, имеющий полный привод, способен достаточно легко преодолевать бездорожье. При этом автовладелец едет спокойно, и не думает, что при малейшем съезде с дороги машина увязнет. Как работает полный привод на этой модели, и какие у него есть особенности, и, конечно же, каков его принцип работы? Попробуем разобраться сейчас.
Как работает полный привод
Схема полного привода на «французе» Renault Duster включает несколько элементов — задний дифференциал, трансмиссию, электромагнитную автоматическую муфту и раздаточную коробку.
Как они между собой взаимодействуют и как включить полный привод?
Подключаемый или постоянный полный привод установлен на обозначенную нами модель, как включается полный привод? Ответ на такой вопрос будет спорным. Итак, раздаточная коробка как бы встроена в трансмиссию, а дифференциал уже управляется автоматически через микроконтроллер сцепления.
В этом автомобиле управление осуществляется с помощью электронного селектора, который находится на центральной консоли. Как включается полный привод? Селектор включает всего 3 режима – блокировка сцепления, система монопривода и автоматическое сцепление.
При переключении на передний привод управление сцеплением отключается. Кстати, именно поэтому она уменьшается в несколько раз, ведь в этом случае генератору не нужно питать автомат и электронику заднего редуктора, а также все его механизмы.
Итак, в автоматическом режиме самостоятельно активируется автоматическая муфта, управление которой не зависит от водителя, а происходит за счет специальных датчиков проскальзывания колес, которые находятся в Renault Duster в ЭБУ.
Все это означает, что когда передние колеса вашей модели начинают буксовать, то моментально крутящий момент начинает передаваться на задние колеса и в нужный момент отключает его. Вот так выглядит полноприводное устройство.
При этом производитель настоятельно рекомендует использовать не систему полного привода постоянно, а автоматический режим, при наличии гололеда на дороге, благодаря этому ваша безопасность во время вождения повысится в несколько раз.
В режиме блокировки автоматического сцепления его работа осуществляется на постоянном уровне. Так, все датчики, способные хоть как-то повлиять на его работу, моментально отключаются, в свою очередь карданный вал будет соединен с редуктором, и обеспечит его вращение.
Считается, по многочисленным отзывам владельцев автомобилей Рено Дастер, при длительном использовании режима блокировки сцепление может выйти из строя и погнуться.
Отзывы владельцев
Многие автовладельцы Рено Дастер по-разному отзываются о системе полного привода, многие подробно рассказывают, как работает полный привод, и как правильно использовать эту функцию в своем автомобиле.
Другие помогают своими советами, когда и как включать полный привод и так далее. Это позволяет потенциальным покупателям делать собственные выводы о Дастере. И зачастую положительных отзывов гораздо больше, чем отрицательных. Вот несколько примеров.
Алексей, водительский стаж 9лет: «Свой Рено Дастер я купил еще в 2014 году, за все прошедшее время я проехал 58 тысяч километров. Часто езжу на рыбалку, охоту, на дачу, то есть туда, куда обычная машина не влезет. Могу точно сказать, что машина отлично справляется со своими заявленными функциями. Конечно, не все работает идеально, но и того, что есть, хватает с головой. Поломок не было, но говорят, что функция блокировки не должна работать постоянно, иначе поломки не избежать.
Павел, водительский стаж 4 года: «Система полного привода меня совсем не устраивает. На 60 тысячах пробега полетело сцепление. Машина была на гарантии, дилер быстро все поменял, и если бы не гарантия, мне бы это дорого обошлось. Расход топлива также на 3 литра больше, чем у автомобиля с передним приводом, но с той же силовой установкой.
Я считаю, что все дело в том, как работает сцепление. Прочитал много отзывов, понял, что это нормально. Хочу продать свою машину и купить переднеприводную версию.
Исходы
Делая вывод по многочисленным отзывам владельцев «француза», полноприводная версия предоставляет большое количество возможностей, недоступных владельцу полноприводной версии. Если вы знакомы с режимами и принципом работы сцепления, то легко сможете прийти к комфортной езде по пересеченной местности, не беспокоясь о большом и необходимости частого ремонта трансмиссии.
Как включить полный привод на дастере. Как работает полный привод на Рено Дастер? Включение привода на Рено Дастер
Рено Дастер 4х4
Как работает привод Рено Дастер , какие режимы работы имеет полноприводная коробка этого кроссовера? Попробуем ответить на все эти вопросы прямо сейчас.
Схема работы привода Рено Дастер довольно неприхотливый. Крутящий момент передается на коробку, а оттуда распределяется между передними колесами посредством валов, на концах которых имеются шарниры равных угловых скоростей.
Точнее, на наружных стоят обычные ШРУСы, а на внутренних гранатах конструкция немного другая, внутри стоят штативы. Это позволяет оси двигаться с некоторым зазором. Если понятно переднеприводный Рено Дастер, то схема его работы мало чем отличается от механизмов работы любого переднеприводного автомобиля с поперечным расположением двигателя. Простота конструкции – огромный плюс для такой экономичной машины.
А вот полный привод для Рено Дастер 4х4 устроен чуть сложнее. Коробка передач содержит внутри себя малогабаритную раздаточную коробку (на фото указана стрелкой), откуда крутящий момент посредством карданного вала неизменно передается на заднюю передачу. Но в передней части коробки передач находится электромуфта (расположение муфты тоже указано стрелкой), которая передает крутящий момент дальше, либо не передает его, иными словами карданный вал просто крутится на холостом ходу. И уже от коробки передач по тем же осям со ШРУСами на концах крутящий момент передается на задние колеса.
Смотрим на фото задней части кузова Рено Дастер 4х4 кузов.
Ходовые характеристики. Полный привод . Опции. Полный тест. Часть 2.
Рено Дастер 2.0 4WD. Дневник. Запись 2. Зачем кроссоверу полный привод .Такая конструкция коробки передач Рено Дастер позволяет управлять приводом легко и непринужденно. Для управления режимами работы привода в салоне кроссовера есть шайба переключателя, вот она на фото. Одним легким движением можно сделать переднеприводный кроссовер, полноприводный внедорожник или доверить все автоматике.
- В режиме блокировки включается электромагнитная муфта и крутящий момент передается через коробку передач на задние колеса.
- В режиме 2WD передние колеса Дастера становятся ведущими, карданный вал, который должен передавать крутящий момент на задний редуктор, вращается на холостом ходу.
- В режиме Auto кроссовер сам определяет, когда его подключать.
задний привод. Обычно электромагнитная муфта срабатывает при пробуксовке передних ведущих колес.
Стоит отметить, что самым динамичным и в то же время экономичным является 2WD, при частичном или полном использовании всех 4-х колес увеличивается расход топлива. А в режиме полной блокировки электромагнитной муфты Lock скорость кроссовера не должна превышать 80 км/ч. Движение по бездорожью 4×4 может привести к перегреву сцепления, что приведет к выходу из строя трансмиссии. Вот как это работает полный привод Рено Дастер.
Renault Duster 4×4 сразу после появления на рынке вызвал большой интерес на российском рынке. Довольно интересные характеристики кроссовера сразу оценили тысячи россиян. Сегодня мы подробно разберем устройство полного привода Рено Дастер и режимы трансмиссии.
Принцип работы Рено Дастер 4х4 не нов, нечто подобное используется и на других небольших кроссоверах. Например, полноприводная трансмиссия Ниссан Кашкай и Джука работает точно так же.
На фото в начале статьи работа полноприводного Рено Дастер.
Коробка передач Дастер 4х4 выполнена в едином корпусе с дополнительной раздаточной коробкой. При вращении передних колес постоянно вращается хвостовик раздаточного узла, к которому прикреплен карданный вал. А уже карданный вал передает крутящий момент на задний редуктор. Зато перед задним редуктором стоит электромагнитная муфта, задача которой либо передавать крутящий момент дальше, либо давать кардану вращаться вхолостую. Именно это сцепление является основным элементом подключаемого заднего привода, без которого на Дастере вообще не было бы трансмиссии 4х4. Как выглядит этот элемент трансмиссии сзади, под днищем кроссовера? См. фото ниже.
Работа всего полного привода может осуществляться из салона кроссовера с помощью небольшой шайбы, которая просто блокирует или разблокирует электромагнитную муфту. Тем самым превращая моноприводный компактный кроссовер в полноприводный внедорожник. Всего есть три режима работы.
Первый режим работы 2WD — передние колеса и кардан вращаются, но электромагнитная муфта не передает крутящий момент на задний редуктор.
Режим полного привода «Блокировка» — электромагнитная муфта блокируется и крутящий момент поступает на задний редуктор, затем на задние колеса.
Автоматический режим «Авто» – В этом режиме при пробуксовке передних колес, например на льду или других скользких поверхностях, электромагнитная муфта включается сама и заставляет вращаться и задние колеса.
Стоит отметить, что нельзя постоянно ездить в режиме «Блокировка», так как это приведет к перегреву электромагнитной муфты и ее поломке. Естественно, в режиме полного привода расход топлива у Дастера 4х4 увеличивается, особенно на бездорожье.
16.01.15
общая информация
В целом система привода данной модели автомобиля достаточно проста и не составит труда разобраться даже непрофессионалу. Распределение крутящего момента между колесами осуществляется от коробки передач.
На наружных концах валов установлены ШРУСы, получающие равные угловые скорости, а на внутренних концах расположены триподы. В таком механизме работы нет ничего нового с точки зрения разработки, схема позаимствована у знаменитого Nissan Quashkai.
Режимы работы
Самый базовый режим называется 2WD, который включает работу только передних колес и рекомендуется для движения по качественному и сухому дорожному покрытию. Этот режим обеспечивает экономичную езду по расходу топлива и комфортную скорость движения.
Автоматический режим работы определяет наилучшее сцепление с полотном. В основном используется на шоссе и городских дорогах. При неблагоприятных погодных условиях, например, во время дождя, муфта самостоятельно определяет, в какой момент необходимо подключить задний привод.
В режиме LOCK сцепление блокируется и крутящий момент подается на задние колеса, поэтому автомобиль становится полностью управляемым и готовым к преодолению бездорожья.
Но такая функция рекомендуется для эксплуатации на пониженных скоростях до 80 километров в час.
Исход
Владельцам автомобилей Рено В зависимости от ситуации Дастер должен самостоятельно выбирать оптимальный режим работы привода и помнить, что наиболее экономичная езда получается в режиме 2WD, а в режиме LOCK желательно не задерживаться слишком долго, чтобы не перегреть сцепление, что может привести к поломке механизма, тем более, что ремонт при нынешней цене Рено Дастер 2014 может быть довольно дорогим!
Все записи
Как работает привод Рено Дастер , какие режимы работы имеет полноприводная трансмиссия этого кроссовера? Попробуем ответить на все эти вопросы прямо сейчас.
Схема привода Рено Дастер довольно простенькая. Крутящий момент передается на коробку передач, а оттуда распределяется между передними колесами посредством валов, на концах которых установлены шарниры равных угловых скоростей.
Точнее, на наружных стоят обычные ШРУСы, а на внутренних «гранатах» конструкция немного другая, внутри стоят штативы. Это позволяет оси двигаться с некоторым зазором. Если с переднеприводным Рено Дастер понятно, то схема его работы мало чем отличается от принципов работы любого переднеприводного автомобиля с поперечным расположением двигателя. Простота конструкции – большой плюс для такого бюджетного автомобиля.
А вот полный привод для Рено Дастер 4х4 немного сложнее. Коробка передач содержит компактную раздаточную коробку (на фото указана стрелкой), откуда крутящий момент посредством карданного вала постоянно передается на задний редуктор. Но перед коробкой передач находится электромагнитная муфта (расположение муфты также указано стрелкой), которая передает крутящий момент дальше, либо не передает его, то есть карданный вал просто вращается на холостом ходу. И уже от коробки передач по тем же осям со ШРУСами на концах крутящий момент передается на задние колеса.
Смотрим фото задней части трансмиссии Рено Дастер 4х4.
Такая конструкция коробки передач Рено Дастер позволяет управлять приводом легко и непринужденно. Для управления режимами работы привода в салоне кроссовера есть шайба переключателя, вот она на фото. Одним легким движением можно превратить переднеприводный кроссовер в полноприводный внедорожник или доверить все автоматике.
- В режиме «Блокировка» включается электромагнитная муфта и крутящий момент через коробку передач поступает на задние колеса.
- В режиме «2WD» передние колеса Дастера становятся ведущими, карданный вал, который должен передавать крутящий момент на задний редуктор, вращается на холостом ходу.
- В режиме «Авто» кроссовер сам определяет, когда ему следует подключать задний привод. Обычно электромагнитная муфта срабатывает при пробуксовке передних ведущих колес.
Стоит отметить, что самым динамичным и в то же время экономичным является «2WD», при частичном или полном использовании всех 4-х колес увеличивается расход топлива.
А в режиме полной блокировки электромагнитной муфты «Lock» скорость кроссовера не должна превышать 80 км/ч. Движение по бездорожью 4×4 может привести к перегреву сцепления, что приведет к выходу из строя трансмиссии. Так работает полный привод Рено Дастер.
Renault Duster — автомобиль, который очень популярен в России. Такая популярность объясняется несколькими факторами:
- относительно низкая цена. В классе, пожалуй, нет других автомобилей, которые могли бы составить конкуренцию этому номинальному французу;
- надежность. Конечно, Дастер не задает планку надежности, но, судя по отзывам владельцев, машина довольно неплохая;
- комфорт передвижения. Опять же, исходя из стоимости и класса, машина очень вместительная и комфортная. Места в салоне много, багажного отделения достаточно.
- наличие полного привода.
Возможность активно использовать все четыре колеса является несомненным преимуществом. автомобиля, особенно на отечественных дорогах, а точнее, в условиях отечественного бездорожья.
Съездить на дачу, по размытой дождями проселочной дороге, вывезти семью на пикник в лес – все это Дастер, конечно, умеет.
Как включить полный привод на Рено Дастер
Пока не вдаваясь в особенности полного привода Дастера, так как большинство автомобилистов просто не вникают в техническую сторону вопроса, давайте изучим, как включить полный привод полный привод на Рено Дастер.
Для активации функции в машине есть удобная шайба, сделанная достаточно аккуратно и, можно сказать, стильно. Может быть установлен в одном из трех положений:
- замок. В этом режиме машина работает на полном приводе. Все-таки, наверное, придется коснуться технической стороны, сказав хотя бы, что в режиме Lock блокируется сцепление, находящееся в коробке передач. А мощность равномерно распределяется между осями автомобиля. Этот режим рекомендуется использовать в условиях бездорожья, а также на обледенелой или заснеженной дороге. В режиме блокировки, чтобы сохранить системы автомобиля, нужно двигаться на малых скоростях.
Максимальная — 80 километров в час. На форумах владельцев этой марки автомобилей можно найти некоторую информацию об испытаниях режима. Следует отметить, что езда на высокой скорости в таком режиме может привести к выходу из строя сцепления, да и самой коробки передач. Последствия, если честно, не очень приятные, так как запчасти на Дастер пока дорогие; - 2WD — режим переднего привода. Омыватель в положении 2WD обычно устанавливается в городе или на трассах, где качество дорожного покрытия не ниже удовлетворительного. Вождение в этом режиме способствует значительной экономии топлива и оптимизации скорости автомобиля. Это базовый режим. Только ими, наверняка, пользуется большое количество пыльников;
- AUTO — режим, обеспечивающий наилучшее сцепление с дорогой. Собственно, само название режима говорит о том, что все регулировки, связанные с распределением мощности по оси автомобиля, выполняются компьютером самостоятельно. По умолчанию на хорошей дороге работает передний привод.
При ухудшении качества дорожного покрытия система передает часть мощности на заднюю ось. Все та же электромагнитная муфта, о которой шла речь выше, может передавать на заднюю ось до 50% мощности. То есть автомобиль может передвигаться на полном подключаемом приводе. Вопрос о необходимости подключения полного привода только решает не человек, а компьютер.
Какой из режимов выбрать в той или иной ситуации должен определять владелец автомобиля. Похоже, режим 2WD должен стать базовым. Что касается полного привода, то здесь опытные автомобилисты, несомненно, предпочтут ручной режим. А новичкам рекомендуется довериться автоматике, которая на этой машине достаточно солидная и не должна подводить.
Как работает полный привод на Дастере
Когда описаны все режимы автомобиля, указано как их включать, можно подробнее остановиться на том, как работает полный привод на Дастере.
Устройство автомобилей марки Дастер с передним приводом достаточно простое. Крутящий момент поступает в коробку передач и распределяется между ведущими колесами.
На концах которых установлены ШРУСы. Если быть точнее, то ШРУСы только внешние. Внутренние шарниры имеют треноги, вследствие чего оси перемещаются с некоторым зазором.
Таким образом, можно сказать, что конструкция Дастера с передним приводом проста и типична для большинства переднеприводных автомобилей. И это несомненный плюс. Рено Дастер — бюджетный автомобиль. Чем он проще, тем легче и быстрее ремонт. Переднеприводный Дастер, увы, не сможет уверенно проехать там, где проедет Дастер с полным приводом.
Устройство автомобилей Дастер, которые имеют возможность подключения к работе заднего моста, аналогично устройству таких автомобилей как Х-Трейл и Кашкай от Ниссан. Также все достаточно просто, но есть определенные особенности.
Коробка передач Особенность полноприводной модели заключается в том, что она имеет раздаточную коробку, благодаря которой крутящий момент направляется на коробку передач, расположенную сзади. В коробке передач, как уже отмечалось, имеется электромагнитная муфта.

6 2WD MT5
механическая
Обычно электромагнитная муфта срабатывает при проскальзывании передних ведущих колес.
Конечно же, Дастер – не устанавливает планку надежности, но, судя по отзывам владельцев, машина довольно неплоха;
Езда в данном режиме способствует существенной экономии топлива и оптимизации скорости транспортного средства. Это базовый режим. Только им, наверняка, пользуется большое количество дастероводов;

с. / об./мин.
Обычно электромагнитная муфта срабатывает при проскальзывании передних ведущих колес.
6 4WD MT6
механический

задний привод. Обычно электромагнитная муфта срабатывает при пробуксовке передних ведущих колес.
Максимальная — 80 километров в час. На форумах владельцев этой марки автомобилей можно найти некоторую информацию об испытаниях режима. Следует отметить, что езда на высокой скорости в таком режиме может привести к выходу из строя сцепления, да и самой коробки передач. Последствия, если честно, не очень приятные, так как запчасти на Дастер пока дорогие;
При ухудшении качества дорожного покрытия система передает часть мощности на заднюю ось. Все та же электромагнитная муфта, о которой шла речь выше, может передавать на заднюю ось до 50% мощности. То есть автомобиль может передвигаться на полном подключаемом приводе. Вопрос о необходимости подключения полного привода только решает не человек, а компьютер.