Режим ttl: ЧТо такое TTL-замер вспышки
Сравниваем TTL и ручной режимы работы фотовспышки блог/новости компании Grifon
Дата публикации: 05.10.2020 00:00
Сделать хороший кадр без вспышки очень сложно. Даже фотографы-новички знают, что в сутках всего несколько часов с оптимальным освещением, да и то при отсутствии сильной облачности. Для получения дополнительного освещения можно использовать встроенную вспышку, портативные накамерные вспышки Speedlite (спидлайт) или большие студийные моноблоки. Независимо от типа вспышки, ее необходимо настраивать для каждой съемки. Делать это можно вручную или в режиме TTL.
Что такое Through The Lens (TTL)
С английского аббревиатура TTL переводится как «через объектив». Фактически устройство считывает экспозицию камеры и выдает оптимальное количество света. TTL-замер происходит в автоматическом режиме. В момент нажатия кнопки затвора происходит анализ показаний экспонометра камеры, выбираются оптимальные показатели вспышки по мощности. Таким образом количество недоэкспонированных или переэкспонированных кадров стремится к нулю.
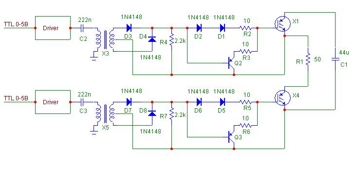
Поскольку фотовспышки с TTL считывают экспозицию с камеры, а не замеряют уровень освещенности самостоятельно, лучше устанавливать их недалеко от камеры. Одно TTL-устройство может управлять только одной вспышкой. Если нужно использовать несколько источников света, то выручит радиосинхронизатор GRIFON TTL X1 C-R (приемник) для Canon, работающий по протоколу TTL. Таких приемников может быть несколько. Они принимают сигнал от одного TTL-передатчика и обеспечивают одновременное срабатывание нескольких вспышек.
TTL-устройства имеют функцию компенсации экспозиции. Вспышка считывает автоматический уровень настроек, но может их корректировать в заданном диапазоне. Фотограф задает величину увеличения или уменьшения мощности вспышки. Отступление от автоматических настроек позволяет получать более интересные, нетривиальные кадры.
Компенсация вспышки измеряется в долях stop.
Некоторые вспышки имеют несколько TTL-режимов. Например, у фотовспышек Canon можно выбрать режимы ATTL, ETTL и другие. Самый распространенный ETTL (Evaluative Through The Lens) переводится как «Оценочный через объектив». Выбирают его, когда необходимо компенсировать сторонние яркие источники света, конкурирующие с вспышкой. В ETTL-режиме перед фактической вспышкой выполняется серия коротких импульсов света. Такой режим рекомендуют для съемок на свадьбах, концертах, других мероприятиях.
Что такое ручной режим управления фотовспышки
Как и камеру, фотовспышку можно настроить вручную. Мануальный режим позволяет гибко настроить количество подаваемого света в момент съемки. Это дает возможность получить кадр, максимально удовлетворяющий задумке фотографа.
Длительность импульса вспышки измеряется в ее долях:
- настройка 1/1 дает полную мощность;
- настройка 1/2 обеспечивает половину мощности;
- настройки 1/4, 1/64 уменьшают максимальный световой поток соответственно в 4 и 64 раза.
Некоторые модели фотовспышек имеют настройки до 1/128 и даже до 1/250 мощности. Выбрать оптимальные значения светового потока для каждого типа изображения можно только на основании личного опыта. Обычно фотографы имеют предпочтения по предварительным настройкам, которые корректируются уже в процессе съемки.
Быстрее подобрать оптимальные значения фотовспышки можно с помощью ручного экспонометра. Он позволяет делать меньше предварительных кадров и быстрее получить нужное количество света, а значит и нужный кадр.
Сравнение ручного и TTL-режимов
Нет «идеального» режима работы вспышки. И мануальный, и TTL-режим имеют свои плюсы и минусы.
TTL-фотовспышки удобны в случаях, когда быстро меняет расстояние между камерой (вспышкой) и объектом съемки.
TTL часто используют начинающие фотографы, которые еще не освоили полностью ручные настройки. Опытные фотохудожники предпочитают мануальный режим, ведь при TTL нельзя гарантировать постоянный уровень освещенности в каждом кадре из серии. Это связано с тем, что невозможно предсказать как отреагирует автоматика на микроскопические изменения естественной освещенности места съемки.
Для максимального использования фотовспышки недостаточно изучить возможности ручного и TTL-режимов. Улучшить кадры позволит использование отражателей, других приспособлений.
Интересные статьи
0
Светопись в фотографииСветопись или световая живопись — прием в фотографии, используемый для добавления света при съемке с большой выдержкой. Для реализации светописи нужен движущийся источник…
0
Основы съемки архитектуры ночью Ночная фотография имеет ряд особенностей, так как освещение в темное время суток недостаточное.
0
Кадр в кадре — как создать эффектный снимок с обрамлениемКадр в кадре — прием, который позволяет получить эффектный снимок, привлечь внимание зрителя к объекту. Он может применяться в различных жанрах фотографии. Мастер…
Опытный фотограф, как и талантливый художник, использует доступные инструменты для выражения своего замысла. Ты тоже хочешь научиться этому? Задумываешься о том, как подчеркнуть…
0
Как создать эффектный кадр с движением в технике последовательной фотографииДвижение в кадре делает снимок интересным, реалистичным. Для захвата быстро движущегося объекта можно использовать длинную выдержку. Короткую выдержку применяют для остановки в кадре…
0
Методы силуэтной фотосъемки Силуэтные снимки выглядят особенно эффектными, драматичными.
Однако не все начинающие фотографы умеет создать нужный эффект. Тамара Кедвес и Дженн Мишра предлагают…
Вспышка аккумуляторная Godox Witstro AD200 с поддержкой TTL
Компактная и легкая аккумуляторная вспышка Godox Witstro AD200 комплектуется двумя головками, которые формируют различные по своим качествам световые потоки. Мощность импульса составляет 200 Дж и регулируется в диапазоне 8 стопов от 1/1 до 1/128 (с шагом 1/10 стопа). Ведущее число 60 (м ISO 100 со стандартным рефлектором). С помощью вспышки Godox Witstro AD200 легко добиться правильной экспозиции кадра и студийного качества даже в сложных условиях освещения за пределами студии. Благодаря своим компактным размерам вспышка легко поместится в кармане.В режиме TTL камера и вспышка будут работать вместе, чтобы рассчитать правильную экспозицию для объекта и фона (требуется использование синхронизатора системы Godox X).
Дистанционное управление
Вспышка Godox Witstro AD200 совместима с системой радиосинхронизации Godox 2.4G X. Дополнительно можно купить передатчик Xpro, X1, XT32 или XT16, который позволит выбирать параметры и режим работы вспышки, управлять пилотным светом, дистанционно управлять затвором камеры и многое другое. Система Godox 2.4G X обеспечивает полную совместимость всех вспышек семейства Godox и совместимых с ней, от самых простых накамерных вспышек до студийных TTL-моноблоков.
Портативная работа
Моноблок комплектуется мощным литий-ионным аккумулятором высокой емкости 14,4 В / 2900 мАч, который обеспечивает до 500 импульсов на полной мощности. Передовые возможности
Godox Witstro AD200 поддерживает режим высокоскоростной синхронизации для съемки с выдержкой до 1/8000 с. Длительность импульса варьируется от 1/220 до 1/13000 с.
Режим ведомой вспышки
Встроенный оптический датчик синхронизации позволяет вспышке работать в ведомом режиме, срабатывая по первому ведущему импульсу (S1) или по основному с пропуском предварительного TTL импульса (S2).
Удобная панель управления
Большой контрастный ЖК-дисплей и интуитивные кнопки управления помогут быстро и легко получить доступ к любой функции и контролировать все выходные параметры.
Дополнительные принадлежности
В модельном ряду фирменных аксессуаров представлены различные модификаторы света и дополнительные головки совместимые со вспышкой AD200.
Разъем USB Type-C
Вспышка оборудована разъемом USB Type-C для обновления программного обеспечения.
Особенности:
- 200 Дж, GN 60 (м ISO 100, со стандартным отражателем)
- Время перезарядки: 0,01-2,1 с
- Длительность импульса до 1/13000 с
- Выходная мощность регулируется от 1/128 до 1/1 (8 стопов)
- Расширенные функции: высокоскоростная синхронизация 1/8000 с, многократная вспышка Multi, компенсация экспозиции (FEC), синхронизация по первой/второй шторке, MASK и др.
- Совместимость с TTL-системами: со встроенной беспроводной системой Godox X 2.4G, AD200Pro совместима с автоматическими вспышками TTL Canon, Nikon, Sony, FUJIFILM, Olympus и Panasonic
- Беспроводное управление: встроенная система Godox X 2.4G может быть использована для дистанционной регулировки всех параметров вспышки
- 3,5-мм синхроразъем
- Контрастная ЖК-панель для точного и удобного управления
- Возможность установки различных модификаторов света
Характеристики Godox AD200
| Модель | AD200 |
| Режим беспроводной ведомой вспышки | Режим передачи радиосигнала (совместим с Nikon, Canon и Sony) |
| Режим работы вспышки | Беспроводное управление отключено M/Multi Режим ведомой вспышки при радиоуправлении TTL/M/Multi |
| Совместимость с камерами в режиме радиоуправления (в качестве ведомой вспышки) | Фотокамеры Nikon (радиосинхронизатор X1N в качестве ведущего устройства) Фотокамеры Sony (радиосинхронизатор X1S в качестве ведущего устройства) |
| Ведущее число ( при мощности 1/1) | Накамерная вспышка с закрытой лампой: 52 (м ISO 100, 35мм). Вспышка с открытой лампой: 60 (м ISO 100, со стандартным отражателем AD-S2, 28мм) |
| Длительность импульса t0.1 (приблиз.) | Накамерная вспышка с закрытой лампой: От 1/220 до 1/13000 секунды Вспышка с открытой лампой: От 1/220 до 1/11300 секунды |
| Мощность | 200 Вт |
| Управление вспышкой | 8 уровней регулировки мощности: 1/128~1/1 |
| Режим стробоскопа | Есть (до 90 раз, 99Гц) |
| Экспокоррекция (FEC) | Ручной режим, брекетинг экспозиции ±3 ступени с шагом 1/3 |
| Режим синхронизации | HSS – высокоскоростная синхронизация (до 1/8000 секунды), синхронизация по первой шторке, по второй шторке |
| Режим отложенной вспышки | 0,01~30 секунд |
| Режим MASK (быстрое отделение объекта от фона) | Есть |
| Вентилятор | Есть |
| Звуковой сигнал | Есть |
| Лампа моделирующего света (LED) | Есть |
| Режим оптической ведомой вспышки | S1/S2 |
| Индикация длительности импульса | Есть |
| Беспроводная синхронизация и управление (радиосинхронизация 2.4G) | |
| Беспроводные режимы вспышки | Режим ведомой вспышки, ВЫКЛ |
| Количество ведомых групп | 5 (A, B, C, D и E) |
| Дальность действия (приблиз.) | 100 м |
| Количество каналов связи | 32 (1~32) |
| Электропитание | |
| Источник питания | Литиевый аккумулятор (14,4В/2900мА) |
| Количество срабатываний вспышки на полной мощности | 500 |
| Время перезарядки | Ок. 0,01-2,1с |
| Индикатор уровня заряда | Есть |
| Энергосбережение | Автоматический переход в спящий режим после 30 минут (приблиз. ) бездействия |
| Метод синхронизации | Синхрокабель 3,5мм, разъем для дистанционного управления |
| Цветовая температура | 5600±200К |
| Размеры | |
| Размеры | 168x75x50мм (без учета импульсной лампы) |
| Вес нетто | 560 г (без учета импульсной лампы и аккумулятора) |
Нет в наличии К сожалению, данного товара нет в наличии. Добавить его в корзину невозможно. от
Что такое TTL (ТТЛ) | [ПРО]ФОТО
TTL — (англ.: Trough The Lens) — система замера экспозиции и наведения на резкость на основе света, прошедшего через объектив.
Все камеры Canon EOS (в т.ч. современные) имеют AF, который использует технологию TTL (Through The Lens — через объектив) SIR (расшифровывается как Вторичная регистрация изображения через объектив) с использованием датчика CMOS. Multi-based означает более одной точки автофокусировки, и CT (CrossType) = Крестовой тип датчика (в 30D и 550D только центральный, все 9 в 40D и 50D крестового типа). С каждой последующей новой моделью камеры, Canon делает обновления алгоритмов, используемых и процессором DIGIC, который обрабатывает данные AF.
Существуют две разновидности технологии TTL: с измерением экспозиции при рабочем значении диафрагмы или при полностью открытом относительном отверстии. Первый способ (англ. Stop Down Metering) обладает меньшей точностью, поскольку на фоторезистор через закрытую диафрагму попадает меньше света. Техническая реализация этой технологии наиболее проста и используется для объективов, не оснащённых прыгающей диафрагмой, а также в киносъёмочной аппаратуре.
Первые фотоаппараты с TTL-экспонометром, например Pentax Spotmatic и Canon Pellix измеряли экспозицию при рабочем значении прыгающей диафрагмы, закрываемой при помощи репетира, совмещённого с кнопкой замера. Подавляющее большинство отечественной кинофотоаппаратуры оснащалось TTL-экспонометрами, измеряющими экспозицию таким же способом.
Поддержка режима ADI-TTL
Поддержка режима автоматической установки экспозиции ADI-TTL.
ADI-TTL (Advanced Distance Integration TTL) — алгоритм, разработанный компанией Minolta используется в фотокамерах Sony и Minolta. При расчете мощности импульса вспышки используется информация о расстоянии до снимаемого объекта.
ADI-TTL используется только при направлении фотовспышки на снимаемый объект.
Поддержка режима D-TTL
Поддержка режима автоматической установки экспозиции D-TTL
D-TTL базируется на матричном замере экспозиции. В этом режиме мощность вспышки рассчитывается для максимального баланса между снимаемым объектом и освещенностью заднего фона. Во время замера производится серия незаметных вспышек разной мощности. Окончательный расчет производится с учетом таких параметров как чувствительность фотопленки (или фотоматрицы), величины диафрагмы, фокусного расстояния и расстояния до снимаемого объекта.
D-TTL используется в фотокамерах Nikon.
Поддержка режима E-TTL
Поддержка режима автоматической установки экспозиции E-TTL.
В режиме E-TTL (Evaluative TTL) производится оценка экспозиции по предварительному световому импульсу малой мощности. Работа вспышки в режиме E-TTL визуально ничем не отличается от обычной работы, предварительный импульс происходит очень быстро и глаз человека не в состоянии его заметить.
E-TTL используется в фотокамерах Canon.
Поддержка режима E-TTL II
Поддержка режима автоматической установки экспозиции E-TTL II.
E-TTL II является улучшенной версии E-TTL (cм. «Поддержка режима E-TTL»). В новой версии используется информация с датчиков замера освещенности как до, так и после предварительной вспышки. Помимо этого, при вычислении необходимой мощности вспышки используется информация о расстоянии до объекта съемки (в случае, когда такая информация доступна).
E-TTL используется в фотокамерах Canon.
Поддержка режима P-TTL
Поддержка режима автоматической установки экспозиции P-TTL.
В режиме P-TTL для определения параметров экспозиции используется предварительный световой импульс вспышки.
P-TTL используется в фотокамерах Pentax.
Поддержка режима S-TTL
Поддержка режима автоматической установки экспозиции S-TTL.
S-TTL был разработан компанией Sigma специально для своих фотокамер. В этом режиме для оценки экспозиции используется предварительный импульс вспышки.
Поддержка режима TTL
Поддержка режима автоматической установки экспозиции TTL.
Аббревиатура TTL (Through The Lens) означает, что при вычислении экспозиции производится измерение количества света, которое прошло через объектив и попало на пленку или фоточувствительную матрицу.
TTL-автоматика работает следующим образом: при срабатывании затвора зажигается вспышка, специальные датчики в фотокамере улавливают свет, прошедший через объектив. На основании этих данных вычисляется время работы вспышки, необходимое для получения качественной фотографии. По истечении этого времени лампа вспышки отключается.
Поддержка режима i-TTL
Поддержка режима автоматической установки экспозиции i-TTL
i-TTL является развитием D-TTL (см. «Поддержка режима D-TTL»), он включат в себя все функции D-TTL, а также поддерживает контроль нескольких вспышек в беспроводном режиме.
i-TTL используется в фотокамерах Nikon.
Курсы для фотографа:
Синхронизатор AirTTL | Profoto (RU)
Синхронизатор Air TTL для Canon Беспроводное подключение вспышки AirTTL к камере
Артикул: 901039
Превосходная экспозиция? Проще некуда! Вспышка с Profoto AirTTL работает безо всяких проводов: достаточно подключить синхронизатор к «горячему башмаку» камеры.
После этого вы сможете легко снимать в режиме TTL, а синхронизатор AirTTL возьмет на себя работу со вспышкой. Идеальная экспозиция. Автоматически.
С Profoto AirTTL вы можете забыть об экспонометре и делать снимки быстрее. Для более точного контроля сделайте снимок в режиме TTL, чтобы получить оптимальную экспозицию, а затем перейдите в ручной режим с теми же самыми настройками, после чего окончательно настройте свет по необходимости.
Синхронизаторы AirTTL поддерживают функцию High-Speed Sync (HSS), которая позволяет использовать вспышку с выдержками до 1/8000 с. Благодаря функции HSS вы можете формировать свет при дневном освещении и получать четкие изображения без размытия при съемке движения с использованием вспышки и имеющегося света.
Информацию о совместимых камерах см. на вкладке «Технические характеристики».
Функции
- Прикрепите к «горячему башмаку» камеры для беспроводного соединения камеры и вспышки AirTTL.
- Снимайте автоматически в режиме TTL.
- Режим HSS: идеальные фото даже на ярком солнце.
- Переключение из режима TTL в ручной режим с сохранением автоматических настроек экспозамера TTL заметно экономит время.
- Синхронизация всех источников света Profoto, совместимых с Air.
- Простой, интуитивно понятный пользовательский интерфейс.
- Большое рабочее расстояние: до 300 м.
- 8 цифровых каналов.
- Возможность управления тремя группами источников света на каждом канале.

- Порт USB для обновления прошивки.
- Одобрено для использования по всему миру.
Выбираем фотовспышки | Фотовспышки | Световое оборудование и аксессуары | Фототехника | Смартфоны, планшеты и фототехника | Каталог
Тип
Обычные вспышки устанавливаются на «башмак» фотоаппарат. Считаются универсальными и подходят к разным жанрам фотографий.
Кольцевые вспышки крепятся на объектив фотоаппарата. Применяются для съемки небольших объектов крупным планом, когда обычная вспышка дает на объекте тень от объектива.
Ведущее число
По факту — мощность вспышки. Указывается в метрах и обозначает максимальную дистанцию, с которой можно получить кадр нормальной яркости при ISO 100 и диафрагме 1.
Некоторые производители замеряют мощность для ISO 200, получая ведущее число в два раза больше.
Если вспышка имеет зум, то ведущее число указывается на его максимальном значении.
50-60 метров — мощные вспышки для съемки в больших помещениях или с дальнего расстояния.
20-30 метров — средняя мощность, достаточная для большинства фотосюжетов.
10-20 метров — для начинающих фотографов-любителей.
Длительность вспышки
Чем меньше длительность вспышки, тем лучше «замораживаются» кадры в движении.
Для статичной съемки, например портретов или пейзажей, длительность вспышки может составлять до 1/400 с.
При съемке таких объектов как пешеходы, автомобили в городе, играющие дети лучше выбрать вспышку с длительностью от 1/200 до 1/1000 с.
Для съемки бегущих животных, брызг воды потребуется вспышка с более коротким импульсом от 1/4000 до 1/10000 с.
Устройства с длительностью более 1/20000 способны «поймать» в кадр мяч, летящий со скоростью более 100 км/ч.
Максимальная длительность 1/40000 позволит зафиксировать движения крыльев колибри.
Совместимые бренды
Вспышки одного бренда не будут полностью совместимы с камерой другого бренда. Вспышка несовместимого бренда встанет на «башмак», но ей, вероятно, придется управлять вручную. Универсальные фотовспышки подходят ко всем камерам.
Крепление
«башмак» — это крепление на самом фотоаппарате с несколькими контактами, которые позволяют управлять вспышкой с камеры. Понятный и универсальный вариант.
Кольцевые устанавливаются на объектив. Некоторые модели имеют резьбу для установки на штатив или кронштейн.
Поворотная головка
Позволяет менять направление света от вспышки. Угол поворота может быть вертикальным вверх/вниз и горизонтальным вправо/влево. Поворотная головка нужна для съемки в помещениях, чтобы отражать свет от стен или потолка. Вспышка в потолок позволяет создать равномерно рассеянный свет без резких теней вокруг объекта фотосъемки. Отражение вспышки от светлой стены или специального отражателя помогает смягчить и выровнять основной свет от другого источника.
Поддержка режимов
Фотовспышки могут иметь один или несколько режимов работы:
Автоматический режим TTL. Фотовспышка в автоматическом режиме «договаривается» с камерой, чтобы получить правильно экспонированный кадр. Каждый производитель называет этот режим по-разному: D-TTL, E-TTL II, ADI-TTL FR-TTL и т. д.
Ручной режим (М). Коррективы в зависимости от нужной степени освещения вносит фотограф.
Режимы S1 и S2 (Slave). Используются при работе с несколькими вспышками. Позволяют настроить момент, в который срабатывает каждая вспышка.
FP-синхронизация
Режим высокоскоростной синхронизации.
Используется, когда скорости синхронизации в режиме TTL недостаточно. Например, при съемке людей в ярком освещении FP-синхронизация позволяет выполнить настройку экспозиции по фону, чтобы он оставался четким, и при этом осветить главный объект съемки. Для использования FP-режима камера должна поддерживать работу с ним.
Стробоскопическая вспышка
Режим стробоскопа (Multi) позволяет в ручном режиме установить нужное количество импульсов и их мощность. При фотографировании вспышка выдает заданное количество импульсов, что позволяет выхватывать движущиеся объекты, например, танцующих людей. Как правило, режим есть у всех вспышек с FP-синхронизацией.
Пилотный свет
Вторая лампа, которая светит туда же, что и основная лампа. Дополнительная лампа дает меньше мощности, но светит постоянно и позволяет фотографу оценить направление и охват вспышки до начала съемки. Поможет выполнить настройку при реализации сложных световых схем.
Подсветка автофокуса
Светодиодные лампы предварительного освещения или серия вспышек основной лампы на малой мощности, которые дают достаточное освещение для работы автофокуса и при этом не ослепляют фотографируемых людей. Позволяет сделать фотографию без красных глаз и снизит вероятность того, что человек моргнет во время съемки.
Автоматический Zoom
При зуммировании вспышка освещает удаленные объекты за счет сужения пучка света и площадь освещения уменьшается. Автоматический зум позволяет вспышке правильно сработать.
Брекетинг
Сцена автоматически снимается несколько раз с разными значениями параметров — эта функция в фотоаппарате называется «брекетинг». Вспышка, соответственно, должна несколько раз сработать: быстро и с нужными настройками. Функция нужна тогда, когда у фотографа нет возможности сфотографировать объект несколько раз. Например, в репортажной съемке событий.
Большинство фотовспышек универсальны, поэтому имеют сопоставимые параметры.![]()
Для любителей зум-объективов
Нужна вспышка с автоматическим зумом и максимальным ведущим числом.Перейти в каталог Для необычных портретов
Для необычных портретов
Вспышка с FP-синхронизацией и стробоскопированием поможет взглянуть на портреты по-новому. А пилотный свет поможет спланировать сценическое освещение.Перейти в каталог Для репортажной съемки
Для репортажной съемки
Вспышки с поддержкой камерного брекетинга помогут снять один неповторимый кадр трижды с разными настройками экспозиции, чтобы снимок действительно получился с первого раза.Перейти в каталог
Вспышка накамерная Godox Ving V350F TTL аккумуляторная для Fujifilm
Новаторская серия накамерных TTL вспышек с литиево-ионным аккумулятором V350F для фотокамер Fujifilm.
Накамерная вспышка V350F с литиево-ионным аккумулятором используется с фотокамерами Fujifilm и поддерживает протокол TTL.
C этой вспышкой снимать становится проще.
Профессиональный перезаряжаемый источник питания:
- Встроенный литиево-ионный аккумулятор (7,2В/2000мАч) обеспечивает время перезарядки вспышки 0,1с-1,7с.
- Забудьте о тяжелых блоках питания и беспорядочной подзарядке аккумуляторов.
Удобный ЖК дисплей:
- ЖК дисплей обеспечивает простое и точное управление.
- 4 функциональные кнопки позволяют изменять различные настройки в соответствии с ситуацией.
- Дисковый регулятор позволяет выбирать цифровое значение настройки.
Компактный корпус, система беспроводной передачи 2,4G, передача сигнала в радиусе более 50 метров.
Полная поддержка протокола TTL:
Поддерживает высокоскоростную синхронизацию (макс. 1/8000 с), синхронизация по первой и второй шторке, FEC, режим стробоскопа, ручной режим вспышки, дистанционная настройка ID и т.
п.
- HSS
- Синхронизация по первой шторке
- Синхронизация по второй шторке
- Дистанционная настройка ID
- Режим стробоскопа
- Компенсация экспозиции вспышки
В сочетании с беспроводным TTL передатчиком XPro-F возрастают возможности для фотосъемки (продается отдельно).
- XPro-F при использовании системы беспроводной синхронизации Godox 2.4G сопрягается с фотокамерами Fujifilm и может использоваться для поджига накамерной вспышки, студийной вспышки или спуска затвора фотокамеры с расстояния более 50 метров.
- Поддерживает протокол TTL, режимы ручной вспышки, стробоскопа, высокоскоростную синхронизацию 1/8000с, компенсацию экспозиции вспышки, вспомогательный луч автофокуса, синхронизацию по второй шторке и т.п.
Устойчивость к перегреву и другие полезные функции:
- GN36 (m ISO 100, @105мм), 22-ступенчатая регулировка мощности (1/1~1/128).
- Поддержка режимов TTL/M/Multi/S1/S2, зуммирование авто/ручное 24-105мм.
- Функция расширенных пользовательских настроек C.Fn.
- Обновление ПО через порт USB
Совместимые модели фотокамер
V350F может использоваться со следующими тремя типами фотокамер FujiFilm:
A: GFX50S, X-Pro2, X-T20, X-T2, X-T1
B: X-Pro1, X-T10, X-E1, X-A3
C: X100F, X100T
Комплектация:
- Вспышка 1 шт.
- Миништатив 1 шт.
- Защитный чехол 1 шт.
- Рассеиватель 1 шт.
- Литиево-ионный аккумулятор 1 шт.
- Зарядное устройство 1 шт.
- Сетевой кабель 1 шт.
- Инструкция по эксплуатации 1 шт.
Блок управления Profoto Air Remote TTL-S для Sony
Блок управления для камер Sony c поддержкой TTL и HSS режимов + ручного дистанционного управления выносными вспышками, моноблоками и генераторными головками Profoto. При использовании выносных вспышек Profoto B1, B1X и B2, моноблоков D2 и генераторной системы Pro-10 доступен режим TTL (авто), вы просто наводите камеру и снимаете, а Air Remote TTL-С автоматически передаёт данные на вспышку, обеспечивая идеальное экспонирование, даже при съемке на ходу, с постоянно изменяющимися условиями освещения.
Контроллер поддерживает 3 группы вспышек, каждую из которых можно регулировать в пределах +/- 2 EV. Кроме того, вы можете использовать предварительный TTL замер, а затем перейти в ручной режим (с сохранением настроек) и далее выставить нужную мощность в соответствии с вашим замыслом. Высокоскоростная синхронизация HSS поможет пользоваться выдержками вплоть до 1/8000 с.
Гибридный режим (Hybrid Mode) позволит вам сначала сделать снимок с TTL для получения технически идеального экспонирования, а затем переключиться в ручной режим (Manual Mode) с теми же показателями и настройками и применить любые креативные корректировки, какие вы только захотите. Это поможет вам сэкономить огромное количество времени и реже использовать экспонометр.
Profoto Air Remote TTL-S оснащён ожидающей патента технологией высокоскоростной синхронизации Profoto High-speed Sync, отличающейся более высокой скоростью, мощностью и стабильностью по сравнению со всеми остальными решениями HSS, предлагаемыми на рынке. Перепады мощности от импульса к импульсу находятся на минимальном уровне.
Другие особенности:
- Может использоваться для синхронизации и ручного управления любым прибором Profoto, совместимым с системой Air (моноблоки серии D1, генераторы Pro-B4, D4).
- Приборы без поддержки Air можно подключить с помощью дополнительных трансиверов Air Sync (только синхронизация, без дистанционного управления).
- Непревзойдённый радиус действия до 300 м (1000 футов) и открытый диапазон частот (2.4 ГГц).
- Одобрен для использования во всех странах мира.
- USB порт для обновления прошивки.
Совместимые камеры:
Sony α99 II, α7S II, α7R II, α7 II, α6500
Характеристики:
- Частота: 2.4 ГГц
- Количество каналов: 8 (1-8)
- Высокоскоростная синхронизация (HSS): есть
- Дальность действия: до 300 м
- Питание: 2x AAA батарейки (щелочные, до 30 часов работы)
- Размеры: 78 х 60 х 40 мм
- Вес: 88 г
В комплекте:
- 2 щелочные батарейки ААА
- Кабель USB 2.
0 - Ремешок на запястье
- Чехол
Afrikaans
Albanian
Arabic
Armenian
Azerbaijani
Basque
Belarusian
Bengali
Bosnian
Bulgarian
Catalan
Cebuano
Chichewa
Chinese (Simplified)
Chinese (Traditional)
Croatian
Czech
Danish
Dutch
English
Esperanto
Estonian
Filipino
Finnish
French
Galician
Georgian
German
Greek
Gujarati
Haitian Creole
Hausa
Hebrew
Hindi
Hmong
Hungarian
Icelandic
Igbo
Indonesian
Irish
Italian
Japanese
Javanese
Kannada
Kazakh
Khmer
Korean
Lao
Latin
Latvian
Lithuanian
Macedonian
Malagasy
Malay
Malayalam
Maltese
Maori
Marathi
Mongolian
Myanmar (Burmese)
Nepali
Norwegian
Persian
Polish
Portuguese
Punjabi
Romanian
Russian
Serbian
Sesotho
Sinhala
Slovak
Slovenian
Somali
Spanish
Sundanese
Swahili
Swedish
Tajik
Tamil
Telugu
Thai
Turkish
Ukrainian
Urdu
Uzbek
Vietnamese
Welsh
Yiddish
Yoruba
Zulu
Albanian
Arabic
Armenian
Azerbaijani
Basque
Belarusian
Bengali
Bosnian
Bulgarian
Catalan
Cebuano
Chichewa
Chinese (Simplified)
Chinese (Traditional)
Croatian
Czech
Danish
Dutch
English
Esperanto
Estonian
Filipino
Finnish
French
Galician
Georgian
German
Greek
Gujarati
Haitian Creole
Hausa
Hebrew
Hindi
Hmong
Hungarian
Icelandic
Igbo
Indonesian
Irish
Italian
Japanese
Javanese
Kannada
Kazakh
Khmer
Korean
Lao
Latin
Latvian
Lithuanian
Macedonian
Malagasy
Malay
Malayalam
Maltese
Maori
Marathi
Mongolian
Myanmar (Burmese)
Nepali
Norwegian
Persian
Polish
Portuguese
Punjabi
Romanian
Russian
Serbian
Sesotho
Sinhala
Slovak
Slovenian
Somali
Spanish
Sundanese
Swahili
Swedish
Tajik
Tamil
Telugu
Thai
Turkish
Ukrainian
Urdu
Uzbek
Vietnamese
Welsh
Yiddish
Yoruba
Zulu
|
Detect language |
|
Afrikaans |
|
|
|
|
|
Text-to-speech function is limited to 100 characters
Страница не найдена »ExpertPhotography
404 — Страница не найдена» ExpertPhotography404
Простите! Страница, которую вы искали, не найдена.
..Он был перемещен, удален, переименован или, возможно, никогда не существовал. Пожалуйста, свяжитесь с нами, если вам понадобится помощь.
Мне нужна помощь с…
[type = ‘text’]
[type = ‘text’]
[type = ‘password’]
[type = ‘password’]
[‘rmockx.RealPlayer G2 Control’, ‘rmocx.RealPlayer G2 Control.1 ‘, ‘RealPlayer.RealPlayer ™ ActiveX Control (32-разрядный)’, ‘RealVideo.RealVideo ™ ActiveX Control (32-бит)’, ‘RealPlayer’]
[‘rmockx.RealPlayer G2 Control’, ‘rmocx.RealPlayer G2 Control.1’, ‘RealPlayer.RealPlayer ™ ActiveX Control (32-разрядный)’, ‘RealVideo.RealVideo ™ ActiveX Control (32-бит)’, ‘RealPlayer’]
[type = ‘text’]
[type = ‘text’]
[type = ‘password’]
[type = ‘password’]
[‘rmockx.RealPlayer G2 Control ‘, ‘rmocx.RealPlayer G2 Control.1’, ‘RealPlayer.RealPlayer ™ ActiveX Control (32-разрядный)’, ‘RealVideo.RealVideo ™ ActiveX Control (32-бит)’, ‘RealPlayer’]
[‘rmockx.RealPlayer G2 Control’, ‘rmocx.RealPlayer G2 Control.1’, ‘RealPlayer.RealPlayer ™ ActiveX Control (32-разрядный)’, ‘RealVideo.RealVideo ™ ActiveX Control (32-бит)’, ‘RealPlayer’]
[type = ‘text’]
[type = ‘text’]
[type = ‘password’]
[type = ‘password’]
[‘rmockx.RealPlayer G2 Control ‘, ‘rmocx.RealPlayer G2 Control.1’, ‘RealPlayer.RealPlayer ™ ActiveX Control (32-разрядный)’, ‘RealVideo.RealVideo ™ ActiveX Control (32-бит)’, ‘RealPlayer’]
[‘rmockx.RealPlayer G2 Control’, ‘rmocx.RealPlayer G2 Control.1’, ‘RealPlayer.RealPlayer ™ ActiveX Control (32-разрядный)’, ‘RealVideo.RealVideo ™ ActiveX Control (32-бит)’, ‘RealPlayer’]
[type = ‘text’]
[type = ‘text’]
[type = ‘password’]
[type = ‘password’]
[‘rmockx.
RealPlayer G2 Control ‘,
‘rmocx.RealPlayer G2 Control.1’,
‘RealPlayer.RealPlayer ™ ActiveX Control (32-разрядный)’,
‘RealVideo.RealVideo ™ ActiveX Control (32-бит)’,
‘RealPlayer’]
[‘rmockx.RealPlayer G2 Control’, ‘rmocx.RealPlayer G2 Control.1’, ‘RealPlayer.RealPlayer ™ ActiveX Control (32-разрядный)’, ‘RealVideo.RealVideo ™ ActiveX Control (32-бит)’, ‘RealPlayer’]
[type = ‘text’]
[type = ‘text’]
[type = ‘password’]
[type = ‘password’]
[‘rmockx.RealPlayer G2 Control ‘, ‘rmocx.RealPlayer G2 Control.1’, ‘RealPlayer.RealPlayer ™ ActiveX Control (32-разрядный)’, ‘RealVideo.RealVideo ™ ActiveX Control (32-бит)’, ‘RealPlayer’]
[‘rmockx.RealPlayer G2 Control’, ‘rmocx.RealPlayer G2 Control.1’, ‘RealPlayer.RealPlayer ™ ActiveX Control (32-разрядный)’, ‘RealVideo.RealVideo ™ ActiveX Control (32-бит)’, ‘RealPlayer’]
[type = ‘text’]
[type = ‘text’]
[type = ‘password’]
[type = ‘password’]
[‘rmockx.RealPlayer G2 Control ‘, ‘rmocx.RealPlayer G2 Control.1’, ‘RealPlayer.RealPlayer ™ ActiveX Control (32-разрядный)’, ‘RealVideo.RealVideo ™ ActiveX Control (32-бит)’, ‘RealPlayer’]
[‘rmockx.RealPlayer G2 Control’, ‘rmocx.RealPlayer G2 Control.1’, ‘RealPlayer.RealPlayer ™ ActiveX Control (32-разрядный)’, ‘RealVideo.RealVideo ™ ActiveX Control (32-бит)’, ‘RealPlayer’]
[type = ‘text’]
[type = ‘text’]
[type = ‘password’]
[type = ‘password’]
[‘rmockx.RealPlayer G2 Control ‘, ‘rmocx.RealPlayer G2 Control.1’, ‘RealPlayer.RealPlayer ™ ActiveX Control (32-разрядный)’, ‘RealVideo.RealVideo ™ ActiveX Control (32-бит)’, ‘RealPlayer’]
[‘rmockx.RealPlayer G2 Control’,
‘rmocx.
RealPlayer G2 Control.1′,
‘RealPlayer.RealPlayer ™ ActiveX Control (32-разрядный)’,
‘RealVideo.RealVideo ™ ActiveX Control (32-бит)’,
‘RealPlayer’]
[type = ‘text’]
[type = ‘text’]
[type = ‘password’]
[type = ‘password’]
[‘rmockx.RealPlayer G2 Control ‘, ‘rmocx.RealPlayer G2 Control.1’, ‘RealPlayer.RealPlayer ™ ActiveX Control (32-разрядный)’, ‘RealVideo.RealVideo ™ ActiveX Control (32-бит)’, ‘RealPlayer’]
[‘rmockx.RealPlayer G2 Control’, ‘rmocx.RealPlayer G2 Control.1’, ‘RealPlayer.RealPlayer ™ ActiveX Control (32-разрядный)’, ‘RealVideo.RealVideo ™ ActiveX Control (32-бит)’, ‘RealPlayer’]
[type = ‘text’]
[type = ‘text’]
[type = ‘password’]
[type = ‘password’]
[‘rmockx.RealPlayer G2 Control ‘, ‘rmocx.RealPlayer G2 Control.1’, ‘RealPlayer.RealPlayer ™ ActiveX Control (32-разрядный)’, ‘RealVideo.RealVideo ™ ActiveX Control (32-бит)’, ‘RealPlayer’]
[‘rmockx.RealPlayer G2 Control’, ‘rmocx.RealPlayer G2 Control.1’, ‘RealPlayer.RealPlayer ™ ActiveX Control (32-разрядный)’, ‘RealVideo.RealVideo ™ ActiveX Control (32-бит)’, ‘RealPlayer’]
[type = ‘text’]
[type = ‘text’]
[type = ‘password’]
[type = ‘password’]
[‘rmockx.RealPlayer G2 Control ‘, ‘rmocx.RealPlayer G2 Control.1’, ‘RealPlayer.RealPlayer ™ ActiveX Control (32-разрядный)’, ‘RealVideo.RealVideo ™ ActiveX Control (32-бит)’, ‘RealPlayer’]
[‘rmockx.RealPlayer G2 Control’, ‘rmocx.RealPlayer G2 Control.1’, ‘RealPlayer.RealPlayer ™ ActiveX Control (32-разрядный)’, ‘RealVideo.RealVideo ™ ActiveX Control (32-бит)’, ‘RealPlayer’]
[type = ‘text’]
[type = ‘text’]
[type = ‘password’]
[type = ‘password’]
[‘rmockx.
RealPlayer G2 Control ‘,
‘rmocx.RealPlayer G2 Control.1’,
‘RealPlayer.RealPlayer ™ ActiveX Control (32-разрядный)’,
‘RealVideo.RealVideo ™ ActiveX Control (32-бит)’,
‘RealPlayer’]
[‘rmockx.RealPlayer G2 Control’, ‘rmocx.RealPlayer G2 Control.1’, ‘RealPlayer.RealPlayer ™ ActiveX Control (32-разрядный)’, ‘RealVideo.RealVideo ™ ActiveX Control (32-бит)’, ‘RealPlayer’]
[type = ‘text’]
[type = ‘text’]
[type = ‘password’]
[type = ‘password’]
[‘rmockx.RealPlayer G2 Control ‘, ‘rmocx.RealPlayer G2 Control.1’, ‘RealPlayer.RealPlayer ™ ActiveX Control (32-разрядный)’, ‘RealVideo.RealVideo ™ ActiveX Control (32-бит)’, ‘RealPlayer’]
[‘rmockx.RealPlayer G2 Control’, ‘rmocx.RealPlayer G2 Control.1’, ‘RealPlayer.RealPlayer ™ ActiveX Control (32-разрядный)’, ‘RealVideo.RealVideo ™ ActiveX Control (32-бит)’, ‘RealPlayer’]
[type = ‘text’]
[type = ‘text’]
[type = ‘password’]
[type = ‘password’]
[‘rmockx.RealPlayer G2 Control ‘, ‘rmocx.RealPlayer G2 Control.1’, ‘RealPlayer.RealPlayer ™ ActiveX Control (32-разрядный)’, ‘RealVideo.RealVideo ™ ActiveX Control (32-бит)’, ‘RealPlayer’]
[‘rmockx.RealPlayer G2 Control’, ‘rmocx.RealPlayer G2 Control.1’, ‘RealPlayer.RealPlayer ™ ActiveX Control (32-разрядный)’, ‘RealVideo.RealVideo ™ ActiveX Control (32-бит)’, ‘RealPlayer’]
[type = ‘text’]
[type = ‘text’]
[type = ‘password’]
[type = ‘password’]
[‘rmockx.RealPlayer G2 Control ‘, ‘rmocx.RealPlayer G2 Control.1’, ‘RealPlayer.RealPlayer ™ ActiveX Control (32-разрядный)’, ‘RealVideo.RealVideo ™ ActiveX Control (32-бит)’, ‘RealPlayer’]
[‘rmockx.RealPlayer G2 Control’,
‘rmocx.
RealPlayer G2 Control.1′,
‘RealPlayer.RealPlayer ™ ActiveX Control (32-разрядный)’,
‘RealVideo.RealVideo ™ ActiveX Control (32-бит)’,
«RealPlayer»]
Как понять разницу между TTL и ручным режимами вспышки
Не секрет, что всплывающей вспышки, встроенной в вашу цифровую камеру, просто недостаточно в большинстве ситуаций.По ряду причин съемка с использованием только выдвигающейся вспышки нереальна. Вот почему повсюду вы найдете фотографов, которые выбирают внешнюю вспышку и все чаще используют ее во время съемок.
Внешняя вспышка, также известная как «вспышка», дает фотографам множество преимуществ и преимуществ даже при съемке в условиях очень низкой освещенности. Они позволяют нам намного лучше контролировать освещение изображения. На рынке доступны вспышки от различных производителей, включая производителей камер, таких как Canon и Nikon, или сторонних компаний, таких как Godox, Yongnuo, Nissin и т. Д.
Если вы выйдете на рынок, чтобы купить свою первую вспышку, вы встретите два варианта: полностью ручная вспышка и вспышка TTL (через объектив). Вы можете запутаться в том, какая вспышка подойдет вам лучше всего, а в какую стоит вложить деньги. И ручная, и TTL-вспышка имеют свои плюсы и минусы, которые нравятся фотографам. Важно правильно понимать их системы, функции, преимущества и недостатки.
Общие сведения о ручной прошивке
В полностью ручной вспышке нет управления (d камерой или вспышкой) над интенсивностью или продолжительностью света, излучаемого вспышкой. Вместо этого фотограф управляет мощностью вспышки, регулируя настройки либо в камере, либо на самой вспышке.
При использовании ручной вспышки есть четыре элемента управления, которые вы можете использовать для настройки мощности вспышки вручную в соответствии с вашими требованиями:
- Отрегулируйте ISO на камере.
- Увеличьте или уменьшите уровень мощности вспышки (½, ¼, 1/8 мощности и т.
Д.) - Измените расстояние между объектом и вспышкой (источником света).
- Отрегулируйте значение диафрагмы на камере.
Ручной режим — проверьте руководство пользователя вспышки, чтобы узнать, как его настроить.
Не все вспышки одинаковы
Важно помнить и учитывать, что большинство вспышек можно снимать в ручном режиме, но не каждая вспышка может снимать в режиме TTL.Ручная вспышка также дает вам особый контроль над освещением и экспозицией и позволяет вам точно настроить ее в соответствии с вашими требованиями. Вам не нужно использовать компенсацию экспозиции при использовании ручной вспышки, поскольку ваша композиция, кадр и т. Д. Не влияют на общую экспозицию и освещение сцены.
Плюсы и минусы ручной вспышки
В ситуациях, когда расстояние между вспышкой и объектом является постоянным и фиксированным, вы можете выбрать использование ручной настройки вспышки.Ручная вспышка чрезвычайно полезна в ситуациях, когда вам необходимо многократно сделать серию снимков объекта при одинаковых условиях экспозиции. Например, в фуд-фотографии, продуктовых съемках и т. Д. Это так. Уровень мощности фиксирован и остается неизменным, что гарантирует, что экспозиция не меняется от кадра к кадру.
Ручная вспышка лучше всего работает, когда объект не движется, как в этой настройке, при постановке кадра.
Одним из основных недостатков использования вспышки в ручном режиме является то, что вам все равно необходимо определить оптимальную выходную мощность, необходимую для получения правильной экспозиции, что может занять много времени.Таким образом, ручную вспышку можно в основном использовать при съемке портретов, хедшотов и изобразительного искусства. Другими словами, в ситуациях, когда у вас есть время, чтобы настроить сцену.
Многие также считают, что ручной режим лучше всего использовать для изучения фотографии с внешней вспышкой. Вы выбираете результат, щелкаете изображение и просматриваете его.
Если не получается так, как вы ожидали и хотели, вы можете изменить настройки и попробовать еще раз. Так что в конечном итоге вы узнаете больше в процессе.
Основные сведения об автоматическом или TTL-режиме вспышки
Когда мощность вспышки напрямую регулируется камерой, это называется экспозамером через объектив или TTL. В случае использования автоматической или TTL-вспышки мощность вспышки напрямую регулируется вспышкой или системой замера экспозиции камеры. Таким образом, использование вспышки в режиме TTL даст вам различную мощность вспышки.
Мигает в TTL или автоматическом режиме.
Единственный метод управления вспышкой с TTL-режимом — использование функции компенсации экспозиции вспышки на вспышке или через настройки камеры.Кроме того, при использовании вспышки TTL выбранные вами уровни диафрагмы и ISO не влияют на мощность вспышки, потому что камера сообщает вспышке, что она должна излучать определенную мощность на основе показаний камеры. Если настройки изменятся, выход будет автоматически скомпенсирован.
Когда вы наполовину нажимаете кнопку спуска затвора на камере для фокусировки, она не только фокусируется, но также производит замер сцены и ее экспозиции. Он измеряет количество окружающего света, которое возвращается «через линзу» к датчику.
Как это работает
Вспышка с функцией TTL срабатывает «предварительную вспышку» перед тем, как будет сделан фактический снимок. Затем камера измеряет предварительную вспышку с уровнем окружающего освещения, чтобы вычислить мощность, необходимую от фактической вспышки, чтобы сделать правильную экспозицию. Эта предварительная вспышка происходит очень быстро, всего за микросекунды до основной вспышки, и поэтому не может быть замечена человеческим глазом. В зависимости от модели вашей вспышки, эта предварительная вспышка может быть настоящей вспышкой белого света или инфракрасной.
Использование вспышки с TTL-режимом чрезвычайно полезно в ситуациях, когда вы много перемещаетесь, снимаете с другими или меняете настройки освещения и т.
Д., И у вас нет времени сделать серию тестовых снимков перед съемкой.
Одним из недостатков, которые сопровождают использование вспышки TTL, является меньший контроль и меньшая точность освещения. Если вы получаете неправильную экспозицию при использовании вспышки в режиме TTL, вам будет действительно сложно узнать настройку мощности, которая использовалась для этого снимка.
Заключение
Если вы недавно приобрели свою первую цифровую камеру и планируете купить внешнюю вспышку, у вас есть два варианта.
Или используйте ручную вспышку, так как она побудит вас узнать больше о том, как управлять и регулировать освещение в различных ситуациях. Но если вы хотите выполнять профессиональные задания и не можете позволить себе экспериментировать с ручной вспышкой, выберите вспышку с TTL-управлением.
Что вы используете? У вас есть вспышка, которая поддерживает и то и другое? Что вы предпочитаете для разных ситуаций? Расскажите, пожалуйста, в комментариях ниже.
Пять шагов настройки для получения идеальной фотографии TTL-строба
ОК. Поднимите руки. Я большой поклонник TTL-вспышки на вспышках. Почему? Потому что это означает, что я могу почти каждый раз прибегать к экспозиции, даже если я двигаюсь или отражаю вспышку. Я поделюсь с вами своей 5-шаговой настройкой, но сначала давайте кратко рассмотрим, как TTL делает то, что делает.
Принципы TTL
Когда вы запускаете вспышку в режиме TTL (здесь я придерживаюсь TTL для цифровых камер, иногда называемого eTTL), она посылает короткую предварительную вспышку, которую человеческий глаз редко обнаруживает.Затем камера считывает количество предварительной вспышки, попадающей на датчик, в большинстве случаев с использованием оценочного или трехмерного матричного замера (Canon / Nikon, другие производители могут иметь другие названия), который регулирует мощность вспышки для правильной экспозиции изображения. В большинстве случаев TTL работает довольно хорошо и, в отличие от ручного режима, он будет постоянно регулироваться по мере изменения расстояния от вспышки до объекта.
Очень важно, если вы используете встроенную вспышку.
Для внешней вспышки, когда расстояние до источника света остается постоянным, ручные настройки вспышки подходят.Но как насчет того, когда объект движется? На ум приходит первый танец на свадьбе. Опять же, TTL — это находка!
На что следует обратить внимание при использовании TTL
Стоит отметить, что большинство систем камер настроено на использование TTL-вспышки в качестве заполняющей. Nikon, исключение из правил, должен быть основным источником света. Возможно переключение; у них есть настройка на вспышках для уменьшения мощности вспышки до заполняющей вспышки: BL. По своему опыту могу сказать, что это может быть немного непредсказуемо.Когда я снимал на Nikon, я обычно игнорировал опцию BL и использовал компенсацию экспозиции вспышки -1,7EV.
Предупреждение! Некоторые ранние зеркальные фотокамеры изо всех сил пытались правильно измерить TTL-вспышку, и Canon 5D MkII является ярким примером. Возможно, я ошибаюсь, но мне показалось, что экспозиция вспышки измеряется от выбранной точки фокусировки; сфокусируйтесь на чем-то темном, и это дало огромный поток света, и наоборот, на что-то светлое.
Еще одно предупреждение! За прошедшие годы я обнаружил, что некоторые сторонние вспышки не измеряют TTL правильно, если головка вспышки не направлена прямо на объект.Что нужно иметь в виду.
5 шагов к идеальной экспозиции вспышки TTL
- Установите камеру в ручной режим и измерьте окружающее освещение с помощью ручного или встроенного измерителя.
- Проверьте экспозицию на ЖК-дисплее и на гистограмме и отрегулируйте, чтобы получить желаемое — часто это означает недостаточную экспозицию, например, чтобы вернуть детали в небо.
- Постарайтесь установить выдержку ниже скорости синхронизации камеры, это обеспечит максимальную мощность вспышки.
- Включите вспышку, установите TTL или eTTL с нулевой компенсацией вспышки (или -1,7EV на Nikon).
Отрегулируйте компенсацию вспышки, чтобы получить желаемый результат. - Отразите вспышку, если можете; если у вас не получается, попробуйте наклонить его на 45 градусов с помощью диффузора Stofen, чтобы осветить объект.
И поэтому я люблю TTL. Во многих ситуациях для меня это побеждает.
TTL замера вспышки | Основные сведения об измерении со вспышкой через объектив
В современных зеркальных фотокамерах есть датчики освещенности, которые измеряют окружающий свет, и объектив камеры влияет на это.
Однако, когда вы используете TTL-замер (через объектив) для установки экспозиции, вам не о чем беспокоиться. Измерение экспозиции со вспышкой TTL основывается не на окружающем освещении, а на том, какой будет световой поток вспышки (на основе нескольких факторов).
Есть два основных способа замера вспышки. Один из способов — измерить световую вспышку во время ее проецирования. Второй метод использует предварительную вспышку в качестве тестовой световой вспышки (известной яркости), которая используется для расчета экспозиции.
В трех типах режимов замера со вспышкой (TTL, автоматический TTL и оценочный TTL), TTL и A-TTL используют первый метод, а E-TTL использует второй метод. Следует отметить, что вспышка с функцией E-TTL поддерживает высокую синхронизацию вспышки. Теперь давайте обсудим эти три режима более подробно.
1
Режим измерения через объектив
TTL Flash Metering — это стандартный режим замера, который используется вашей камерой там, где вы используете встроенную или выдвижную вспышку камеры.
Вы также можете использовать этот режим замера с некоторыми из специальных вспышек, доступных для вашей камеры. Измерение вспышки TTL измеряет световой поток вспышки, отражающийся от объекта, и снимает показания через объектив. Он будет считать это значение из той части вашего обзора, где установлена активная точка фокусировки. TTL управляет экспозицией вспышки с помощью специального датчика, который измеряет мощность вспышки, отраженную от поверхности датчика изображения во время активной экспозиции.
Единственное, что не использует TTL, — это предварительная вспышка для расчета экспозиции вспышки. Примечание: если ваша камера настроена в программе, TTL выберет настройку диафрагмы в зависимости от количества доступного окружающего света.
2
Расширенный режим измерения TTL
Автоматический TTL выполняет все те же функции, что и режим замера TTL, в том смысле, что он считывает информацию через объектив и концентрирует свою чувствительность на той части кадра, которая покрыта активной точкой фокусировки.
Что A-TTL делает, а TTL не делает, так это то, что A-TTL использует предварительную вспышку для расчета подходящей диафрагмы на основе расстояния, на которое выходной свет вспышки должен пройти от вспышки до объекта. Эта вспышка света включается при наполовину нажатой кнопке спуска затвора, а затем вспышка посылает фактическую мощность вспышки, освещающей сцену, когда затвор полностью открыт.
Кроме того, когда вы установили камеру в программный режим и используете A-TTL, камера быстро сравнивает и сравнивает информацию о диафрагме на основе расстояния с информацией о диафрагме на основе окружающего света (измеренной стандартной системой замера камеры) и выбирает большее значение диафрагмы (для обеспечения более точной экспозиции и увеличения резкости и глубины резкости).
3
Оценочный режим измерения TTL
Evaluative-TTL использует технологию, отличную от TTL и A-TTL, в которой используется предварительная вспышка для определения оптимальной экспозиции вспышки (путем измерения качества отражения сцены) для получения объекта со средними тонами.
Предварительная вспышка E-TTL отличается от A-TTL тем, что предварительная вспышка E-TTL происходит непосредственно перед открытием затвора (а не при нажатии затвора наполовину с помощью A-TTL). Таким образом, значение экспозиции рассчитывается за доли секунды до срабатывания основной вспышки, а не во время замера окружающего света.
Кроме того, предварительная вспышка анализируется основным датчиком TTL камеры, а не внешним датчиком на вспышке. Это позволяет E-TTL быть более точным. При использовании E-TTL замечательно трудно заметить предварительную вспышку, потому что она срабатывает так быстро… поэтому, даже если вы ее найдете, у вас могут быть проблемы с ее просмотром.
С
Заключение
Система замера TTL стала большим подарком для фотографов, хотя, возможно, в меньшей степени сейчас, в эпоху цифровой фотографии, потому что через мгновение после съемки вы можете точно увидеть, как выглядит изображение.
Если изображение переэкспонировано (или недоэкспонировано), сделайте необходимые настройки и сделайте еще раз. Измерение TTL позволяет вам быть максимально точными с фотографиями и иметь точный контроль над настройками экспозиции.
Полное понимание того, как работают различные режимы замера TTL, позволит вам проявить более творческий подход к фотографии, потому что вы будете лучше владеть этим важнейшим элементом фотографии … тем, как вы записываете свет.
РежимTTL vs.ручная вспышка для фотографии. | Автор SmugMug
Фото Эшли Люсия ТорресКогда вы впервые изучаете фотографию со вспышкой, в нее входит много всего. Вам нужно узнать о мощности вспышки, расстоянии между вспышкой и объектом и о том, как это влияет на ваши фотографии.
Также можно научиться управлять диафрагмой и ISO по отношению к вспышке, не говоря уже о том, чтобы выяснить, какой тип вспышки использовать. Некоторые фотографы будут использовать ручную вспышку, когда доходит до этой темы, а другие настаивают на том, что экспозамер через объектив (TTL) — единственный выход.Кто прав? Один лучше другого? Давайте посмотрим на каждого.
TTL вспышка.Вспышка TTL означает замер через объектив. Вспышка TTL измеряет экспозицию, проходя через объектив, чтобы автоматически настроить освещение для вас.
- TTL работает с использованием измерителя, чтобы определить, сколько окружающего света возвращается в объектив.

- Перед тем, как вспышка сработает, короткая вспышка — или инфракрасная вспышка — измеряет свет и автоматически регулирует мощность вспышки.Эта «предварительная вспышка» происходит за микросекунды до самой вспышки.
- Вы можете использовать вспышку TTL с любым режимом камеры.
- Диафрагма и ISO не влияют на экспозицию вспышки, поскольку мощность вспышки регулируется соответствующим образом.
Ручная вспышка позволяет вам выбрать количество света для вашего снимка независимо от настроек вашей камеры.
- Мощность ручной вспышки измеряется в долях. Настройка 1/1 даст вам самый яркий свет.Вы можете настроить мощность, ½ или ⅛, когда вам нужно.
- Выбор этого параметра позволяет контролировать внешний вид фотографии.
- Ручной экспонометр помогает определить, какие настройки экспозиции и вспышки вы хотите, чтобы ваша фотография имела желаемый вид.
- При использовании ручной вспышки обязательно соответствующим образом отрегулируйте выдержку.
- Если вы используете ручную вспышку, снимайте в ручном режиме; Датчики вашей камеры не учитывают лишний свет ни в автоматическом, ни в запрограммированном режиме.
TTL отлично подходит для снимков, где ваш объект движется. При использовании ручной вспышки вам придется постоянно настраивать параметры вспышки в зависимости от расстояния до объекта. На это нужно время. TTL автоматически настраивает вспышку для вас, позволяя вам сосредоточиться на объекте.
Если вы новичок в фотографии, TTL также позволит вам поиграться со съемкой со вспышкой, не вдаваясь в подробности. При использовании ручной вспышки вы должны настроить все и сделать пробные снимки, чтобы убедиться, что ваши настройки находятся там, где вы хотите.Попрактиковавшись, вы сможете довольно точно оценить, чего хотите, но TTL избавит вас от всех догадок о вашем освещении и даст вам больше времени, чтобы учиться за объективом.
TTL также является предпочтительным вариантом для съемки с высокоскоростной синхронизацией, то есть когда вы хотите использовать скорость затвора, превышающую скорость синхронизации вспышки вашей камеры, что часто бывает при съемке при ярком дневном свете. Вы можете снимать на гораздо более высоких скоростях со вспышкой TTL, чем с ручной вспышкой, что дает вам больше возможностей для съемки на открытом воздухе.
Фото tenncup. Когда использовать ручную вспышку.Для фотографа, заботящегося о деталях, ручная вспышка дает вам полный контроль над освещением. Это особенно полезно при съемке неподвижных объектов, например портретов. Вы можете настроить освещение так, как вам нравится, а затем настроить и забыть об этом на время съемки.
Ручная вспышка также отлично подходит для фотосъемки, когда вам нужно воспроизвести настройки освещения или поддерживать постоянную экспозицию между снимками, например, при съемке продуктов, еды или архивных фотографий.Вспышки TTL могут не отслеживать настройки между снимками, поэтому лучше использовать ручной режим.
И, конечно же, изучение ручной вспышки гарантирует, что вы поймете тонкости освещения, а владение светом — один из лучших способов стать лучшим фотографом.
Фото Кирстен Мари. Ручной или TTL: что лучше?Ни то, ни другое! Или оба! Когда дело доходит до выбора вспышки, у ручной и TTL-вспышки есть свои сильные и слабые стороны.Иногда руководство будет лучшим выбором для ситуации, а в других случаях TTL выполнит работу быстрее и так же хорошо. Когда дело доходит до использования вспышки в вашей фотографии, единственный способ по-настоящему овладеть искусством — это научиться использовать оба и выяснить, что лучше всего подходит для ваших нужд. Удачной стрельбы!
Режим вспышки TTL в фотографии
Режим вспышки через объектив (TTL) чаще всего поднимается при обсуждении того, лучше ли он ручной вспышки или нет.
Хотя люди разделены между двумя фотовспышками, мы утверждаем, что более разумно сказать, что оба режима имеют преимущества и недостатки, в зависимости от нескольких факторов во время съемки.Это полностью зависит от вашей ситуации, как и то, как ручной и автоматический режимы ваших зеркальных фотокамер лучше всего использовать в различных сценариях. Лучше всего сказать следующее: один не обязательно лучше другого.
Чтобы проиллюстрировать, как используется TTL, лучше всего рассматривать его как аналог автоматического режима вашей цифровой камеры. Используя систему замера камеры и определив ваше расстояние до объекта, вспышка TTL определит, сколько освещения вам потребуется. Вот почему некоторые называют этот режим TTL Flash Metering.Некоторые вспышки TTL делают это, давая короткую вспышку света перед самой вспышкой. На основе информации, которую собирает ваша вспышка, она автоматически выберет, какой уровень мощности использовать.
Так же, как и ручная вспышка, режим вспышки TTL по-прежнему используется любым из следующих способов:
1. Добавьте свет.Несомненно, основное использование вспышки (будь то ручная или TTL-вспышка) — это добавление света к темным сценам. В конце концов, это искусственный источник света, который может легко скрасить любой плохо освещенный сценарий.Это особенно актуально для людей, которые увлекаются ночной фотографией, и тех, кому нужен больший контроль над направлением освещения и обработкой.
2. Прямой свет. Вспышки используются не только для добавления света к вашим фотографиям. Они также используются для направления света на ваши объекты. Естественный свет — это хорошо, но он дает слишком мало контроля. Имея под рукой вспышку, вы сможете лучше контролировать направление света. При использовании с красивым рассеивателем и поверхностью для отражения света ваша вспышка может помочь вам добиться мягкого освещения ваших объектов.
На любой фотографии контраст — это то, что придает трехмерный вид. Это очень важно, потому что это то, что отделяет ваш объект от других объектов в вашей композиции. Используя вспышку, вы сможете привлечь внимание к своим объектам, одновременно создавая глубину и объем на фотографии.
4. Контроль качества света.Объедините свое понимание освещения в фотографии с использованием надежной вспышки, и вы сможете управлять типом освещения, которое она может производить.В зависимости от вашего приложения вы можете использовать его для творческой фотографии, чтобы заморозить объекты или просто обеспечить блики в глазах вашего объекта.
Статья по теме: Важность вспышек в высокоскоростной фотографии
Использование режима вспышки TTLКак упоминалось ранее, и TTL, и ручной режимы вспышки имеют преимущества и недостатки в зависимости от ряда факторов. Изложив основы, давайте разберемся, когда его следует использовать:
1.Когда у вас мало времени на настройку флеш-памятиИногда вы столкнетесь со сценариями, которые потребуют от вас действовать быстро. Это может быть во время мероприятий с переменным освещением или на съемках, когда вам нужно быстро переходить с одного места на другое. В такие дни вам придется действовать быстро и с умом. В таких случаях работает вспышка TTL. Оставив управление вспышкой в этом интуитивно понятном режиме, вам не придется беспокоиться о том, чтобы возиться с настройками.
2. Когда ваши объекты много двигаются Ваша TTL-вспышка может определить, приблизился ли объект к вам или дальше. Если вам нравится снимать людей в движении, вам может помочь именно этот режим вспышки. В таких случаях, как фотосъемка событий, ваша TTL-вспышка может максимально приблизить вас, чтобы помочь вам получить правильную экспозицию.
Помимо фотосъемки мероприятий, вы также можете использовать этот режим для детской фотографии или, возможно, даже для портретной фотографии.
Статья по теме: Как снимать портретную фотографию с помощью триггера камеры?
Что делать, если у вас нет вспышки с функцией TTL?Не беспокойтесь! Фотографы были избалованы продвинутыми аксессуарами, которые могут помочь сделать лучшие фотографии.Если вы фотограф, у которого нет вспышки с функцией TTL Flash, вы можете выбрать использование MIOPS Smart + Camera Trigger, которая также может запускать любое устройство вспышки. Он имеет универсальный набор режимов запуска, таких как молния, звук, лазер и HDR. В некотором смысле это небольшое устройство может быть даже более продвинутым, чем вспышки с возможностями режима TTL.
MIOPS Smart + Camera Trigger имеет специальный выход для вспышек и стандартный кабель синхронизации, который можно подключить к вашей вспышке.Все, что вам нужно сделать, это подключить устройство к вашей вспышке и использовать приложение для смартфона MIOPS, чтобы настроить устройство в соответствующий режим. И звуковой, и лазерный режимы могут вызывать срабатывание вспышки во время звуковых событий или движений. С этим устройством остается только проявить творческий подход и создавать уникальные фотографии.
ЗаключениеРежим вспышки TTL и добавление функции MIOPS Smart + Camera Trigger могут помочь любому фотографу более эффективно получать лучшие фотографии.Оба варианта позволяют определять сцены, поэтому вы можете рассчитывать на то, что вспышки будут правильно освещать объекты. Эти достижения в области технологий действительно сделали фотографию намного проще благодаря их помощи в экспозиции — акцент на помощи .
Мы не можем больше подчеркивать это, но действительно стоит повторить: любые аксессуары или оборудование для фотографии — это просто инструменты в торговле. Ваши вспышки и необычные триггеры камеры определенно могут помочь с правильной экспозицией ваших фотографий, но все же ваши навыки сделают ваши результаты выдающимися.
Измените настройки камеры и добавьте немного бликов в свою композицию. Вы должны развить свой личный «голос» фотографа, прежде чем какой-либо аксессуар сможет изменить вашу работу. Инвестировать в оборудование для фотосъемки — это приятно, но владение камерой и уникальный стиль — вот настоящие ключи к захватывающим фотографиям.
Статья по теме: Как выбрать хорошую вспышку для высокоскоростной фотографии
Статья по теме: Высокоскоростная фотосъемка. Изучите сайт
В чем разница между TTL и ручным режимом?
В чем разница? представляет собой серию видеоуроков по освещению.Каждая серия отвечает на один вопрос. В этом эпизоде Джаред Платт сравнивает съемку в TTL и ручном режимах. Вся серия, включая все видео, статьи и схемы освещения, доступна на нашем сайте. И не стесняйтесь оставлять вопрос Джареду в разделе комментариев, если он у вас есть!
Мы были на месте, чтобы сфотографировать певицу музыкальных записей Минди Гледхилл и ее туристический автобус. Был прекрасный солнечный день, поэтому сторона автобуса была полностью освещена.Это сделало его идеальным для тестирования выносных вспышек Profoto B1 и B2 в режиме TTL.
TTL — это сокращение от экспозамера через объектив со вспышкой. Установив на камеру Air Remote TTL-C или Air Remote TTL-N, фотограф может настроить свои фары, включить их и выстрелить, чтобы получить идеальную экспозицию со вспышкой. Затем одним нажатием нескольких кнопок фотограф может настроить компенсацию вспышки TTL прямо в самой камере, а при использовании различных групп может увеличивать и уменьшать мощность в трех отдельных группах (A, B, C) независимо от камеры. в TTL и ручном режиме.
Установка
Наша базовая установка освещения состояла из B2 с софтбоксом OCF 2 × 3 ′ в качестве основного источника света, еще одного B2 с отражателем увеличения в качестве источника света для волос и двух выносных вспышек B1 для освещения теневой стороны туристического автобуса.
позади Минди.
Кроме того, чтобы обеспечить полный контроль над освещением объекта, мы использовали складной отражатель Gold / White L в качестве флажка, чтобы защитить объект от солнца.
Наш основной свет и свет для волос были расположены слева, чтобы имитировать направление солнечного света.Фоновое освещение в автобусе было установлено только с намерением тонко заполнить тень на передней части автобуса.
Режим TTL
Наша первая экспозиция со вспышкой была полностью TTL без компенсации экспозиции вспышки.
У нас были фонари на трех разных группах. A: Основной свет. B: светлые волосы. C: Фоновые огни на передней части автобуса.
Даже с чрезвычайно яркими бликами от автобуса, пытающимися обмануть его, первая экспозиция TTL была очень близка к правильной.Основной свет был идеальным, а свет для волос был примерно на 2/3 ступени ярче, чем мне хотелось бы. Единственная группа, которая была выключена, была фоновая подсветка передней части автобуса. Технически правильно, что вспышки пытались сопоставить их экспозицию с остальной частью автобуса, но это делало переднюю часть автобуса слишком яркой, чтобы выглядеть как естественная тень.
Но в целом система Profoto AirTTL сделала очень точную начальную экспозицию. Теперь подстроимся под наши предпочтения.
Переход в ручной режим
Profoto Air Remote TTL-C позволяет осуществлять полный TTL и ручное управление вспышками в трех группах (A, B и C), а также ручное включение вспышек в трех дополнительных группах (D, E и F).Наша схема освещения использовала только первые три группы TTL.
После нашего первого тестового снимка мы оценили изображение и определили, что необходимо внести некоторые изменения вручную. Поэтому мы переключили Air Remote TTL-C из режима TTL в ручной режим и начали вносить наши корректировки, нажимая кнопки питания + и — на пульте дистанционного управления для групп.
Прическа группы B была на 1/3 ступени ярче, поэтому мы трижды нажали кнопку питания.


) бездействия

0
Д.)
Отрегулируйте компенсацию вспышки, чтобы получить желаемый результат.