Схема рено дастер: Электросхемы — DUSTER — Руководства по ремонту
Схема электрооборудования дастер — Renault Duster Электрооборудование Рено Дастер
Мощные потребители вентилятор охлаждения двигателя, кондиционер и другие подключаются через реле. Крышки и статор генератора стянуты четырьмя болтами.
Renault Duster Manual. Инструкция по ремонту и эксплуатации Рено Дастер. Электрооборудование выполнено по однопроводной схеме:…
Кроме того, коммутационный блок подает звуковой сигнал зуммер , напоминающий о невыключенном наружном освещении при открытых дверях, и включает сигнализатор в комбинации приборов. Мотор-редуктор стеклоподъем ника состоит из червячного редукто ра и электродвигателя постоянного тока. На выходном валу редуктора установлен барабан с тросом.
На замки всех боковых дверей и замок двери багажного отделения установлены электроприводы, которые присоединяются к рычагам блокировки замков. Стекло двери багажного отделения с электрообогревом, который включается только при работающем двигателе. Обогрев стекла выключается автоматически через 12 мин.
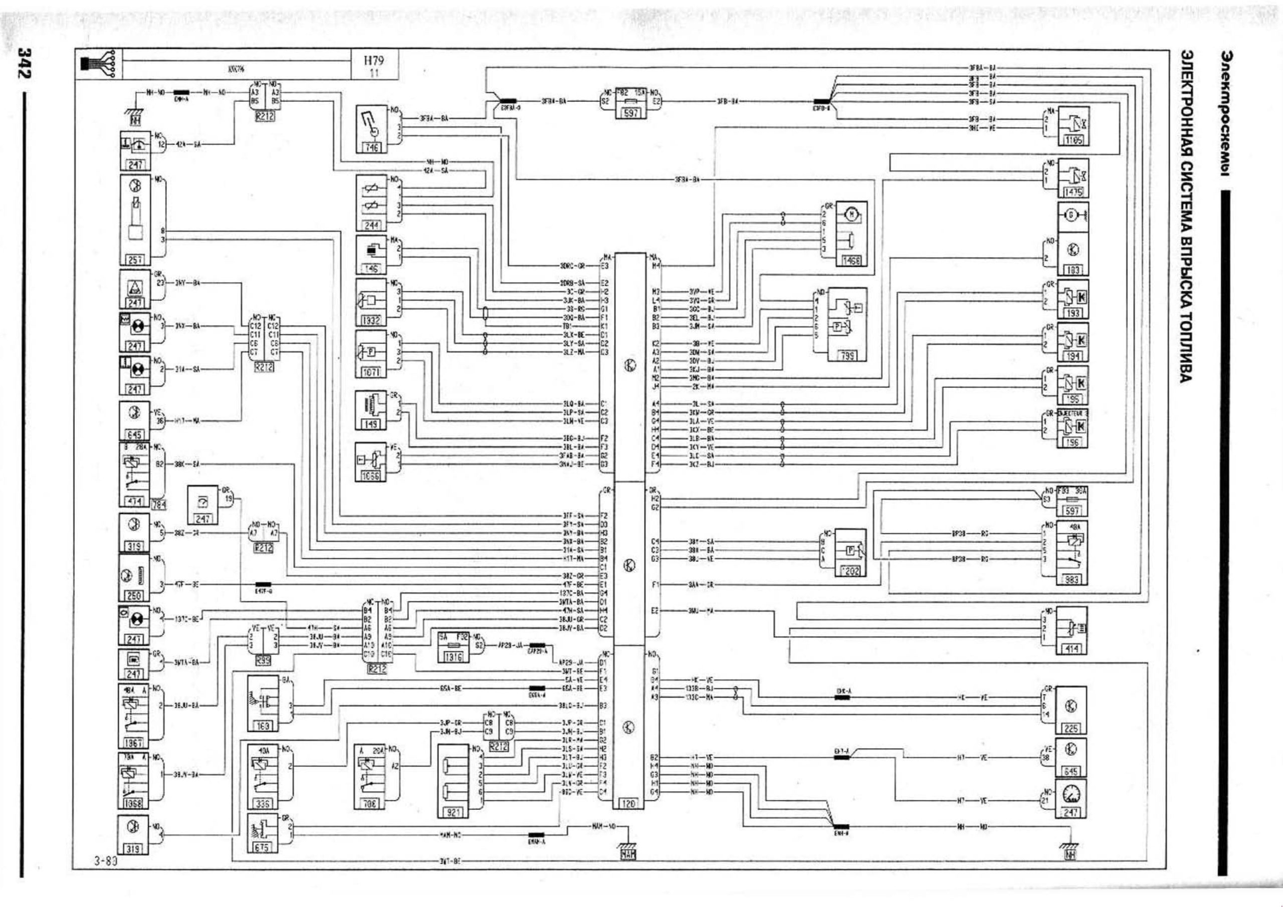
Электросхема системы управления двигателем Рено Дастер
Материалы по теме
В состав иммобилайзера входят: Когда ключ вставляют в выключатель зажигания, катушка считывает код с микросхемы ключа и передает его в коммутационный блок. Коммутационный блок сравнивает код ключа с кодом, хранящимся в памяти блока.
Подушка безопасности водителя установлена в рулевом колесе, а подушка безопасности пассажира — в панели приборов, над вещевым ящиком. Кроме того в спинках передних сидений со стороны дверей могут быть установлены боковые подушки безопасности. Блок управления подушками безопасности Блок управления подушками безопасности расположен под облицовкой туннеля пола.
Угон Рено Дастер
При вращении колесо за поводок поворачивает барабан, а с ним и ленту кабеля, которая располагается в цилиндрическом корпусе либо на большем, либо на меньшем радиусе.
Это предотвращает обрыв кабеля при вращении рулевого колеса от нейтрального положения до упора в каждую сторону. Блок управления трансмиссией Для управления электромагнитной муфтой служит электронный блок, установленный под панелью приборов с правой стороны. На части автомобилей в корпусе отопителя установлен дополнительный электрообогреватель салона, для подключения которого служат два реле, установленные под панелью приборов, слева от отопителя. Большинство электрических цепей защищено плавкими предохранителями.
Устройство и ремонт Рено Дастер Для более комфортной и безопасной эксплуатации автомобиля Рено Дастер в холодное время, на автомобиле предусмотрены электросхемы, обеспечивающие подогрев заднего стекла и подогрев боковых зеркал.
Особенностью этих подогревов является то, что они включаются совместно, а также то, что они автоматически выключаются в случае отключения зажигания или через определенное время.
Электросхема освещения салона и багажного отделения Рено Дастер Подробности Родительская категория: Так за освещение салона отвечает плафон в салоне, а за освещение багажника, соответственно плафон в багажнике.
Электросхема «центрального замка» питается и управляется от блока управления электрообрудованием. Особенностью электросхемы является отсутствие предохранителей отвечающих за центральный замок. При отказе «центрального замка» стоит проверить питающую цепочку для блока управления.
Электросхема подключения магнитолы Рено Дастер Подробности Родительская категория: Устройство и ремонт Рено Дастер В некоторых комплектациях автомобиля Рено Дастер установлено мультимедийное головное устройство — магнитола. Магнитола читает перезаписываемые диски CD-RW. Магнитола подключена к электропроводке через два штекера, один отвечает за питание, а второй за коммутацию магнитолы с динамиками.
Электросхема противотуманных передних и задних фар Рено Дастер Подробности Родительская категория: Устройство и ремонт Рено Дастер Для улучшения видимости в ночное время, а также при сложных погодных условиях, на автомобиле Рено Дастер установлены противотуманные фары.
Схема дастер дизель — Электросхема Рено Дастер Дизель
Dustershop77.ru Электрическая схема включения дальнего и ближнего света на Рено. 550 × 223 — 52k — jpg drive2.ru Схемы электрооборудования Дастера — бортжурнал Renault Duster. 960 × 1436 — 470k — jpg dustershop77.ru Вспомогательные электросхемы Рено Дастер (Звуковой сигнал. 550 × 355 — 91k — jpg autosecret.net Электросхема системы управления двигателем Рено Дастер 1150 × 842 — 365k — jpg drive2.ru Схемы электрооборудования Дастера — бортжурнал Renault Duster. 960 × 1400 — 444k — jpg dustershop77.ru Вспомогательные электросхемы Рено Дастер (Звуковой сигнал. 550 × 258 — 97k — jpg drive2.ru Схемы электрооборудования Дастера — бортжурнал Renault Duster.
В статье описан принцип функционирования различных вспомогательных систем электрики Рено Дастер. Также приведены.
Смотреть Универ Новая Общага Новый Сезон Новый Сосед Все Серии.
Являясь неизменным лидером в своем классе, Renault Duster совершил настоящую революцию среди полноприводных автомобилей. Миллионы людей во всем мире мечтали о качественном внедорожнике по привлекательной цене. Теперь у них есть Renault Duster. Duster ломает стереотипы — непроходимых маршрутов и недоступных мест больше не существует. Новый дизайн подчеркивает современный и динамичный характер внедорожника: массивная хромированная решетка радиатора и новая форма бамперов и рейлингов, стильные легкосплавные 16-дюймовые диски, новая двойная оптика фар со встроенными дневными ходовыми огнями и узнаваемые задние фонари.
Кроме того, Duster имеет оптимальное соотношение веса и размеров, что обеспечивает ему отличную проходимость. Полноприводные версии оснащаются как 6-ступенчатой МКП с короткой первой передачей (5,7 км/ч при 1 000 об/мин), так и специально адаптированной к российским условиям АКП с дополнительной системой охлаждения и системой контроля крутящего момента.
Данные трансмиссии идеальны для езды по настоящему бездорожью, поскольку облегчают старт даже на крутом подъеме и при полной загрузке автомобиля. Комфорт и свобода Обновленный интерьер Duster дарит комфорт и функциональность: новая центральная консоль, новые передние сиденья, новые материалы отделки и современное оборудование. Широкий выбор базового и опционного оборудования гарантирует комфорт и удовольствие за рулем.
Вспомогательные электросхемы Рено Дастер (Звуковой сигнал, прикуриватель, подогрев сидений и т.д.)
Дополнительные электросхемы для Рено Дастер (схемы иммобилайзера, световой сигнализации, стопсигнала, фонаря заднего хода и пр.)
Современные марки
авто, в том числе Рено Дастер, оснащены множеством электроники. Ниже мы опишем
простые электросхемы, которые отвечают за выполнение определённых функций машины
(стоп-сигнал, подогрев сидений, прикуриватель и др.
Звуковая сигнализация
Звуковой сигнал стоит на втором месте после тормозного устройства по важности касательно предотвращения ДТП. Два зуммера (электромагнитных прибора высокой частоты, благодаря которым издается звук) располагаются на автомобиле. Оба звуковых сигнала настроены на определенную частоту, для того, чтобы суметь охватить весь спектр частот, воспринимаемых человеческим ухом. Два сигнала связаны между собой как показано на схеме.
Питаются зуммеры от разных предохранителей F17 на 15 А и F31 на 60 А. Если предупреждающий сигнал находится в нерабочем состоянии, возможно, перегорел какой-то один из них. Если теория подтверждается, т требуется замена предохранителей. Их можно сменить только на аналогичные, с тем же амперажем, иначе существует риск сгорания электроприборов.
Прикуриватель
Этот прибор
предназначен для зарядки электрических приборов или прикуривания табачных
изделий.
Сам прикуривать – это спираль из металла в специальной вставке. Когда
прибор подключен к бортовой электросети, через него проходит ток, нагревая
спираль накаливания внутри. Как только аппарат готов к работе, прикоснитесь
сигаретой к раскаленной спирали прикуривателя. Для защиты данного оборудования
установлено два блока предохранителей в салоне F38 и F19, рассчитанных на 15 А
и 10 А соответственно. Каждый из них отвечает за определенную функцию –
подсветку и питание.
Подогрев сидений
Подогрев сидений
осуществляется с помощью электрических приборов, встроенных в спинку и подушки.
Чаще всего в автомобилях Рено Дастер данная функция распространяется на два
передних кресла. Блок предохранителей F16 в салоне рассчитан на 15 А и напрямую
соединен с выключателями обогрева правого и левого сидений. Выключатель, в свою
очередь, связан с электрическими элементами обогрева отдельных частей (подушки
и сиденья).
Иммобилайзер
Иммобилайзер – устройство против угона. Чтобы не произошел разрыв электронной сети в важных местах, например, в сети зажигания, и система не была блокирована, иммобилайзер считывает электронный чип, который находится в специальном ключе хозяина авто. Датчик данного устройства напрямую связан с управлением электрооборудованием и предохранителями Рено Дастер (F4 на 10 А).
Указатели поворотов и световая сигнализация
Поворотники
принимают непосредственное участие в дорожном движении, указывая пешеходам и другим автомобилиста направление
дальнейшего движения авто на перекрестках. Для того же предназначена аварийная
световая сигнализация. Исходя из электросхемы, данные приборы связаны между
собой и с блоком управления оборудованием. За работу левого заднего фонаря
отвечают левые боковые и передние указатели.
За исправность правого,
соответственно, правые указатели. Выключатель аварийной сигнализации питается
за счет предохранителя F19 на 10А. Левый подрулевой переключатель также
отвечает за работу механизма.
Фонарь заднего хода
Для авто Рено Дастер с АКПП и МКПП используется следующая схема фонаря света заднего хода. Через блок предохранителей в салоне F27 и F26 проходит подпитка током. Также в электросхеме присутствуют следующие элементы: датчик режимов АКП, выключатель света заднего хода, правый задний фонарь.
Стоп-сигнал
В зависимости от
коробки передач, зажигание светового сигнала включается от нажатия на педаль
тормоза либо благодаря системе курсовой устойчивости. Безопасность и питание
данной системы обеспечивается предохранителем F3 на 10А, который установлен в
салоне Рено Дастер.
Стеклоочистители
Данное приспособление предназначено для удаления грязи с лобового стекла с целью улучшения видимости. Правый подрулевой переключатель активизирует работу стеклоочистителей. Блоки предохранителей F27 и F1 установлены в салоне.
Общая схема питания основных узлов электросистемы Рено Дастер
Категории товаров, которые вам могут быть интересны на основании статьи «Вспомогательные электросхемы Рено Дастер (Звуковой сигнал, прикуриватель, подогрев сидений и т.д.)»:
Добавить комментарий
Renault Duster Электрооборудование Рено Дастер
Renault Duster > Электрооборудование Рено Дастер- Замена катушки иммобилайзера и контактной группы выключателя зажигания
- Замена ламп в блок-фаре
- Замена ламп плафона освещения салона, снятие плафона
- Замена лампы в дополнительном сигнале торможения, снятие сигнала
- Замена лампы противотуманной фары
- Замена предохранителей и реле
- Разборка наружного зеркала заднего вида
- Разборка стартера
- Снятие аккумуляторной батареи
- Снятие блок-фары
- Снятие блока управления подушками безопасности
- Снятие блока управления трансмиссией автомобиля 4х4
- Снятие бокового указателя поворота, замена лампы
- Снятие выключателей, регулятора, прикуривателя и блока сигнализаторов
- Снятие выключателя света заднего хода механической коробки передач
- Снятие головного устройства системы звуковоспроизведения
- Снятие заднего фонаря, замена ламп
- Снятие звуковых сигналов
- Снятие и проверка генератора, замена регулятора напряжения
- Снятие и проверка стартера двигателя 1,6
- Снятие и проверка стартера двигателя 2,0
- Снятие комбинации приборов
- Снятие коммутационного блока
- Снятие омывателя ветрового стекла и стекла двери багажного отделения
- Снятие очистителя ветрового стекла
- Снятие очистителя стекла двери багажного отделения
- Снятие плафона освещения багажника, замена лампы
- Снятие плафона освещения вещевого ящика, замена лампы, замена выключателя
- Снятие подрулевых переключателей и соединителя переключателей с барабанным устройством спирального кабеля
- Снятие подушки безопасности водителя
- Снятие противотуманной фары
- Снятие фонаря освещения номерного знака, замена лампы
Электрооборудование выполнено по однопроводной схеме: отрицательные выводы источников и потребителей электроэнергии соединены с «массой» – кузовом и силовым агрегатом автомобиля, которые выполняют функцию второго провода.
Бортовая сеть постоянного тока с номинальным напряжением 12 В.
При неработающем двигателе включенные потребители питаются от аккумуляторной батареи, а после пуска двигателя – от генератора.
При работе генератора аккумуляторная батарея заряжается.
Аккумуляторная батарея
На автомобиле устанавливается свинцовая стартерная аккумуляторная батарея, с обратной полярностью (минусовой вывод обращен к левому борту автомобиля, а оба вывода расположены ближе к ветровому стеклу).
Номинальная емкость при 20-часовом режиме разряда составляет 70 А’ч.
Аккумуляторная батарея – необслуживаемая.
Степень зарядки батареи можно определить по цвету индикатора, вмонтированного в крышку батареи: – зеленый цвет индикатора означает, что батарея заряжена; – темный цвет индикатора – батарея частично разряжена; – прозрачный или светло-желтый цвет индикатора свидетельствует о понижении уровня электролита сверх допустимого.
Генератор: 1 – шкив генератора; 2 – передняя крышка; 3 – стяжной болт; 4 – задняя крышка; 5 – разъем щеткодержателя; 6 – кожух; 7 – вывод «В+»
Генератор – синхронная электрическая машина переменного тока со встроенным выпрямительным блоком и регулятором напряжения.
Привод генератора осуществляется поликлиновым ремнем от шкива привода вспомогательных агрегатов.
В шкив генератора встроена муфта свободного хода.
Шкив генератора с муфтой свободного хода
Муфта свободного хода позволяет шкиву проворачиваться на валу ротора против часовой стрелки.
Это позволяет снизить нагрузку на ремень привода вспомогательных агрегатов при резком снижении оборотов коленчатого вала двигателя.
Крышки и статор генератора стянуты четырьмя болтами.
Задняя часть генератора закрыта пластмассовым кожухом.
Вал ротора вращается в двух шариковых подшипниках, установленных в крышках генератора.
Подшипники закрытого типа, смазка, заложенная в них, рассчитана на весь срок службы генератора.
Задний подшипник напрессован на вал ротора и установлен через пластмассовую втулку в задней крышке.
Передний подшипник установлен в передней крышке генератора и удерживается прижимной пластиной.
На валу ротора посадка подшипника скользящая.
В заднюю крышку генератора вставлен статор генератора, в котором расположена трехфазная обмотка.
Концы фазных обмоток соединены с выводами выпрямительного блока, состоящего из шести диодов – трех положительных и трех отрицательных.
Положительные диоды запрессованы в пластину-держатель, а отрицательные – в заднюю крышку генератора, поэтому при выходе из строя выпрямительного блока нужно заменить заднюю крышку генератора в сборе с выпрямительным блоком и статором генератора.
Выпрямительный блок закреплен на задней крышке генератора (под пластмассовым кожухом).
Обмотка возбуждения расположена на роторе генератора, ее выводы припаяны к двум медным контактным кольцам на валу ротора.
Питание к обмотке возбуждения подводится через две щетки, расположенные в щеткодержателе, который конструктивно объединен с регулятором напряжения и закреплен на задней крышке генератора.
Щеткодержатель с регулятором напряжения: 1 – крышка щеток; 2 – регулятор напряжения; 3 – электрический разъем; 4 – вывод «массы»; 5 – корпус щеткодержателя
Регулятор напряжения поддерживает напряжение бортовой сети автомобиля в заданных пределах независимо от оборотов двигателя и электрической нагрузки за счет изменения силы тока (магнитного потока) в обмотке ротора генератора.
Регулятор напряжения – неразборный узел, при выходе из строя его заменяют в сборе со щеткодержателем.
«Минус» аккумуляторной батареи всегда должен подключаться к «массе» автомобиля, а «плюс» – к выводу генератора.
Обратное подключение приведет к пробою диодов выпрямительного блока генератора.
При работе генератора не следует отключать аккумуляторную батарею, так как возникающие при этом скачки напряжения могут повредить электронные компоненты схемы.
Для защиты бортовой сети от скачков напряжения при работе системы зажигания и снижения помех радиоприему между выводами «положительных» и «отрицательных» диодов (между «+» и «массой» генератора) подключен конденсатор.
При включении зажигания напряжение к обмотке возбуждения генератора подводится через цепь, включающую в себя сигнализатор в комбинации приборов (сигнализатор при этом горит).
После пуска двигателя обмотка возбуждения питается от диодов выпрямительного блока (сигнализатор гаснет).
Если после пуска двигателя сигнализатор горит, это указывает на неисправность генератора или его цепей.
Для пуска двигателя на автомобиле с двигателем 1,6 применяется стартер MITSUBISHI модели M000T93381, а на автомобиле с двигателем 2,0 – BOSCH модели 0 001 107 477.
Стартер MITSUBISHI: 1 – контактные болты; 2 – задняя крышка; 3 – управляющий вывод тягового реле; 4 – корпус стартера; 5 – тяговое реле; 6 – передняя крышка; 7 –
шестерня привода
Стартер BOSCH: 1 – задняя крышка; 2 – контактные болты; 3 – управляющий вывод тягового реле; 4 – тяговое реле; 5 – корпус стартера; 6 – передняя крышка; 7 – шестерня привода
На двигателе 1,6 стартер расположен на передней стороне двигателя (по направлению движения автомобиля), а на двигателе 2,0 – на задней стороне.
Стартер представляет собой электродвигатель постоянного тока с возбуждением от постоянных магнитов, муфтой свободного хода и двухобмоточным тяговым реле.
У стартера BOSCH в приводе встроен планетарный редуктор, состоящий из центральной и коронной (с внутренним зацеплением) шестерен и трех сателлитов на водиле (валу привода).
Вал якоря (якоря и привода у стартера BOSCH) вращается в двух втулках, запрессованных в передней и задней крышках стартера.
Корпус и крышки стянуты двумя болтами.
На валу якоря (привода у стартера BOSCH) установлена муфта свободного хода с приводной шестерней, которая может перемещаться по шлицам вала.
Она передает крутящий момент только в одном направлении – от стартера к двигателю, разобщая их после пуска двигателя.
Это необходимо для защиты стартера от повреждения из-за чрезмерной частоты вращения.
Тяговое реле служит для ввода в зацепление шестерни привода с зубчатым венцом маховика двигателя и включения питания электродвигателя стартера.
При повороте ключа зажигания в положение «стартер» напряжение подается на обе обмотки (втягивающую и удерживающую) тягового реле.
Якорь реле втягивается и пластмассовым рычагом передвигает муфту свободного хода с приводной шестерней по шлицам вала якоря, вводя шестерню в зацепление с венцом маховика.
При этом включается электродвигатель стартера, и одновременно отключается втягивающая обмотка тягового реле.
После возвращения ключа в положение «зажигание» удерживающая обмотка обесточивается, и под действием пружины приводная шестерня выходит из зацепления с маховиком.
Неисправное тяговое реле заменяют.
Неисправность привода стартера выявляется при осмотре после разборки стартера.
В систему освещения и сигнализации входят: две блок-фары, противотуманные фары (опция), боковые указатели поворота, задние фонари, фонари освещения номерного знака, дополнительный сигнал торможения, плафон освещения салона, плафон освещения багажника, плафон освещения вещевого ящика (опция) и два звуковых сигнала (высокого и низкого тона).
Блок-фара: 1 – ручка регулировки пучка света фары в горизонтальной плоскости; 2 – защитный чехол ламп ближнего и габаритного света; 3 – исполнительный механизм регулятора направления пучков света фар; 4 – винт регулировки пучка света фары в вертикальной плоскости; 5 – патрон лампы указателя поворота; 6 – разъем фары; 7 – защитный чехол лампы дальнего света
Блок-фара объединяет три секции.
В одной установлена лампа Н7 ближнего света фары и лампа габаритного света W5W.
В другой секции установлена лампа Н1 дальнего света фары.
В третьей секции установлена лампа указателя поворота PY21W (оранжевого цвета).
В корпусе блок-фары установлен также исполнительный механизм регулятора направления пучков света фар (корректора фар).
На автомобиле установлен корректор фар с тросовым приводом, позволяющим регулировать по высоте пучки света фар в зависимости от загрузки автомобиля.
Корректор состоит из регулятора на панели приборов, исполнительных механизмов в блокфарах и соединяющих их тросов в оболочках.
Противотуманная фара: 1 – регулировочный винт; 2 – лампа фары
Часть автомобилей комплектуется противотуманными фарами, которые устанавливаются в переднем бампере.
В противотуманных фарах установлены галогенные однонитевые лампы Н11.
Расположение ламп в задних фонарях: А – левый фонарь; В – правый фонарь; 1 – противотуманного света; 2 – указателя поворота; 3 – сигнала торможения и габаритного света; 4 – света заднего хода
Задний фонарь включает секции ламп: сигнала торможения и габаритного света (двухнитевая лампа P21/5W), указателя поворота (лампа PY21W), а также противотуманного света – в левом фонаре или света заднего хода – в правом (лампа P21W в обоих случаях).
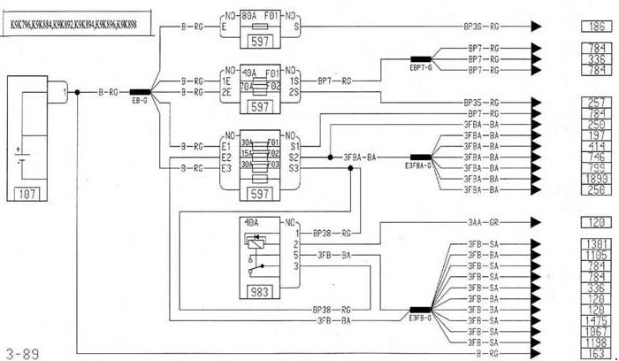
Коммутационный блок
В салоне, слева под панелью приборов, установлен коммутационный блок.
Этот блок является электронным блоком управления центральным замком, плафоном освещения салона, указателями поворотов, аварийной световой сигнализацией, прерывистым режимом работы очистителя ветрового стекла, реле обогрева заднего стекла, системой противоугонной блокировки запуска двигателя.
Кроме того, коммутационный блок подает звуковой сигнал (зуммер), напоминающий о невыключенном наружном освещении при открытых дверях, и включает сигнализатор в комбинации приборов.
Электростеклоподъемник: 1 – направляющий ролик; 2 – направляющая; 3 – трос; 4 – мотор-редуктор; 5 – барабан; 6 – ползун
Часть автомобилей, в зависимости от комплектации, оборудуются электростеклоподъемниками либо передних, либо всех дверей.
Мотор-редуктор стеклоподъем ника состоит из червячного редукто ра и электродвигателя постоянного тока.
Электродвигатель – реверсивный.
На выходном валу редуктора установлен барабан с тросом.
На тросе закреплен ползун, к которому двумя саморезами крепится стекло двери.
Снятие электростеклоподъемников дверей показано в гл. Кузов
На часть автомобилей устанавливают систему блокировки замков дверей (центральный замок).
Система предназначена для одновременной блокировки всех дверей и двери багажного отделения при нажатии на клавишу выключателя, расположенного на консоли панели приборов, или с пульта дистанционного управления ключа зажигания.
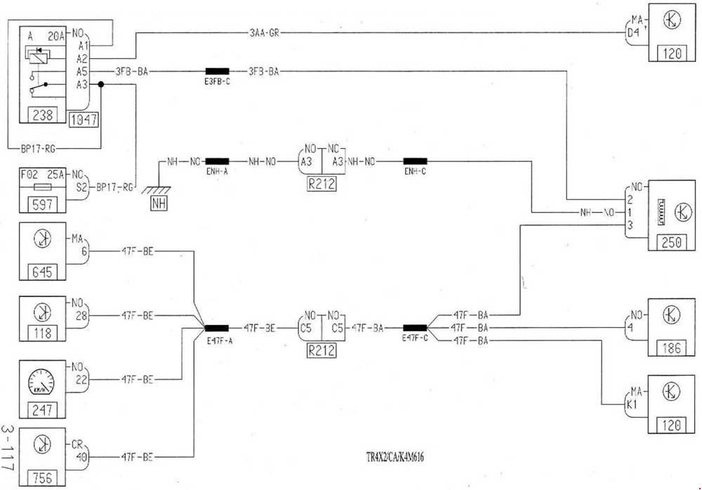
На замки всех боковых дверей и замок двери багажного отделения установлены электроприводы, которые присоединяются к рычагам блокировки замков.
Стекло двери багажного отделения с электрообогревом, который включается только при работающем двигателе.
Обогрев стекла выключается автоматически через 12 мин.
после включения.
Часть автомобилей оборудована наружными зеркалами заднего вида с электроприводом и электрообогревом.
Управляются оба зеркала регулятором электроприводов наружных зеркал, установленным в облицовке туннеля пола.
Напряжение от переключателя подается на два электродвигателя, расположенных в корпусе зеркала.
Один электродвигатель служит для поворота зеркала в вертикальной плоскости, а другой – в горизонтальной.
На элемент обогрева зеркала напряжение подается от выключателя обогрева стекла двери багажного отделения.
Очиститель ветрового стекла: 1 – поводок с осью рычага щетки; 2 – длинная тяга; 3 – кронштейн; 4 – мотор-редуктор; 5 – подушка крепления очистителя; 6 – короткая тяга
Очиститель ветрового стекла установлен слева под облицовкой ветрового окна.
Очиститель состоит из мотор-редуктора с тягами, закрепленными на кронштейне, рычагов и щеток.
Электродвигатель очистителя – трехщеточный, двухскоростной с возбуждением от постоянных магнитов.
Очиститель имеет три режима работы, они включаются правым подрулевым переключателем.
Прерывистый режим работы очистителя обеспечивает коммутационный блок.
При неисправности мотор-редуктора его заменяют.
Очиститель стекла двери багажного отделения установлен на двери багажного отделения, под обивкой.
Очиститель состоит из мотор-редуктора, рычага и щетки.
Электродвигатель очистителя – двухщеточный с возбуждением от постоянных магнитов.
Насос омывателя стекол: 1 – штуцер подачи жидкости на стекло двери багажного отделения; 2 – электродвигатель; 3 – электрический разъем; 4 – штуцер подачи жидкости на ветровое стекло
Омыватель ветрового стекла и стекла двери багажного отделения состоит из полупрозрачного пластмассового бачка, электрического насоса, гибких шлангов и форсунок.
Электродвигатель насоса – реверсивный.
При вращении вала двигателя в одну сторону жидкость подается на ветровое стекло, при вращении в другую сторону – на стекло двери багажного отделения.
Омыватель включается правым подрулевым переключателем.
Бачок омывателя установлен справа под облицовкой ветрового окна.
Насос вставлен в бачок омывателя через резиновый уплотнитель.
Неисправный насос заменяют.
Засорившиеся форсунки можно продуть в обратном направлении или прочистить леской.
Катушка иммобилайзера
Все автомобили оборудованы противоугонной системой блокировки пуска двигателя – иммобилайзером.
В состав иммобилайзера входят: коммутационный блок; катушка связи, установленная на выключателе зажигания; микросхема в ключе зажигания (транспондер) и сигнализатор состояния в комбинации приборов.
Когда ключ вставляют в выключатель зажигания, катушка считывает код с микросхемы ключа и передает его в коммутационный блок.
Коммутационный блок сравнивает код ключа с кодом, хранящимся в памяти блока.
Если коды совпадают, блок посылает сигнал электронному блоку управления двигателем (ЭБУ), разрешающий пуск двигателя, – при этом сигнализатор в комбинации приборов гаснет.
Если коды не совпадут, ЭБУ по сигналу коммутационного блока блокирует пуск двигателя, а сигнализатор в комбинации приборов будет постоянно и часто мигать.
Система блокировки пуска двигателя включается автоматически, через несколько секунд после извлечения ключа из выключателя зажигания.
В зависимости от комплектации автомобили могут быть оборудованы либо подушкой безопасности водителя, либо подушками безопасности водителя и переднего пассажира.
Подушка безопасности водителя установлена в рулевом колесе, а подушка безопасности пассажира – в панели приборов, над вещевым ящиком.
Кроме того в спинках передних сидений со стороны дверей могут быть установлены боковые подушки безопасности.
Блок управления подушками безопасности
Блок управления подушками безопасности расположен под облицовкой туннеля пола.
Для электрического соединения подушки безопасности водителя с электрооборудованием автомобиля нельзя применять обычный скользящий контакт во избежание искрообразования и непреднамеренного срабатывания подушки.
Для этого на автомобиле применено устройство с так называемым спиральным кабелем, работающее по принципу рулетки.
Барабанное устройство со спиральным кабелем: 1 – спиральный кабель; 2 – соединитель подрулевых переключателей; 3 – поводок барабанного устройства; 4 – колодка
соединения с подушкой безопасности; 5 – барабан
В цилиндрическом пластмассовом корпусе устройства, выполненного в корпусе соединителя подрулевых переключателей, спирально уложены несколько витков металлопластиковой ленты, которая является электрическим проводником.
Один конец ленты кабеля через разъем, расположенный на корпусе соединителя подрулевых переключателей, состыкован с колодкой жгута проводов электрооборудования автомобиля.
Другой конец кабеля выведен на выступающий поводок барабана устройства и соединен через колодку с подушкой безопасности.
Поводок барабана устройства входит в отверстие ступицы рулевого колеса.
При вращении колесо за поводок поворачивает барабан, а с ним и ленту кабеля, которая располагается в цилиндрическом корпусе либо на большем, либо на меньшем радиусе.
От своего среднего положения барабан с поводком в устройстве может поворачиваться в каждую сторону до упора на несколько большее число оборотов, чем рулевое колесо.
Это предотвращает обрыв кабеля при вращении рулевого колеса от нейтрального положения до упора в каждую сторону.
На автомобиле 4×4 для подсоединения задних колес служит электромагнитная муфта, встроенная в задний редуктор.
Блок управления трансмиссией
Для управления электромагнитной муфтой служит электронный блок, установленный под панелью приборов с правой стороны.
На части автомобилей в корпусе отопителя установлен дополнительный электрообогреватель салона, для подключения которого служат два реле, установленные под панелью приборов, слева от отопителя.
Большинство электрических цепей защищено плавкими предохранителями.
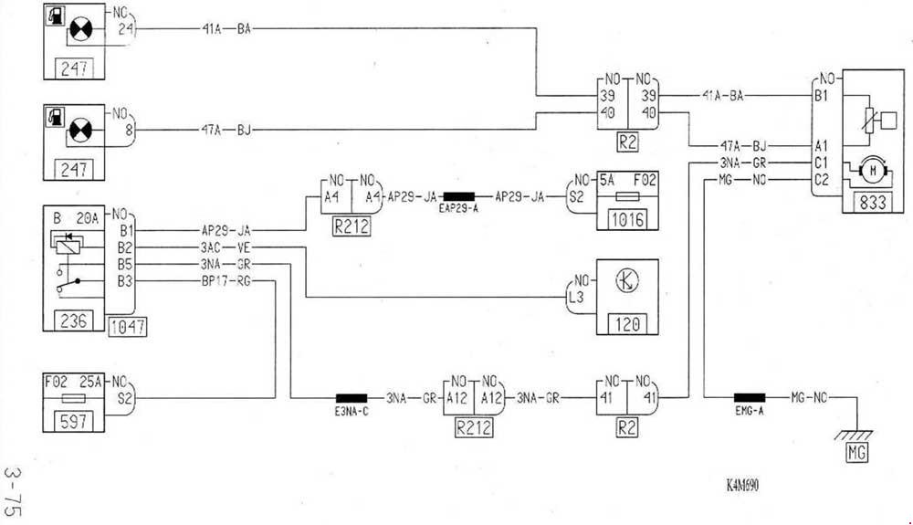
Мощные потребители (вентилятор охлаждения двигателя, кондиционер и другие) подключаются через реле.
Все реле (кроме реле включения обогрева заднего стекла и включения электрообогревателя салона), силовые предохранители и предохранители системы управления двигателем установлены в монтажном блоке реле и предохранителей, расположенном в моторном отсеке слева, за аккумуляторной батареей.
Реле электрообогревателя салона (для наглядности показано при снятой панели приборов)
Остальные предохранители расположены в монтажном блоке предохранителей, установленном в салоне в левом торце панели приборов.
Реле включения обогрева стекла двери багажного отделения установлено за комбинацией приборов.
На внутренней стороне крышки монтажного блока расположены запасные предохранители 1 (рассчитанные на номинальный ток 5, 10, 15 и 30 А), пинцет 2 для извлечения предохранителей из блока, а также показана схема расположения предохранителей
Монтажный блок реле и предохранителей в моторном отсеке: F1–F12 – предохранители; К1–К8 – реле
Монтажный блок предохранителей в салоне
Предохранители монтажного блока в моторном отсеке
| F1 | Не используется |
| F2 | Не используется |
| F3 (25) | Цепи: топливного насоса и катушек зажигания; главного реле К5 системы управления двигателем |
| F4 (15) | Цепь электромагнитной муфты компрессора кондиционера |
| F5 (40 | Силовые цепи: реле К3 малой скорости вентилятора системы охлаждения |
| F6 (60) | Цепи, защищаемые предохранителями F9, F10, F28, F29, F30, F31, F32, F36 монтажного блока в салоне |
| F7 (60) | Цепи, защищаемые предохранителями F13, F14, F15, F16, F17, F18, F19, F20, F24, F26, F27, F37, F38, F39 монтажного блока в салоне |
| F8 (60) | Цепи, защищаемые предохранителями F1, F2, F3, F4, F5, F11, F12 монтажного блока в салоне |
| F9 (25) | Цепи, находящиеся под напряжением в положении S и A ключа зажигания |
| F10 (80) | Силовые цепи реле включения электрообогревателя салона |
| F11 (50) и F12 (25) | Цепи блока управления ABS |
Renault Duster Электрооборудование
| F1 | 30 | Электрический стеклоподъемник передних дверей |
| F2 | 10 | Дальний свет левой фары |
| F3 | 10 | Дальний свет правой фары |
| F4 | 10 | Ближний свет левой фары |
| F5 | 10 | Ближний свет правой фары |
| F6 | 5 | Задние фонари |
| F7 | 5 | Передние габаритные огни |
| F8 | 30 | Стеклоподъемник задней двери |
| F9 | 7. 5 | Задний противотуманный фонарь |
| F10 | 15 | Гудок |
| F11 | 20 | Автоматическая блокировка дверей |
| F12 | 5 | Системы ABS, ESC; Выключатель стоп-сигнала |
| F13 | 10 | Плафон освещения; Освещение багажного отделения, бардачка |
| F14 | – | Нет |
| F15 | 15 | Стеклоочиститель ветрового стекла |
| F16 | 15 | Мультимедийная система |
| F17 | 7.5 | Лампы дневного света |
| F18 | 7.5 | Стоп-сигнал |
| F19 | 5 | Система впрыска; Щиток приборов; Центральный электронный коммутационный блок в салоне (ЦЭКБС) |
| F20 | 5 | Подушка безопасности |
| F21 | 7.5 | Полноприводная трансмиссия; Передача заднего хода |
| F22 | 5 | Усилитель руля |
| F23 | 5 | Регулятор/ограничитель скорости; Обогрев заднего стекла; Сигнал не пристегнутого ремня безопасности; Система контроля дистанции при парковке; Дополнительное отопление салона |
| F24 | 15 | ЦЭКБС |
| F25 | 5 | ЦЭКБС |
| F26 | 15 | Указатели поворота |
| F27 | 20 | Подрулевые переключатели |
| F28 | 15 | Клаксон |
| F29 | 25 | Подрулевые переключатели |
| F30 | – | Резерв |
| F31 | 5 | Щиток приборов |
| F32 | 7. 5 | Аудиосистема; Панель управления кондиционером; Вентиляция салона; Прикуриватель |
| F33 | 20 | Прикуриватель |
| F34 | 15 | Диагностический разъем; Разъем для аудиосистемы |
| F35 | 5 | Зеркало заднего вида с подогревом |
| F36 | 5 | Наружные зеркала заднего вида с электроприводом |
| F37 | 30 | ЦЭКБС; Стартер |
| F38 | 30 | Стеклоочиститель лобового стекла |
| F39 | 40 | Вентиляция салона |
| A | – | Вентилятор климатической установки |
| B | – | Обогрев зеркал |
| Номер | Номинальный ток, A | Назначение предохранителей |
| Блок предохранителей расположенных в салоне | ||
| 1 | 20 | Стеклоочистиель ветрового стекла Реле обогрева стекла крышки багажника |
| 2 | 5 | Реле стартера ЭБУ трансмиссии |
| 3 | 10 | Ближний свет левая фара/комбинация приборов |
| 4 | 30 | Электростеклоподъемники задних дверей |
| 5 | 5 | Комбинация приборов Топливный насос — реле ЭБУ двигателя Ремни безопасности — сигнализация AirBag включение-отключение |
| 6 | 15 | Прикуриватель |
| 7 | 10 | Электролюк |
| 8 | 20 | Стеклоочиститель ветрового стекла |
| 9 | 10 | Щиток комбинации приборов |
| 10 | 10 | ВСМ |
| 11 | 10 | Стеклоочиститель заднего ветрового стекла |
| 12 | 10 | Стоп-сигнал — выключатель |
| 13 | — | Резерв |
| 14 | 10 | Панель приборов Дальний свет — левая фара |
| 15 | 10 | ЭБУ ABS Датчик ускорения Датчик угла поворота рулевого колеса |
| 16 | 10 | Габаритные огни — левый борт |
| 17 | 5 | Обогрев наружных зеркал |
| 18 | 5 | Не используется (насос рулевого управления) |
| 19 | 5 | Система SRS |
| 20 | 10 | Диагностический разъём Антенный блок иммобилизатора Блок управления электрооборудованием кузова |
| 21 | — | Резерв |
| 22 | 10 | Дальний свет правая фара |
| 23 | 15 | Электрообогрев сидений |
| 24 | 10 | Габаритные огни правый борт Освещение комбинации приборов, вещевого ящика Аварийно-световая сигнализация |
| 25 | 5 | не используется |
| 26 | — | Резерв |
| 27 | 20 | Стеклоочиститель задний Звуковая сигнализация Датчик ВМТ Задние ходовые огни — выключатель |
| 28 | 15 | Блок управления оборудованием салона (энергосберегающий режим) |
| 29 | 30 | Обогрев стекла крышки багажника |
| 30 | 30 | Электродвигатель системы отопления-кондиционирования-вентиляции |
| 31 | 20 | Блок управления оборудованием салона Диагностический разъём |
| 32 | — | резерв |
| 33 | 5 | Зеркала заднего вида — электропривод |
| 34 | 20 | Блок управления оборудованием салона |
| 35 | 15 | ЭБУ трансмиссией |
| 36 | 15 | Прикуриватель Аудиосистема |
| 37 | 15 | Противотуманные фары+реле |
| 38 | — | Резерв |
| 39 | 10 | Электродвигатель системы отопления-кондиционирования-вентиляции(реле) |
| Блок предохранителей в моторном отсеке | ||
| 1 | 5 | Лямбда-зонд 2 (зад) |
| 2 | 5 | Лямбда-зонд 1 (перед) |
| 3 | 50/40 | Вентилятор системы охлаждения двигателя Компрессор кондиционера — муфта |
| 4 | 80 60 | Насос гидроусилителя (для K4M) Переключатель наружного освещения (для F4R) |
| 5 | 60 | Переключатель наружного освещения |
| 6 | 60 25 | Переключатель наружного освещения (для K4M) ЭБУ управления трансмиссией для полного привода (для F4R) |
| 7 | 25 80 | ЭБУ управления трансмиссией для полного привода (для K4M) Дополнительный отопитель салона с реле (для F4R) |
| 8 | 80 | Дополнительный отопитель салона с реле |
| 9 | 15/30 | Вентилятор системы охлаждения — 1 скорость Кондиционер — электромагнитная муфта компрессора (для F4R) |
| 10 | 25 | Топливный насос |
| 11 | — | Резерв |
| 12 | 15 | ЭБУ АКПП (для F4R) |
Автомагнитола renault схема подключения.
Автоновости, объявления, фотографииСодержание статьи:Фото Подключение магнитолы — Форум о Новом Рено Логан 2 (Renault Logan 2) Видео Похожие статьи
Подключение магнитолы Рено Логан — процесс весьма простой, однако при монтаже следует соблюдать некоторые тонкости и нюансы. Как нужно подключать. Аудиосистема порой так необходима в автомобиле.
Лада 2111 Ласточка › Бортжурнал › Магнитола Renault Duster’а. Вот такую схему подключения к ISO-разъёмам нашёл в интернете: Схема переходника от Duster’а в ISO.
О логотипе. Логотип Renault имеет интересную историю. Во время первой мировой войны компания успешно производила легкие танки. В связи с популярностью танков компани, руководство Рено даже сменило логотип, поместив в него изображение своего танка. Но танк на эмблеме на долго не задержался, уже в 1923 году появилась известная форма алмаза Однако, это не совсем алмаз – это след от того самого танка.
Renault Logan СтарДоК › Бортжурнал › Варианты подключения магнитолы [Выводы]. Пробовал подключать по схеме, найденной на драйве UNICYCLERACE.RU.
Качество обслуживания на АЗС. Комментарии к сообщению Atom. Грешил на провод, который забрал вместе с магнитолкой. Главная Автосекреты Автошкола Автосалоны Автоновости Суперкары.
Магнитола Renault Duster’а — бортжурнал Лада 2111 Ласточка |
В некоторых комплектациях автомобиля Рено Дастер установлено мультимедийное головное устройство — магнитола. Магнитола читает перезаписываемые диски CD-RW. Магнитола подключена к электропроводке через два штекера, один отвечает за питание, а второй за коммутацию магнитолы с динамиками. Далее мы приведем подробную схему подключения магнитолы на автомобиле Рено Дастер. Все силовые предохранители установлены в салоне машины. Примечательно то, что в зависимости от года выпуска и серии магнитола может быть выпущена с разными прошивками.
Номер прошивки появится в правом верхнем углу экрана. Так, в случае устаревшей прошивки на экране магнитолы возможно некоррктеное отоброжение текстовой информации. Тюнинг и советы по обслуживанию. Главная Автосекреты Автошкола Автосалоны Автоновости Суперкары. Тюнинг авто Ремонт авто. Электросхема подключения магнитолы Рено Дастер. Электросхема подключения магнитолы н Рено Дастер. Здесь можно оставить свои комментарии к теме статьи. Обсудить волнующую вас проблему, поделиться информацией.
Руководство по ремонту Рено Дастер. Руководство по ремонту Рено Дастер Renault Duster Двигатель Рено Дастер Renault Duster Трансмиссия Рено Дастер Renault Duster Подвеска Рено Дастер передняя и задняя Тормозная система Рено Дастер Электрооборудование Рено Дастер Renault Duster Электросхемы Рено Дастер Рулевое управление Рено Дастер Renault Duster Кузов Рено Дастер.. Сроки по штрафам ГИБДД. Управление в пьяном виде ТС. Учет ТС в ГИБДД снятие, постановка.
Правильное подключение магнитолы
youtube.com/embed/kKnpdVyB_OM» frameborder=»0″ allowfullscreen=»»>Renault Duster Руководство пользователя, Руководство пользователя, Руководство по обслуживанию
Renault Duster 110 PS RxL Adventure
Renault Duster 110 PS RxL Adventure Технические характеристики, двигатель, пробег, максимальная скорость, подвеска, тормоза, средства безопасности, экстерьер и интерьер Фотогалерея
Renault Duster 110 PS RxL AWD Diesel
Renault Duster 110 PS RxL AWD Diesel Характеристики, двигатель, пробег, максимальная скорость, подвеска, тормоза, средства безопасности,
Renault Duster 110 PS RxL Diesel
Renault Duster 110 PS RxL Diesel Технические характеристики, Двигатель, Пробег, Максимальная скорость, Подвеска, Тормоза, Средства безопасности, Галерея изображений экстерьера и интерьера, Обзор экстерьера и интерьера на 360 градусов, Доступные варианты цвета, Руководство пользователя
Renault Duster 110 PS RxL Diesel E xplore
Renault Duster 110 PS RxL Diesel Explore Технические характеристики, двигатель, пробег, максимальная скорость, подвеска, тормоза, средства безопасности, галерея изображений экстерьера и интерьера, обзор экстерьера и интерьера на 360 градусов, доступные варианты цвета, руководство пользователя
Renault Duster 110 PS RxZ AWD Diesel
Renault Duster 110 PS RxZ AWD Diesel Технические характеристики, Двигатель, Пробег, Максимальная скорость, Подвеска, Тормоза, Средства безопасности, Галерея изображений экстерьера и интерьера, Обзор экстерьера и интерьера на 360 градусов, Доступные варианты цвета, Руководство пользователя
Renault Duster 110 PS RxZ Diesel
Renault Duster 110 PS RxZ Diesel Технические характеристики, двигатель, пробег, максимальная скорость, подвеска, тормоза, средства безопасности, галерея изображений экстерьера и интерьера, обзор экстерьера и интерьера на 360 градусов, доступно Варианты цвета, Руководство пользователя
Renault Duster 110 PS RxZ Diesel Дополнительно
Renault Duster 110 PS RxZ Diesel Дополнительно Технические характеристики, двигатель, пробег, Максимальная скорость, подвеска, тормоза, средства безопасности, галерея изображений экстерьера и интерьера, обзор экстерьера и интерьера на 360 градусов, доступные варианты цвета, руководство пользователя , Двигатель, Пробег, Максимальная скорость, Подвеска, Тормоза, Средства безопасности, Галерея изображений экстерьера и интерьера, Обзор экстерьера и интерьера на 360 градусов, Доступные варианты цвета, Руководство пользователя Diesel RxL Explore Технические характеристики, двигатель, пробег, максимальная скорость, подвеска, тормоза, средства безопасности, галерея изображений экстерьера и интерьера, обзор экстерьера и интерьера на 360 градусов, доступные варианты цвета, руководство пользователя
Renault Duster 85 PS RxE Diesel
Renault Duster 85 PS RxE Diesel характеристики, двигатель, пробег, максимальная скорость, подвеска, тормоза, средства безопасности, экстерьер и интерьер Галерея изображений, экстерьер и интерьер вид спереди 360 градусов, доступные варианты цвета, руководство пользователя
Renault Duster 85 PS RxL Diesel Adventure
Renault Duster 85 PS RxL Diesel Adventure Характеристики, двигатель, пробег, максимальная скорость, подвеска, тормоза, средства безопасности,
Renault Duster 85 PS RxL Diesel Опционально
Renault Duster 85 PS RxL Diesel Опционально Тормоза, средства безопасности, галерея изображений экстерьера и интерьера, обзор экстерьера и интерьера на 360 градусов, доступные варианты цвета, руководство пользователя
Renault Duster 85 PS RxL Diesel Plus
Renault Duster 85 PS RxL Diesel Plus Технические характеристики, двигатель, пробег, максимальная скорость, подвеска, тормоза, средства безопасности, галерея изображений экстерьера и интерьера, обзор экстерьера и интерьера на 360 градусов, доступные варианты цвета, руководство пользователя
Renault Duster Facelift
Renault Duster Facelift Технические характеристики, двигатель, пробег, максимальная скорость, подвеска, тормоза, средства безопасности, галерея изображений экстерьера и интерьера, обзор экстерьера и интерьера на 360 градусов, доступные варианты цвета, руководство пользователя
Renault Duster RxE Petrol
Renault Duster RxE Petrol Технические характеристики, двигатель, пробег, максимальная скорость, подвеска, тормоза, средства безопасности, галерея изображений экстерьера и интерьера, обзор экстерьера и интерьера на 360 градусов, доступные варианты цвета, руководство пользователя
Renault Duster RxL Petrol
Renault Duster RxL Petrol Технические характеристики, двигатель, пробег, максимальная скорость, подвеска, тормоза, средства безопасности, внешний вид и I Галерея изображений салона, обзор экстерьера и интерьера на 360 градусов, доступные варианты цвета, руководство пользователя
Renault Duster Service Manual 2009
Renault Duster Service Manual 2009 pdf производства компании RENAULT представлен для вас в электронном формате
Размер страницы 593 x 839 pts (повернут на 0 градусов) .
Это руководство можно просматривать на любом компьютере, а также увеличивать и распечатывать, что упрощает диагностику и устранение проблем с электрической системой вашей машины. Дополнительные сведения о документах по поиску и устранению неисправностей и процедурах обслуживания электрооборудования в сочетании с подробными схемами подключения для простоты использования щелкните по ссылке . Вы можете увидеть больше о книге: Renault Diesel Engine G9t G9u Workshop Manual. Наряду с более чем 2372 страницами иллюстраций, которые помогут читателю разобраться с каждой услугой и процедурой обслуживания.Подробная информация о двигателях, системах охлаждения, электронных схемах, топливных системах и типичных ошибках. Полная загрузка поставляется в формате PDF, который может работать на всех ПК на базе операционной системы Windows Mac, а также на телефоне или планшете с операционной системой Android или ios. Он сохраняется на жестком диске и может быть записан на CD-ROM.
Точный, ясный и лаконичный текст в сочетании с иллюстрациями позволяет любому человеку, обладающему даже небольшими базовыми знаниями в области механики, безопасно и легко обслуживать и ремонтировать свой Renault Duster Service Manual 2009 pdf.
Посмотреть информацию о книжных издательствах RENAULT можно здесь.
С нашим загружаемым руководством по обслуживанию RENAULT в формате pdf. Найдите страницу о своей работе, распечатайте ее и приступайте к работе на своей машине. Больше не нужно портить ваше дорогое бумажное руководство по ремонту жиром и грязью. Также вы можете ознакомиться с каталогами запчастей, руководствами по обслуживанию, руководством по ремонту, руководством по ремонту и ремонту. Подробнее можно посмотреть в книге: Руководство по установке Renault Clip V112.
Подробная информация о продукте:
Renault Duster Service Manual 2009
Количество страниц: 2372
Зашифровано: нет
Язык: Аналогичен изображению в описании
Размер страницы: 593 x 839 pts (повернуто на 0 градусов)
Размер файла: 28296519 байт
Закладка: нет
Необходимое: SumatraPD , Adobe Reader или Foxit Reader
PDF-версия: 1.6
Увеличение/уменьшение: обязательно
Мгновенная доставка: да
Мгновенная загрузка означает, что не нужно платить за доставку или ждать, пока компакт-диск или бумажное руководство прибудут по почте.
Вы получите это руководство сегодня путем мгновенной загрузки после завершения платежа через наш безопасный платежный процессор.
Это руководство по качеству на 100 процентов полно и неповреждено, в нем нет отсутствующих (поврежденных страниц) разделов, которые могут вас напугать! Покупайте у нас, и я гарантирую, что вы останетесь довольным клиентом и свяжитесь с нами, если у вас есть какие-либо вопросы.Обязательно скачайте руководство по эксплуатации Renault Duster 2009 СЕЙЧАС!
Схема блока предохранителей Renault Duster 2010-2016
В данной статье рассмотрим Рено Дастер первого поколения, выпускавшийся с 2010 по 2017 год. Здесь вы найдете схемы блока предохранителей Рено Дастер 2010, 2011, 2012, 2013, 2014, 2015 и 2016 годов выпуска, получите информацию о расположение панелей предохранителей внутри автомобиля, а также узнать о назначении каждого предохранителя (расположение предохранителей) и реле.
Схема расположения предохранителей Renault Duster 2010-2016
Моторный отсек
Пассажирский салон
Блок предохранителей расположен за крышкой на панели приборов со стороны водителя.
Отсоедините клапан A, используя паз 1.
Пассажирское отделение, версия 1
Назначение предохранителей в салоне автомобиля с левосторонним управлением| Номер | Назначение |
|---|---|
| A | Стеклоподъемник со стороны водителя |
| B | Полноприводная (4WD) трансмиссия |
| С | Сжиженный газ |
| D | Задняя розетка для аксессуаров |
| E | ЭБУ салона, стартер |
| 1 | Передний электростеклоподъемник |
| 2 | Левая фара дальнего света |
| 3 | Правая фара дальнего света |
| 4 | Левая фара ближнего света |
| 5 | Правая фара ближнего света |
| 6 | Фонари задние |
| 7 | Передние габаритные огни |
| 8 | Задние электрические стеклоподъемники |
| 9 | Задние противотуманные фары |
| 10 | Звуковой сигнал |
| 11 | Автоматическая блокировка дверей |
| 12 | ABS-ESC, датчик тормоза, датчик сцепления |
| 13 | Внутреннее освещение, освещение багажника, освещение перчаточного ящика |
| 14 | Пустое место |
| 15 | Стеклоочиститель |
| 16 | Круиз-контроль/ограничитель скорости, предупреждение о непристегнутом ремне безопасности, система помощи при парковке, мультимедиа, кондиционер, подогрев сидений, рычаг АКПП, ЦЭКБС |
| 17 | Дневные ходовые огни |
| 18 | Стоп-сигналы |
| 19 | Система впрыска, приборная панель или приборная панель, салон, рычаг секвентальной коробки передач |
| 20 | Подушка безопасности |
| 21 | Полноприводная трансмиссия (4WD), газ, автоматическая коробка передач, секвентальная коробка передач, задняя передача |
| 22 | Рулевое управление с усилителем |
| 23 | Обогрев заднего ветрового стекла, подогрев сидений, сигнализация ремня безопасности, система помощи при парковке, дополнительный обогрев салона, круиз-контроль/ограничитель скорости, обогрев ветрового стекла |
| 24 | ЭБУ салона |
| 25 | ЭБУ салона |
| 26 | Указатели поворота |
| 27 и 29 | Управление на рулевой колонке |
| 28 | Не используется |
| 30 | Не используется |
| 31 | Приборная панель |
| 32 | Радио, панель управления кондиционером салона, вентиляция салона, розетка для аксессуаров сзади |
| 33 | Прикуриватель |
| 34 | Диагностика и радиорозетка |
| 35 | Размораживание зеркала заднего вида |
| 36 | Наружные зеркала с электроприводом |
| 37 | ЭБУ салона, стартер |
| 38 | Стеклоочиститель ветрового стекла |
| 39 | Вентиляция салона |
| Номер | Назначение |
|---|---|
| A | Стеклоподъемник со стороны водителя |
| B | Полноприводная (4WD) трансмиссия |
| C | Задний кондиционер |
| D | Задняя розетка для аксессуаров |
| E | ЭБУ салона, стартер |
| 1 | Передний электростеклоподъемник |
| 2 | Левая фара дальнего света |
| 3 | Правая фара дальнего света |
| 4 | Левая фара ближнего света |
| 5 | Правая фара ближнего света |
| 6 | Фонари задние |
| 7 | Передние габаритные огни |
| 8 | Задние электрические стеклоподъемники |
| 9 | Задние противотуманные фары |
| 10 | Звуковой сигнал |
| 11 | Автоматическая блокировка дверей |
| 12 | ABS-ESC, выключатель тормоза |
| 13 | Внутреннее освещение, освещение багажника, освещение перчаточного ящика |
| 14 | Не используется |
| 15 | Стеклоочиститель |
| 16 | Мультимедиа |
| 17 | Дневные ходовые огни |
| 18 | Стоп-сигналы |
| 19 | Система впрыска, приборная панель или приборная панель, салон, рычаг секвентальной коробки передач |
| 20 | Подушка безопасности |
| 21 | Полноприводная трансмиссия (4WD), передача заднего хода |
| 22 | Рулевое управление с усилителем |
| 23 | Круиз-контроль/ограничитель скорости, заднее ветровое стекло, предупреждение о непристегнутом ремне безопасности, система помощи при парковке, дополнительный обогрев салона |
| 24 | ЭБУ салона |
| 25 | Не используется |
| 26 | Указатели поворота |
| 27 и 29 | Управление на рулевой колонке |
| 28 | Не используется |
| 30 | Не используется |
| 31 | Приборная панель |
| 32 | Радио, панель управления кондиционером салона, вентиляция салона, розетка для аксессуаров сзади |
| 33 | Прикуриватель |
| 34 | Диагностика и радиорозетка |
| 35 | Размораживание зеркала заднего вида |
| 36 | Наружные зеркала с электроприводом |
| 37 | ЭБУ салона, стартер |
| 38 | Стеклоочиститель ветрового стекла |
| 39 | Вентиляция салона |
Пассажирское отделение, версия 2
Назначение предохранителей в салоне (версия 2)
| № | А | Описание |
|---|---|---|
| F1 | 20 | Электродвигатель стеклоочистителя — комбинированный переключатель омывателя/стеклоочистителя — ЦЭКБС |
| F2 | 5 | Панель приборов — управление реле топливного насоса на борту — ЭБУ системы впрыска |
| F3 | 10 | Выключатель стоп-сигнала |
| F4 | 10 | ЦЭКБС — диагностический разъем — блок транспондера — контроль схемы переключения передач — противоугонный блок |
| F5 | 5 | Электрический блок управления автоматической коробкой передач — управление реле стартера — электрический блок управления распределением крутящего момента спереди/сзади |
| F6 | — | Не используется |
| F7 | — | Не используется |
| F8 | — | Не используется |
| F9 | 10 | Левая фара ближнего света — панель приборов |
| F10 | 10 | Правая фара ближнего света |
| F11 | 10 | Левая фара дальнего света — панель приборов |
| F12 | 10 | Правая фара дальнего света |
| F13 | 30 | Двойное управление задним стеклоподъемником со стороны водителя — управление реле безопасности детей |
| F14 | 30 | Двойной передний стеклоподъемник водителя |
| F15 | 10 | ЭБУ антиблокировочной системы тормозов |
| F16 | 15 | Радио |
| F17 | 15 | Главный электромагнитный рупор — дополнительный электромагнитный рупор |
| F18 | 10 | Задний левый габаритный огонь — передний левый габаритный огонь |
| F19 | 10 | Задний правый габаритный фонарь — освещение пассажирского отсека — панель приборов — ЦЭКБС — управление аварийной сигнализацией — панель управления кондиционером — магнитола — выключатель центрального замка дверей — прикуриватель первого ряда — режим 4×4 управление — освещение правого номерного знака — освещение левого номерного знака — передний правый габаритный фонарь — переключатель антипробуксовочной системы — управление обогревом заднего стекла — переключатель датчика приближения к парковке |
| F20 | 7. 5 | Задний противотуманный фонарь |
| F21 | 5 | Приборная панель |
| F22 | — | Не используется |
| F23 | 15 | Предохранитель в версии с сигнализацией: Питание на сирены через реле сирены на плате |
| F24 | — | Не используется |
| F25 | — | Не используется |
| F26 | 5 | Блок управления подушками безопасности и преднатяжителями |
| F27 | 20 | Электродвигатель стеклоочистителя заднего стекла – комбинированный переключатель омывателя/стеклоочистителя – переключатель фонарей заднего хода – датчик нейтрали и заднего хода на механической коробке передач – модуль автоматической коробки передач – электронный блок управления датчиком парковки |
| F28 | 15 | Выключатель потребителя — панель приборов — радио — ЦЭКБС |
| F29 | 15 | ЦЭКБС — диагностический разъем — противоугонный блок |
| F30 | 20 | ЦЭКБС |
| F31 | 15 | Питание к передним правым и левым противотуманным фарам через реле передних противотуманных фар на борту — контрольная лампа панели приборов |
| F32 | 30 | Выключатель обогрева заднего стекла |
| F33 | — | Не используется |
| F34 | 15 | Электрический блок управления распределением крутящего момента спереди-сзади |
| F35 | — | Не используется |
| F36 | 30 | Питание блока вентилятора холодного воздуха через реле блока вентилятора холодного воздуха и панель управления кондиционером |
| F37 | 5 | Электропитание правого и левого боковых зеркал с электроприводом через электропривод наружных зеркал |
| F38 | 15 | Радио — прикуриватель первого ряда |
| F39 | 10 | Реле управления вентилятором холодного воздуха |
Этот блок расположен в салоне, в нижней левой части приборной панели
40A – Детская безопасность
Назначение предохранителей в салоне автомобиля с правым рулем| Номер | Назначение |
|---|---|
| A | Стеклоподъемник со стороны водителя |
| B | Полноприводная (4WD) трансмиссия |
| C | Задний кондиционер |
| D | Задняя розетка для аксессуаров |
| E | ЭБУ салона, стартер |
| 1 | Передний электростеклоподъемник |
| 2 | Левая фара дальнего света |
| 3 | Правая фара дальнего света |
| 4 | Левая фара ближнего света |
| 5 | Правая фара ближнего света |
| 6 | Фонари задние |
| 7 | Передние габаритные огни |
| 8 | Задние электрические стеклоподъемники |
| 9 | Задние противотуманные фары |
| 10 | Звуковой сигнал |
| 11 | Автоматическая блокировка дверей |
| 12 | ABS-ESC, выключатель тормоза |
| 13 | Внутреннее освещение, освещение багажника, освещение перчаточного ящика |
| 14 | Не используется |
| 15 | Стеклоочиститель |
| 16 | Мультимедиа |
| 17 | Дневные ходовые огни |
| 18 | Стоп-сигналы |
| 19 | Система впрыска, приборная панель или приборная панель, салон, рычаг секвентальной коробки передач |
| 20 | Подушка безопасности |
| 21 | Полноприводная трансмиссия (4WD), передача заднего хода |
| 22 | Рулевое управление с усилителем |
| 23 | Круиз-контроль/ограничитель скорости, заднее ветровое стекло, предупреждение о непристегнутом ремне безопасности, система помощи при парковке, дополнительный обогрев салона |
| 24 | ЭБУ салона |
| 25 | Не используется |
| 26 | Указатели поворота |
| 27 и 29 | Управление на рулевой колонке |
| 28 | Не используется |
| 30 | Не используется |
| 31 | Приборная панель |
| 32 | Радио, панель управления кондиционером салона, вентиляция салона, розетка для аксессуаров сзади |
| 33 | Прикуриватель |
| 34 | Диагностика и радиорозетка |
| 35 | Размораживание зеркала заднего вида |
| 36 | Наружные зеркала с электроприводом |
| 37 | ЭБУ салона, стартер |
| 38 | Стеклоочиститель ветрового стекла |
| 39 | Вентиляция салона |
Моторный отсек (K4M690-K4M694)
Назначение предохранителей и реле в моторном отсеке (K4M690-K4M694)| № | А | Описание |
|---|---|---|
| Плата предохранителей 597-1 | ||
| F1 | 50 | Электрический блок управления антиблокировочной тормозной системой на версиях без электронной программы стабилизации |
| F2 | 25 | Электрический блок управления антиблокировочной системой тормозов на версиях без электронной программы стабилизации |
| Плата предохранителей 597-2 | ||
| F1 | 40 | Предохранитель в версии с кондиционером: Питание блока вентилятора охлаждения через реле высокой скорости блока вентилятора или через реле низкой скорости блока вентилятора на плате реле и резисторе блока вентилятора — питание муфты кондиционера через реле муфты кондиционера на борту |
| Плата предохранителей 597-3 | ||
| F1 | 60 | Замок зажигания — монорычаг — питание к предохранителю F23 в блоке предохранителей в салоне |
| F2 | 60 | Питание монолевера — питание предохранителей F29 и F36 в блоке предохранителей в салоне |
| Плата предохранителей 597-4 | ||
| F1 | — | Не используется |
| F2 | 25 | Питание предохранителей F34 в блоке предохранителей салона в версии 4×4 (полный привод) |
| Плата предохранителей 597-5 | ||
| F1 | 30 | Предохранитель в стандартной версии с обогревом: питание блока вентиляторов охлаждения через реле блока вентиляторов низкой скорости на плате реле |
| F2 | 25 | Управление и питание реле блокировки впрыска на плате реле — питание реле топливного насоса на плате реле |
| F3 | — | Не используется |
| F4 | — | Не используется |
| Опорная пластина диода 597-6 | ||
| Диод | Муфта кондиционера | |
| Плата реле 299 | ||
| A | 20 | Передние противотуманные фары |
| В | 20 | Звуковой сигнал |
| Реле блока 233 | ||
| 233 | 40 | Вентилятор холодного воздуха |
| Плата реле 1047 | ||
| A | 20 | Блокировка впрыска |
| B | 20 | Топливный насос |
| Плата реле 784 | ||
| A | 20 | Блок низкоскоростного вентилятора |
| B | 20 | Муфта кондиционера |
| Реле блока 336 | ||
| 336 | 40 | Высокоскоростной вентилятор в сборе |
| Плата реле 1639 в версии FLEXFUEL | ||
| А | — | Не используется |
| B | 20 | Дополнительный топливный насос |
Моторный отсек (F4R400-F4R402-F4R403-F4R404-F4R405-F4R408)
Назначение предохранителей и реле в моторном отсеке (F4R400-F4R402-F4R403-F4R404-F4R405-F4R408)| № | А | Описание |
|---|---|---|
| Плата предохранителей 597-1 | ||
| F1 | 50 | Электрический блок управления антиблокировочной тормозной системой на версиях без электронной программы стабилизации |
| F2 | 25 | Электрический блок управления антиблокировочной системой тормозов на версиях без электронной программы стабилизации |
| Плата предохранителей 597-2 | ||
| F1 | 40 | Предохранитель в версии с кондиционером: питание блока вентиляторов охлаждения через реле блока вентиляторов высокой скорости или через реле блока вентиляторов низкой скорости на плате реле и резисторе блока вентиляторов |
| Плата предохранителей 597-3 | ||
| F1 | 60 | Замок зажигания — монорычаг — питание к предохранителю F23 в блоке предохранителей в салоне |
| F2 | 60 | Питание монолевера — питание предохранителей F29 и F36 в блоке предохранителей в салоне |
| Плата предохранителей 597-4 | ||
| F1 | — | Не используется |
| F2 | 25 | Питание предохранителей F34 в блоке предохранителей салона в версии 4×4 (полный привод) |
| Плата предохранителей 597-5 | ||
| F1 | 15 | Предохранитель в версии с кондиционером: питание муфты кондиционера через реле муфты кондиционера на борту |
| F2 | 25 | Управление и питание реле блокировки впрыска на плате реле — питание реле топливного насоса на плате реле |
| F3 | — | Не используется |
| F4 | 15 | Электрический блок управления автоматической коробкой передач (119) с 4-ступенчатой автоматической коробкой передач на двигателях F4R403 и F4R405 |
| Опорная пластина диода 597-6 | ||
| Диод | Муфта кондиционера | |
| Плата реле 299 | ||
| A | 20 | Передние противотуманные фары |
| В | 20 | Звуковой сигнал |
| Реле блока 233 | ||
| 233 | 40 | Вентилятор холодного воздуха |
| Плата реле 1047 | ||
| A | 20 | Блокировка впрыска |
| B | 20 | Топливный насос |
| Плата реле 784 | ||
| A | 20 | Блок низкоскоростного вентилятора |
| B | 20 | Муфта кондиционера |
| Реле блока 336 | ||
| 336 | 40 | Высокоскоростной вентилятор в сборе |
| Блок реле 232 на версии с автоматической коробкой передач | ||
| 232 | 40 | Стартер |
| Плата реле 1639 в версии FLEXFUEL | ||
| А | — | Не используется |
| B | 20 | Дополнительный топливный насос |
Рено | Кармануалшаб.
комКак получить код разблокировки радио для своего Renault бесплатно , Master, Megane, Safrane, Scenic, Symbol, Trafic, Twingo и многие другие Renault Duster (или Clio, Megane, Scenic, Trafic, Kangoo,… Подробнее »
Схемы электрических соединений Renault скачать бесплатно См. также: Руководство по ремонту Renault в формате PDF скачать бесплатно Руководство владельца Renault PDF скачать бесплатно Диагностические коды неисправностей Renault 25 Сервисное руководство по ремонту – Тормозная система, жгут электропроводки и проводка.rar 24.2Mb Скачать инструкцию Renault Duster PDF – Electrical Equipmaents.pdf 3.7Mb Скачать Renault Fluence Megane III Grand Scenic Wiring Harness chart.jpg 110kb Скачать… Подробнее »
Renault Service & Workshop Repair manuals PDF скачать бесплатно См. также: Renault Owner’s Manual PDF скачать бесплатно Диагностические коды неисправностей Renault Все руководства по ремонту и ремонту Renault вы можете скачать бесплатно.
Renault 4 Руководство по техническому обслуживанию и ремонту автомобиля Renault 4. Название Размер файла Ссылка для скачивания Renault 4 Service Repair Manual.rar 9.6Mb Скачать Renault… Подробнее »
Renault Duster: диагностика, коды ошибок и устранение неисправностей См. также: Руководство по эксплуатации Renault Коды неисправностей в формате PDF скачать бесплатно Renault Diagnostic Trouble Codes Автомобили Renault Duster оснащены бортовым процессором, позволяющим контролировать состояние электрической цепи отдельных узлов и состояние датчики.Критические неисправности отображаются в виде светящихся индикаторов на дисплее приборной панели.… Подробнее »
Renault Руководство по эксплуатации в формате PDF См. также: Диагностические коды неисправностей Renault На этой странице вы можете найти Руководство по эксплуатации Renault в формате PDF для Captur, Clio, Duster, Espace, Fluence, Kadjar, Kangoo, Kaptur, Koleos, Laguna, logan, Master, Megane, Modus , Sandero, Scenic, Talisman, Thalia, Trafic, Twingo, Twizy, Zoe Renault Captur Название Размер файла Ссылка для скачивания Инструкции по эксплуатации Renault Captur 2013 (PDF).
pdf 7.3Mb Скачать Renault Captur… Подробнее »
Renault Diagnostic Коды неисправностей LP3500 Цепь иммобилайзера двигателя P3501 Ошибка связи с климатом P3502 Ошибка связи с BVA (круиз) P3503 Ошибка связи с ABS P3504 Цепь датчика давления хладагента P3505 Ошибка топливной системы P3506 Цепь катушки зажигания цилиндров №1 и №4 замкнут на массу P3507 Цепь катушки зажигания цилиндров №2… Подробнее »
Руководство по ремонту и обслуживанию Dacia Duster(22 PDF-файла
У нас 22 Dacia
Инструкции по Дастеру
в общей сложности 7 лет производства.В таблице ниже вы можете увидеть 0
Руководство по ремонту Дастера,0
Инструкции по эксплуатации Duster и 20 разное
Загрузка Dacia Duster.
Наше самое популярное руководство – это Dacia — Duster — Руководство по эксплуатации — 2017 — 2017.pdf (финский) . Это (как и все наши руководства) можно бесплатно скачать в формате PDF.
Как скачать Dacia Duster Руководство по ремонту (на любой год)
Эти инструкции по эксплуатации Duster были предоставлены нашими пользователями,
поэтому мы не можем гарантировать полноту.Мы проверили годы, которые охватывают руководства
и у нас есть руководство по ремонту Dacia Duster
на последующие годы; 2011, 2013, 2014, 2015, 2016, 2017 и 2018 годы.
Просмотрите 22 различных PDF-файла, которые отображаются ниже, например этот. Затем вам будут показаны первые 10 страниц этого конкретного документа, вы можете затем прокрутить вниз и нажать «показать полный PDF» .Затем вы можете нажать скачайте и получите абсолютно бесплатное руководство по эксплуатации автомобиля навсегда!
Какие темы затрагивает Dacia Duster Обложка руководства по обслуживанию/ремонту?
В общей сложности это более 653 страниц контента, посвященных вашему Дачия Дастер .Вот неполный список того, что покрыто;
- Dacia Duster Руководство по ремонту на дороге
- Руководство по эксплуатации Dacia Duster с еженедельными проверками
- Руководство по ремонту Dacia Duster , включающее смазочные материалы, жидкости и давление в шинах
- Обслуживание Dacia Duster PDF-файлы, охватывающие плановое техническое обслуживание и обслуживание
- Подробная информация о Dacia Duster Двигатель и сопутствующие сервисные системы (для ремонта и капитального ремонта) (PDF)
- Dacia Duster Данные трансмиссии Руководство по обслуживанию PDF
- Dacia Duster Тормоза и подвеска PDF
- Dacia Duster Электрические схемы
В поисках бесплатной Dacia Duster Haynes / Руководство по эксплуатации Dacia Duster Chilton?
Мы получаем много людей, приходящих на сайт в поисках бесплатного Dacia Duster Хейнс
руководство.
Есть две вещи, которые вам нужно знать; во первых это незаконный , а во вторых —
есть гораздо лучшие способы обслуживания и понимания вашего двигатель Dacia Duster чем
руководство Хейнса. По сути, мы здесь для этого — дать вам
альтернатива Haynes и Chilton, онлайн и совершенно бесплатно.
Аренда Dacia Duster 4×4 в Исландии
Dacia Duster 4×4 (механика)
Не позволяйте видимости обмануть вас; Dacia Duster может выглядеть как грузовик снаружи, но на самом деле он похож на меньший семейный хэтчбек и имеет все сопутствующие удобства внутри.

Для тех, кто ищет надежный, удобный, универсальный автомобиль напрокат, чтобы путешествовать по Исландии, вы не ошибетесь, выбрав Dacia Duster. Высокая посадка водителя обеспечивает отличный круговой обзор, облегчая вождение и маневрирование как в городе, так и на бездорожье. Говоря о бездорожье, Dacia — это компактный полноприводной автомобиль, а это значит, что вам разрешено ездить по живописным дорогам F-Roads Исландии. Обладая большим дорожным просветом, вы мало что упустите, когда будете за рулем Duster.
В нем комфортно пять человек, сзади достаточно места для длинноногих, а объем багажника составляет 475 литров (или около трех больших чемоданов). Для пар или индивидуальных путешественников с немного большим багажом вместимость увеличивается до 1636 литров при сложенных задних сиденьях.
Хотя вы можете подумать об этом как о варианте «без излишеств», Duster по-прежнему оснащен такими функциями, как аудиовход AUX, порт USB для зарядки ваших устройств, совместимость с Bluetooth, подушки безопасности, усилитель руля, подогрев сидений и круиз-контроль для максимальной эффективности.
Вы путешествуете по Золотому кольцу.
Проще говоря, Duster является одним из самых экономичных и комфортабельных полноприводных автомобилей, которые можно арендовать в Исландии, что делает его естественным выбором для экономных, искателей приключений, всей семьи, пар и индивидуальных путешественников.
Рекомендация для посетителей
- Подогрев сидений
- USB
- ВСПОМОГАТЕЛЬНЫЙ
- Проигрыватель компакт-дисков
- Радио
- Bluetooth-совместимость
- Подушки безопасности
- Рулевое управление с усилителем
- Ограничитель скорости
- Шипованная резина (Зима)
Dacia Duster 4×4 совместим с детскими креслами ISOFIX групп 0, 1 и 2, устанавливаемыми лицом вперед и назад на задних ближних и боковых пассажирских сиденьях.
Обратите внимание, что Dacia Duster доступен только с механической коробкой передач. Если вы привыкли к вождению с автоматической коробкой передач, мы рекомендуем вам ознакомиться с тем, как управлять автомобилем с механической коробкой передач, если вы настроены на поездку на Dacia Duster.
Что-то не так | АА
Круглосуточная горячая линия для Великобритании
0800 88 77 66
Член или нет, мы можем помочь — убедитесь, что вы находитесь в безопасном месте, прежде чем звонить.
Отчет онлайн и отслеживание вашего спасения
Или скачайте наше приложение
Это самый быстрый способ попросить нас о помощи и отследить наше прибытие.
Потеряли ключи от машины?
Вызов AA Key Assist
0800 048 2800
Пн–Вс 7:00–22:00
В машине не то топливо?
Вызов помощника по топливу AA
0800 072 7420
Линии открыты 24/7
Горячая линия
для Европы, работающая круглосуточно и без выходных00 800 88 77 66 55
Или со стационарных телефонов Франции:
08 25 09 88 76
04 72 17 12 00
Или из других стран ЕС и Великобритании с мобильных телефонов:
00 338 25 09 88 76
00 334 72 17 12 00
Претензии по автострахованию
0800 269 622
Линии открыты 24/7
Претензии по страхованию жилья
Чтобы сообщить о любых убытках или повреждениях, вам необходимо позвонить по телефону страховой компании и иметь под рукой номер полиса.
Они оба указаны в вашем страховом свидетельстве. Консультант по претензиям поможет с вашей претензией.
Аварийный чехол для Великобритании
0800 085 2721 пн-пт 9:00-18:00, сб 9:00-17:00
Европейская аварийная крышка
0800 072 3279 пн-пт 8:00-18:00, сб 9:00-17:00
Автострахование
0800 316 2456 пн-пт 9:00-18:00, сб 9:00-17:00
Страхование жилья
0800 197 6169 пн-пт 9:00-18:00, сб 9:00-17:00
Уроки вождения
0800 587 0087
Пн–Пт 8:30–20:00, Сб 9:00–17:00
Уроки для новых учеников Существующий логин ученика
Купить Аварийный чехол для Великобритании
0800 085 2721
пн-пт 9:00-18:00, сб 9:00-17:00
Купить Аварийный чехол европейский
0800 072 3279
Пн-Пт 8:00-18:00, Сб 9:00-17:00
Требования к запчастям и гаражу
0344 579 0042
пн-пт 9:00-17:00, сб 9:00-13:00
Замените аварийный чехол
0343 316 4444
Пн-Пт 8:00-18:00, Сб 9:00-17:00
Купить страховку автомобиля
0800 316 2456
пн-пт 9:00-18:00, сб 9:00-17:00
Претензии по автострахованию
0800 269 622
Линии открыты 24/7
Запросы политики
0370 533 2211
пн-пт 9:00-18:00, сб 9:00-17:00
Купить страховку мотоцикла
0344 335 2932
пн-пт 9:00-18:00, сб 9:00-16:00
Существующие клиенты страхования фургонов
0800 953 7537
Пн-Пт 9:00-19:00, Сб 9:00-13:00
Купить страхование жилья
0800 197 6169
пн-пт 9:00-18:00, сб 9:00-17:00
Запросы политики
0370 606 1617
пн-пт 9:00-18:00, сб 9:00-17:00
Чехол для дома на случай чрезвычайной ситуации
– сообщите о чрезвычайной ситуации0800 316 3984
Линии открыты 24/7
Книга уроков вождения
Новый ученик
0800 587 0087
Пн–Пт 8:30–20:00, Сб 9:00–17:00
Уроки для новых учеников Существующий логин ученика
Обучение на инструктора по вождению
0800 316 0331
пн-чт 9:00-20:00, пт 9:00-17:30, сб 9:00-16:00
Присоединяйтесь к нам в качестве инструктора по вождению
0800 587 0086
пн-чт 9:00-20:00, пт 9:00-17:30, сб 9:00-16:00
Справки о автошколе AA
Отдел обслуживания клиентов, Автошкола AA, 17-й этаж Capital Tower, Greyfriars Road, Cardiff CF10 3AG
Чтобы защитить вашу личную информацию, нам нужно будет задать вам несколько контрольных вопросов по телефону, прежде чем мы сможем помочь.
По этой причине мы не можем отвечать на финансовые запросы по электронной почте.
ISA для семейных инвестиций открыт после октября 2015 года
0333 220 5069
пн-пт 9:00-19:00, сб 9:00-13:00
Аккаунты Member Saver / Easy Saver, открытые после февраля 2017 г.
0800 917 8612
пн-пт 8:00-20:00, сб 9:00-17:00
Сберегательные счета, открытые до 2 сентября 2015 года
0345 603 6302
Пн–Сб 8:00–20:00
Кредитные карты Банка Ирландии после июля 2015 г.
0345 600 5606
пн-пт 8:00-20:00, сб 9:00-17:00, праздничные дни 10:00-17:00
Кредитные карты AA, выпущенные до июля 2015 года MBNA
0345 603 6302
пн-сб 8:00-20:00, выходные в праздничные дни
Утерянные и украденные кредитные карты
0800 028 8997
Или если вы находитесь за пределами
0044 800 028 8997
Линии открыты 24/7
Общие запросы по займам АА, взятым с ноября 2015 года
0345 266 0124
Пн-Сб 8:00-20:00, Вс 9:00-17:00
Задолженность или запросы по оплате займов АА, взятых с ноября 2015 года
0800 032 8180
Пн–Сб 8:00–20:00, Вс 9:00–1.
30 вечера
Скачать приложение
Загрузка нашего приложения — это самый быстрый и простой способ получить доступ ко всем вашим преимуществам, включая скидки в ресторанах, автосервис, выходные и многое другое. Войдите в систему со своим номером участника и почтовым индексом, чтобы увидеть свои преимущества.
Ваша личная информация
Вы можете ознакомиться с нашим уведомлением о конфиденциальности, политикой в отношении файлов cookie и Условиями и положениями веб-сайта после резервного копирования нашего веб-сайта.Или вы можете связаться с нами, используя данные выше.
Эта страница и наш веб-сайт используют файлы cookie, чтобы обеспечить вам максимальное удобство при посещении. Помимо улучшения работы определенных функций, файлы cookie позволяют нам собирать отзывы и информацию о том, как вы использовали сайт, чтобы мы могли продолжать улучшать его для вас.

5
5
5